Правила подключения
Следует убедиться в том, что нагрузка совместима с управляющим устройством по типу и мощности. При установке встраиваемого диммера надо предусмотреть возможность доступа в процессе эксплуатации для выполнения ремонтных работ.
Ноль сети 220 V подключают непосредственно к лампе накаливания, фазный провод – к регулятору.
В цепь фазы устанавливают выключатель. Выход с диммера подсоединяют к нагрузке.
Схема установки с двумя светорегуляторами
Диммеры соединяют перемычками. В серийных приборах 2 соответствующие клеммы обозначены на корпусе «стрелками». Свободные выходы подключают в разрыв фазной цепи. Такую схему применяют для регулировки мощности в нагрузке из разных мест. Это решение используют в большой комнате при отсутствии дистанционного управления.
Подключение к светодиодным лентам и лампам
Если применяется одноцветный источник, регулятор подключают непосредственно к нагрузке с учетом полярности. В схеме с приборами RGB выход диммера подсоединяют к специализированному контроллеру.
Включение прибора с двумя проходными выключателями
Этот способ применяют для удобства управления освещением в длинном коридоре.
В фазную цепь последовательно устанавливают 2 выключателя и диммер.
Аналого-цифровой диммер
Самый простой по конструкции — диммер, выполненный на интегральном таймере NE555. Этот таймер был создан почти 45 лет тому назад инженером компании Signetics Гансом Камензиндом. В таймере объединены аналоговая и цифровая части. Аналоговая представлена двумя компараторами, цифровая — RS-триггером, который можно считать элементарной ячейкой памяти и инвертором. Благодаря столь замечательному союзу аналоговой и цифровой электроники возникло совершенно уникальное устройство, на основе которого можно построить импульсные преобразователи, широтно-импульсные модуляторы, таймеры, генераторы. Добавим, что таймер не критичен к напряжению питания и стабильно работает в диапазоне от 3 до 18 В, обеспечивая выходной ток до 0,2 А. То есть к выходу таймера напрямую можно подключить реле, тем самым ещё больше упростив конструкцию,
Рейтинг лучших поворотных диммеров
Schneider Electric Glossa 630W
Достойное изделие, которое без проблем выдерживает различные нагрузки и подойдет для эксплуатации в любом доме или квартиры. Регулировка осуществляется классическим способом. От пользователя требуется минимум усилий для монтажа. Крепления надежные и не портятся со временем.
Производитель оснастил прибор надежной защитой от попадания пыли и грязи. Но от чрезмерного воздействия влаги, прибор сломается. Производство осуществляется в России. Изделие отличается высоким качеством сборки и быстрой регулировкой.
Средняя стоимость – 3 200 рублей.
Schneider Electric Glossa 630W
Достоинства:
- Надежность;
- Безопасность;
- Легкая регулировка;
- Скоростное изменение света;
- Известный производитель.
Недостатки:
Schneider Electric AtlasDesign
Красивый и неповторимый диммер, который подойдет для многих пользователей. Продается в белом цветовом исполнении, что подчеркнет дизайн любого помещения. Тип регулировки – роторный. Крепление – винтовое, что большой плюс, учитывая качество сборки. Монтаж – скрытый, это дает возможность поместить прибор в любое удобное место. Класс защиты такой же, как у предыдущих моделей. Поверхность глянцевая. Регулировка осуществляется быстро.
Средняя стоимость – 1 400 рублей.
Schneider Electric AtlasDesign
Достоинства:
- Небольшая цена;
- Качественная сборка;
- Долговечность;
- Удобный способ регулировки;
- Приятное исполнение.
Недостатки:
TDM ELECTRIC Ладога SQ1801-0109
Простой диммер, который подойдет для регулировки светодиодных ламп. Корпус выполнен хорошо, не шатается, даже если приложить небольшие усилия. Регулировка плавная и удобная. Дизайн стандартный, ничего отличающегося у этого изделия нет. Крепление – винтовое.
Поверхность глянцевая, не царапается и не оставляет отпечатков. Единственный недостаток такого прибора – материал изготовления. Через полгода-год, продукт потеряет приятный внешний вид, а пластик со временем начнет желтеть от солнечных лучей. Максимальная мощность, которую может выдержать устройство – 600 Вт
Но перед покупкой важно не забыть оставить 20% на возможные перегрузки, так как изделие чувствительно к этому
Средняя стоимость – 280 рублей.
TDM ELECTRIC Ладога SQ1801-0109
Достоинства:
- Низкая цена;
- Хорошо работает со светодиодными лампами;
- Неплохая сборка.
Недостатки:
Etika 672619
Отличное брендовое изделие, которое легко выдерживает нагрузки до 300 Вт. Изготовлено из качественного пластика, который не утратит уникальный внешний вид со временем и не поцарапается от небрежного отношения. Максимальное количество ламп, с которыми прибор способен работать – 10 шт. Продается в антрацитовом цвете. Для крепления используется винтовой способ, отличающийся высокой надежностью и долговечностью. На продукт распространяется длительная гарантия, что позволит эксплуатировать диммер без опасений.
Средняя цена – 3 000 рублей.
Etika 672619
Достоинства:
- Подойдет для установки со светодиодными лампами 5-75 Вт;
- Необычный внешний вид;
- Качественная сборка;
- Корпус устойчив к царапинам;
- Быстрая регулировка.
Недостатки:
Simon D790N
Надежный российский прибор с минимальной мощностью в 5 Вт, даст возможность установить его в любое место от комнаты до зала. Максимальное значение составляет 215 Вт. На изделие распространяется годовая гарантия, что большой плюс для тех, кто хочет удостовериться в качестве предлагаемого товара.
Форма выпуска – квадрат. Способ изменения яркости – поворотный. Корпус изготовлен из технополимера, что также является дополнительным преимуществом. Не царапается и не портится от воздействия ультрафиолетовых лучей.
Simon D790N
Достоинства:
- Качество;
- Долговечность;
- Надежное крепление;
- Уровень радиопомех соответствует EN-55015;
- Простой монтаж.
Недостатки:
Инструкция по установке диммера
Электроустановки марки Легранд давно зарекомендовали себя как надежные и «долгоиграющие», поэтому рассмотрим порядок установки диммера известного французского производителя.
Прибор можно ставить в монтажную коробку или просто в стену вместо обычного выключателя, следовательно, дополнительная подготовка проводки или места монтажа не нужна.
Если возникли неполадки, рекомендуем снова отключить автомат, аккуратно разобрать выключатель с диммером и проверить, правильно ли вставлены жилы в клеммы. Если с устройством все в порядке, дополнительно проверяем подключение светильника.
Не забываем, что схемы подключения у разных приборов имеют отличия, и порой принципиальные, поэтому обязательно в первую очередь изучаем инструкцию и схему, а затем уже приступаем к действиям.
Навигация по записям
Поэтому надо строго следовать рекомендациям производителя по монтажу. Это тоже надо учитывать. Основой конструкции диммера является симистор.
Причем чем большее ее продолжительность, тем меньше яркость свечения.
Комментарии к статье: 19 Устройство и схема диммера В этой статье рассмотрим устройство, которое продается в магазинах электротоваров, как регулятор яркости ламп накаливания.
Белые осветительные светодиоды, особенно китайские, весьма чувствительны к кратковременным импульсам тока, выгорают на раз. Основой конструкции диммера является симистор.
При пятичасовой работе BTA на нагрузку 3кВт я достиг комнатной температуры радиатора, для этого я установил небольшой кулер от процессора ПК, обеспечив его питание от миниатюрного выпрямителя.
Таким образом, изменяется мощность лампочки, ее яркость — свет приглушается или увеличивается. Даже, когда на люстре имеется одна лампа, можно легко настроить яркость, уменьшив или увеличив подаваемое напряжение.
Целью моих дурацких изысканиях было такое же дурацкое желание получить от светодиодной лампы обещанные фирмой 30 — 50 тысяч часов работы.
Как подключить диммер (регулятор освещения)
https://youtube.com/watch?v=wdMXA2gu0rw

Управление
Выбирая диммер необходимо учитывать способ управления этим устройством. Различаются следующие типы:
- Поворотный или поворотно-нажимной регулятор. Эти устройства регулируют напряжение при помощи переменного резистора. Нажимные используют тот же принцип, но включение и выключение питания происходит за счет нажатия на рукоятку. Основной недостаток этих устройств кроется в перегреве. При выборе неправильного параметра мощности, контакты резистора перегреваются, что на начальных этапах затрудняет регулировку, а в последствии становится причиной полного выхода из строя.
- Сенсорные — самый современный тип. В схеме используется семистор. Этот элемент не регулирует величину сопротивления. Работает за счет контроля частотной модуляции электрического напряжения. Подобные диммеры используются для подключения в схему светодиодного освещения. Это самые продвинутые приборы. Некоторые модели имеют встроенный выпрямитель напряжения и защиту от перегрева. Данный тип можно подключать к системе «Умного дома». Самые дорогие модели имеют блок подключения к сети Wi-Fi, возможность управления через приложение, голосовыми и звуковыми командами.
- Кнопочные. Также используют принцип семистора. Главное отличие — наличие механической кнопки регулировки. Такие модели намного проще, чем сенсорные, но и они также оснащаются выпрямителем напряжения. Часто производятся со встроенным выключателем в виде дополнительной кнопки. Это позволяет значительно упростить подключение и расширить общую цепь регулировки освещения.
Также описываемые устройства различаются по способу монтажа.
- Модульные. Эти элементы устанавливаются в электрический щит. Используются для регулировки наружного освещения или одновременного регулирования во всех помещениях. Отдельные модели имеют сенсор освещения, что позволяет регулировать работу ламп без вмешательства человека. Подключение к вводной стороне питания определяет мощность этих устройств. Можно встретить модульные регуляторы мощностью до 1500 ватт.
- Кабельные. Монтируются на переносные источники света. Часто встречаются на шнурах настольных светильников. Подобные элементы могут регулировать только свет ламп накаливания. Данный тип регуляторов запрещается устанавливать на несколько источников света, даже если мощность прибора это позволяет.
- Блочный или моноблочный. Монтируется этот прибор непосредственно на стену. Может использоваться в схеме вместе с выключателем. Блочные устройства могут быть сенсорными, кнопочными или поворотными. Отличительной особенностью является простая схема подключения и наличие болтового контактного соединения и крепления к стене.
Любой из описанных типов может использоваться в цепи освещения в качестве одинарного устройства. Подобный диммер используется вместо выключателя. Также могут подключаться в качестве дополнительного регулятора или проходного устройства. Далее будут даны принципиальные схемы подключения этих элементов.
Подключение димера к цепи
Это не менее важная часть работы, чем само изготовление, так как во многом от качества подключения диммера зависит долговечность эксплуатации. Кроме того, подключение влияет на удобство и комфортность управления, поэтому диммеры принято делить и по этой характеристике.
Они бывают следующими:
- по типу выключателя — они заменяют собой традиционные выключатели и регулируют один светильник или их группу, например, люстру с большим количеством осветительных элементов;
- проходными — позволяют управлять одним электроприбором, к примеру, светодиодной лампой, с помощью нескольких регуляторов, для удобства расположенных в различных частях помещения, здания.
В первом случае при использовании сети, включающей в себя 3 провода, ноль и заземление идут на светильник, другой электроприбор, а фаза на разрыв. То есть процедура является знакомой всем, кто заменял обычные выключатели.
При выполнении проверки регулятора, его монтажа и эксплуатации человеку следует соблюдать меры безопасности, так как через него проходит достаточное напряжение, чтобы нанести вред здоровью
При монтаже двух проходных диммеров от распределительной коробки следует подвести к каждому из них по три провода. Это обязательное условие. Затем первые два контакта используются для соединения обоих регуляторов. Для обеспечения надежности следует использовать перемычку.
Еще один из свободных контактов подсоединяется к фазе, а последний к осветительному прибору. После чего соединение проверяется на работоспособность.
Во время этих операций следует помнить о соблюдении мер безопасности — каждая из них может выполняться только после обесточивания сети.
С ориентирами выбора диммера для управления светодиодной лентой ознакомит следующая статья, полностью посвященная этой интересной теме.
Инструкция по установке диммера вместо обычного выключателя
Как установить диммер
Замена традиционного выключателя на поворотный регулятор не вызовет никаких затруднений, т.к. устанавливаются они по схожему принципу. Вам нужно лишь внимательно изучить технологию и придерживаться установленной последовательности.
Первый шаг. Отключаем подачу электричества и дополнительно убеждаемся в его отсутствии при помощи специальной индикаторной отвертки.
Схема подключения (меняем выключатель на светорегулятор)
Второй шаг. Снимаем кнопку установленного выключателя.
Третий шаг. Откручиваем шурупы, обеспечивающие крепление декоративной рамки выключателя, и снимаем ее.
Демонтаж выключателя
Четвертый шаг. Откручиваем крепежные винты и достаем механизм выключателя из монтажной коробки. Диммер мы сможем установить в эту же коробку.
Пятый шаг. Откручиваем электропровода от переключателя.
Шестой шаг. Видим два свободных провода.
Провода
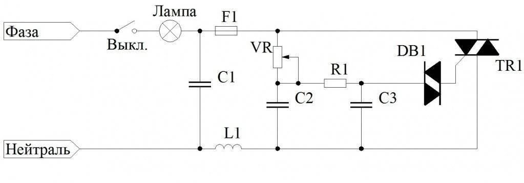
Один из них (питающий фазный) подсоединяется к выключателю, второй – к люстре. Внимательно изучаем схему, приведенную в инструкции к диммеру либо же на крышке его корпуса.
Схема диммераЧтобы разобрать его, нужно открутить контргайку и снять все декоративные накладкиДиммер в разобранном видеДиммер в разобранном видеДиммер в разобранном видеСхема подключения
В случае с диммерами, как отмечалось, нужно строго придерживаться порядка подключения, рекомендованного производителем. Фазный кабель (на схеме он красный) подключаем к клемме диммера, подписанной как L-in. Следующий кабель (на схеме он оранжевый) соединяем с клеммой регулятора, подписанной L-out.
Монтаж диммера
Седьмой шаг. Вставляем диммер в монтажную коробку. Чтобы это сделать, аккуратно загибаем провода, вводим регулятор в подрозетник, затягиваем распорочные винты, прикладываем декоративную рамку, фиксируем ее винтами и устанавливаем регулирующее колесико.
Подключаем провода и вставляем диммер в коробку
Восьмой шаг. Проверяем работу установленного диммера, предварительно включив подачу электричества. Для проверки поворачиваем ручку диммера до щелчка в направлении против движения часовой стрелки – лампы светиться не будут. Плавно поворачиваем регулятор по движению часовой стрелки – после аналогичного щелчка на светильниках начнет плавно возрастать напряжение, о чем будет свидетельствовать плавное же увеличение яркости света.
Затягиваем крепленияОдеваем все декоративные накладки и поворотное колесикоОдеваем все декоративные накладки и поворотное колесико
Диммер подключен и нормально функционирует. Можем принимать его в постоянную эксплуатацию.
Удачной работы!
Виды диммеров и особенности конструкций
Диммер или, другим словами, светорегулятор позволяет с одной точки устанавливать различные режимы освещения. В отличие от двухклавишного выключателя, который может осуществлять до 3 позиций интенсивности, это приспособление плавно меняет яркость одного или нескольких источников света от самой слабой до максимальной.
Чтобы правильно его установить, необходимо разобраться в конструкции. Но здесь возникает сложность, касающаяся различных видов. В продаже имеются устройства с разным способом управления.
Наиболее известным является поворотный механизм, но кроме него можно наткнуться и на кнопочный, электронный, дистанционный и даже акустический.
Главным действующим элементом поворотной модели является ручка, которую нужно поворачивать по/против часовой стрелки, чтобы уменьшить или увеличить мощность освещения
Подобно выключателю, регулятор света простейшей конструкции подключается к двухжильному проводу в разрыв силовой цепи.
Формой корпуса он напоминает стандартную электроустановку – розетку или выключатель – поэтому может монтироваться как в подрозетник, так и просто в свободную стенную нишу. Фиксация происходит за счет упругой металлической лапки-распорки или двух лапок, а контакты также стандартны.
Первый контакт предназначен для входящей фазы, идущей от распредкоробки, второй – для выходящей жилы нагрузки, которая направляется к источнику освещения. В качестве осветительных приборов может выступать настольная лампа, торшер, люстра, бра или группа точечных светильников.
Производители снабжают приборы подробными схемами подключения, которым необходимо следовать. Они отпечатаны на бумажном носителе и прямо на пластиковом корпусе
Кнопочный регулятор напоминает обычный выключатель: коротким нажатием на клавиши можно включить/выключить лампу. Однако если клавишу удерживать 1-2 секунды, то интенсивность освещения плавно изменится.
Современные электронные модели могут управлять одновременно нескольким светильниками (от 2 до 5), установленными в разных помещениях. Дистанционные устройства укомплектованы пультом д/у. Но нужно помнить – чем шире функциональность диммера, тем выше его стоимость.
Если говорить об отличиях в установке, то монтаж и подключение электронных устройств практически такое же, за исключением нюансов, характерных для отдельных производителей.
Принцип работы диммера
Наиболее эффективным является способ управления яркостью с помощью широтно-импульсной модуляции. Так как он наиболее подходит для современных энергосберегающих ламп.
Принцип работы в этом случае представляет собой подачу тока короткими импульсами, между которыми выдерживается продолжительная пауза. Причем чем большее ее продолжительность, тем меньше яркость свечения.
Подключение регуляторов является важным этапом сборки, так как от него зависит функциональность и комфортность, собственно ради чего люди и выполняют такую работу
В то же время простейшие устройства способны менять характеристики света обычным уменьшением/увеличением подающегося напряжения. Но такой вариант принесет пользу только при использовании ламп накаливания.
В случае использования LED-приборов в паре с устройством смогут работать только диммируемые светодиодные модели, так как обычные светодиодки не регулируются.
Что нужно знать о диммерах?
Глагол «to dim» в английском языке означает «становиться тусклым», «темнеть». Это явление и является сутью регуляторов яркости. Кроме того, человек дополнительно получает еще ряд преимуществ.
Плюсы использования прибора
Среди достоинств следует выделить такие дополнительные возможности:
- снизить потребление электроэнергии — это приводит к большей экономичности;
- заменить несколько видов осветительных приборов — к примеру, одна лампа может выполнять функции ночного торшера, основного освещения и т. д.
Кроме того, пользователь может получить различные световые эффекты, к примеру, использовать обычное освещение под управлением диммера в качестве светомузыки.
А также его функциональность позволяет работать совместно с системами безопасности или просто имитировать присутствие людей в помещении. Что поможет владельцам любого помещения защитить свое имущество от злоумышленников или вообще предотвратить их несанкционированное проникновение в квартиру, офис.
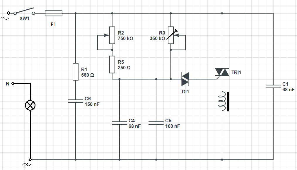
Основой конструкции диммера является симистор
Важно помнить, что его мощность должна на 20-50% превышать аналогичный показатель нагрузки. Кроме того, он должен выдерживать напряжение в 400 В. Это обеспечит изделию долговечность
Это обеспечит изделию долговечность
Дополнительно регулятор яркости способен сделать управление источниками освещения, другими электроприборами более удобным, эффективным. К примеру, можно применять радио- или инфракрасные сигналы, что позволит выполнять необходимые манипуляции дистанционно.
Или же есть возможность использовать несколько точек управления осветительным прибором вместо одного. Например, если пользователь хочет сделать более современным освещение в спальне, то регуляторы можно установить на входе туда, а также возле кровати.
Подобное решение сделает жизнь владельцев несколько комфортнее. Таким же образом можно поступить в любом другом помещении.
Как выполняется регулирование?
Если заинтересованный человек решил самостоятельно собрать диммер, то процедуру нужно начинать выполнять не с раздумий о том, как это сделать, а с определения целей и задач, которые будут решаться.
Так выглядит обычная синусоида тока, а суть диммирования в том, чтобы «обрезать» ее. Это уменьшит продолжительность импульса и даст возможность электроприбору работать не на полную мощность
Так перед тем, как приступить к сборке необходимо определиться какой вид ламп будет применяться. Эта процедура обязательная, потому что существуют различные принципы управления яркостью свечения.
К ним относятся:
- изменение напряжения — такой способ будет актуальным при использовании устаревших ламп накаливания;
- широтно-импульсная модуляция — этот вариант необходимо применять для управления яркостью современных энергосберегающих осветительных приборов.
Изменение напряжения светодиодных ламп малоэффективно из-за того, что они работают в узком диапазоне и при небольшом отклонении от нормы просто тухнут или не включаются. Что не позволит полностью раскрыть потенциал обычных устройств, потому для них выпускают специализированные диммеры для LED-приборов.
Кроме того, использование простых, но устаревших реостатов не дает возможности экономить на электроэнергии. Ведь излишки электроэнергии в виде тепла просто рассеиваются в воздухе.
Правильно сделанный диммер должен обеспечить именно такую синусоиду, при которой короткие импульсы чередуются с продолжительными паузами. Причем чем она продолжительней, а сила сигнала меньше, тем тусклее будет светиться лампа
С помощью широтно-импульсной модуляции получится собрать регулятор яркости, обеспечивающий лампам возможность работать при 10-100% их мощности. При этом пользователь получит приятный бонус в виде сэкономленной электроэнергии.
А также можно в полном объеме использовать все остальные преимущества диммеров, среди которых и долговечность.
Виды диммеров
Электронные устройства для регулировки яркости света создаются по нескольким параметрам. Главное, что отличает диммеры друг от друга, – это тип исполнения. Согласно ему, регуляторы интенсивности света бывают:
- модульными, то есть используемыми в распределительном щитке, находящемся в коридоре или подъезде;
- сопряжёнными с выключателем, который монтируют в специальную коробку и заставляют работать нажатием кнопки;
- моноблочными, применяемыми вместо выключателя.
Последний вид электронных устройств — моноблочные диммеры — делят на типы в зависимости от способа управления. Поэтому регуляторы света ещё подразделяют на следующие устройства:
- поворотные (снабжены ручкой, которая, если направлена влево, то выключает свет, а когда повёрнута вправо, увеличивает интенсивность освещения);
- поворотно-нажимные, действующие так же, как обычные поворотные, но отличающиеся тем, что включают свет только после лёгкого нажатия на ручку;
- клавишные, представляющие собой устройства, одна часть которых ответственна за подачу и отключение света, а вторая — за уменьшение и увеличение его яркости.
Существенную роль в выборе диммера играет и вид лампы, свет от которой надо отрегулировать. Например, лампы накаливания принято оснащать простыми электронными устройствами, осуществляющими свою задачу путём изменения напряжения. Стандартные диммеры неплохо подходят и галогенным лампам, подключаемым к источнику электричества с напряжением 220 В.
Один диммер подключён к лампе накаливания, а другой — к галогенной лампе
Если нужно регулировать подачу света от галогенной лампы, функционирующей на напряжении 12 или 24 В, то придётся использовать более сложное устройство. Желательно, чтобы диммер для такого осветительного прибора работал вместе с понижающим трансформатором. Если же устройство для преобразования тока обмоточное, то рекомендуется применять диммер, маркированный буквами «RL». А вместе с электронным трансформатором разумнее использовать регулятор с пометкой «C».
Вариант устройства для приборов, работающих от напряжения не более 24 В
Лампы со светоизлучающими диодами требуют применения регулятора интенсивности света особого вида, то есть устройства, модулирующего частоту тока импульсно. Для энергосберегающей или люминесцентной лампы подобрать диммер непросто. Наиболее приемлемым вариантом считается диммер, в чью схему включён электронный пускатель.
Простой регулятор света
Легче всего ввести в эксплуатацию диммер, функционирующий с динистором и симистором. Первое устройство — это полупроводниковый прибор, осуществляющий свою задачу несколькими путями. Другими словами, динистер выглядит как два соединённых диода, расположенных напротив друг друга. А симистер представляет собой усложнённый тиристор, начинающий пропускать ток в момент подачи на электрод тока управления.
Кроме динистера и симистера, схема простого регулятора света включает резисторы — постоянный и переменный. Вместе с ними также используются несколько диодов и конденсатор.
Устройство связано с распределительным щитом, распределительной коробкой и светильником
Подключение диммера
Схема включения диммера достаточно проста. Он ничем не отличается от обычного выключателя света. Процесс монтажа также является похожим. Монтировать диммер необходимо в установочную коробку. Единственным условием, которое выдвигает производитель является то, что необходимо соблюдать подключение выводов к фазе и нагрузке. Все диммеры, которые на данный момент присутствуют в магазинах можно разделить на 2 группы. Они могут быть поворотные, а также роторные (с регулятором) и электронные, которыми можно будет управлять с помощью кнопок.

Поворотный диммер для ламп
Если вы решили выбрать первый вариант, тогда в этом случае яркость будет зависеть от уровня поворота. Кнопочный диммер можно считать более гибким. При необходимости также можно подключить параллель. Это позволяет осуществлять управление из нескольких мест. Количество мест ограничивается и не должно превышать 3-4. Максимальная длина проводов не должна превышать 10 метров. Если длина будет больше, тогда процесс регулирования значительно усложнится. Также можно встретить и дистанционные диммеры, которыми управляют по радио сигналу или инфракрасному каналу. Цена диммеров с регулятором значительно отличается. Это связано с тем, что в кнопочном устройстве используются специальные схемы, которые делают конструкцию более дорогой.
Принцип действия диммера
При выборе диммера, следует учитывать тип ламп, с которыми он будет использоваться. Принципы регулировки мощности различных типов ламп (накаливания, галогенных, люминесцентных и др.) отличаются, поэтому их регуляторы освещения построены по различным схемам:
- 1) разогрев нити накала зависит от величины напряжение, которое подается на нее со светорегулятора. В результате меняется ее яркость свечения. Данная схема применяется для галогенных ламп и ламп накаливания (рабочее напряжение 220 В);
- 2) с применением трансформатора, преобразующего уровень напряжение, выдаваемого светорегулятором, до значения 12 – 24 В. Эта схема предназначена для работы с низковольтными галогенными лампами. Следует учитывать, что трансформатор, применяемый в данной схеме, должен быть электронным и регулируемым, обеспечивающим «мягкое» включение. Это необходимо, для разогрева нити лампы. При первоначальном небольшом токе отсутствует ее перегрузка;
- 3) с применением ламп, имеющих в составе электронный дроссель. Такие лампы называются люминесцентными. Электронная схема, по которой построен диммер, преобразует напряжение сети до значений в интервале 0 – 10 В. Это напряжение, поданное на электроды лампы, регулирует мощность создаваемого между ними электрического разряда, что управляет силой свечения газа.
Регулирование рабочих параметров — управление работой
Существует 4 способа управления работой диммера:
- — механический;
- — электронный;
- — акустический;
- — дистанционный.
Наиболее простой и распространенный способ – механический (с поворотной ручкой). Он предполагает наличие в схеме потенциометра, включенного в низковольтную управляющую цепь силового элемента – тиристора, дросселя, реостата и др.
Светорегулятор диммер, регулировка напряжения которого имеет электронное управление (кнопки, сенсоры), имеет в своем составе различные датчики.
Дистанционное управление светорегулятором осуществляется с помощью пульта управления по радиоканалу или ИК-сигналами.
А для управления акустическим светорегулятором применяется звуковой сигнал (хлопок, голосовая команда и др.).
При выборе данного типа выключателя также следует учитывать суммарную мощность подключаемых к нему ламп. Значение максимальной мощности диммера рекомендуется выбирать больше расчетной мощности нагрузки. Стандартная мощность бытовых диммеров колеблется от 40 до 1000 Вт.
Похожие материалы на сайте:
- Выключатели с подсветкой
- Перенос розетки
- Как установить розетку

























































