Не работает индукционная плита — причины и ремонт своими руками
Блок управления
В отличие от обычной электрической плитки внутри индукционного прибора имеется блок управления, который часто выходит из строя по причине попадания жидкости внутрь корпуса.
Конечно, причиной поломки устройства не всегда является короткое замыкание, но прежде чем приступить к ремонтным работам, необходимо не только произвести определенные диагностические действия, но и иметь подробный «анамнез».
Если индукционная плита отказалась работать без каких-либо видимых причин, то следует знать о наиболее часто возникающих поломках этого вида техники. Неработоспособность индукционной плиты может быть вызвана:
- неправильным использованием бытового прибора;
- заводским браком;
- коротким замыканием в результате попадания жидкости в корпус устройства.
Если индукционная плита эксплуатировалась правильно и неисправность возникла во время гарантийного срока, то самым правильным решением в этом случае будет обращение в сервисный центр для осуществления ремонта по гарантии. Во всех других ситуациях можно попробовать свои силы в ремонте сложной бытовой техники. Далее будут разобраны наиболее часто встречающиеся поломки бытовых индукционных плит.
Инструкция по ремонтным работам
Неисправно работающая электроплита — «неприятность» распространённая, побуждающая взять в руки телефон и вызвать на дом мастера. Однако такой способ обходится недёшево, поэтому ремонт плиты стоит попробовать выполнить самостоятельно при условии соблюдения техники безопасности, наличия инструментов.
Необходимые инструменты
Приступая к ремонту, готовят набор необходимых инструментов:
- мультиметр;
- крестообразные и плоские отвёртки;
- кусачки;
- плоскогубцы;
- монтажный нож;
- термоусадочная трубка;
- мелкозернистая наждачная бумага;
- фонарик;
- паяльник;
- изолента;
- пинцет;
- молоток;
- набор гаечных ключей;
- пробник напряжения.
Разборка электрической плиты
Моделей плит разных размеров, конструкций много. Выделить основные пункты, по которым происходит разборка оборудования, невозможно
Но для всех существует главное условие: наличие термоизоляционного слоя из стекловаты требует предельной осторожности при работе. Это же относится и к асбестовой пыли прокладок, находящихся под конфорками (относится к старым моделям электроплит советского образца)
- Вначале демонтируется верхняя панель, закреплённая винтами, расположение которых зависит от конструктивных особенностей плит – на задней стенке или по периметру корпуса под верхней крышкой. Открутив винты и сняв крышку, получают доступ к конфоркам, ведущей к ним проводке, регуляторам мощности, расположенных на передней панели.
- Чтобы освободить нижнюю часть, где установлены нагревательные элементы, конфорки с проводами снимают. Для этого откручивается прижимная заземляющая гайка, затем снимается.
- Демонтируется конфорка, посаженная на резьбу или вставленная в отверстие. Смазав резьбовую деталь маслом, выворачивают из корпуса либо поддевают отвёрткой и вытаскивают. В доступности оказываются внутренние соединения оборудования.
Совет
Электроплиты с варочной панелью из керамики, например, Веко и другие, разбираются с предельной осторожностью, чтобы не повредить деталь, не допустить её перекоса.
Устранение неполадки
Устранение неполадок в электроплите и в другой бытовой технике доверяют профессионалам. Они знают основы электротехники и ознакомлены со всеми правилами техники безопасности.
Учитывают, что подключение и дальнейшее обслуживание электроприборов своими руками приводит к отказу со стороны сервисных центров обслуживать бытовую технику после несанкционированного вмешательства. Аннулируется и гарантия производителя в случае самостоятельной починки неисправных узлов и элементов.
Чтобы вернуть плите работоспособность, приступают к устранению неисправностей:
- Конфорки. Для обнаружения поломки откручивают крепление и проводник заземления. Находящееся под конфоркой стопорное кольцо или пружину извлекают, поддев деталь острым предметом. Неисправные конфорки заменяют на новые, так как эта деталь ремонту не подлежит. Если конфорки исправны, переходят к осмотру блока управления, регулятору мощности, переключателю.
- Сломанный переключатель. Поломку определяют при поворачивании ручки по часовой стрелке. Если движение не сопровождается характерным щелчком, нужно заменить элемент. Для этого сначала отсоединяются ручки, снимается передняя панель, осматривается регулятор и его контакты. Контакты зачищают, а неисправную деталь заменяют на новую.
- Работа электронного блока управления проверяется путём подачи напряжения на плиту. Исправная автоматика срабатывает спустя определённое время. Для устранения поломки лучше обратиться к мастеру, так как требуется наличие принципиальной схемы, знания в радиотехнике.
- Для замены регулятора и ступенчатого переключателя демонтируют переднюю панель с металлической пластиной, удерживающий регулятор, далее просто выполняют замену неисправного элемента.
- Неисправность электромодуля. Для ремонта требуются знания в микропроцессорных узлах и электронике. Если их нет, лучше обратиться в сервисный центр.
- Поломка рычага мощности. Чтобы определить неисправность, регулятор устанавливают на максимальную температуру и следят за степенью нагрева конфорки. Если она остаётся холодной, требуется замена электронного прибора.
- Проблема с термостатом. Выражается в двух случаях: окисление вводных контактов и нулевой контакт с корпусом детали, изнашивание и перегорание твердосплавных элементов внутри. Нужна полная замена термостата.
Рекомендации и советы мастеров
Мастера рекомендуют придерживаться следующих советов:
- Основные поломки газовых плит устраняются вручную при помощи минимальных подручных инструментов. Помогает установка траверсов и подкрутка винтов при смещении оси горелок. При ослабших переключателях достаточно снять ручку и отвёрткой размять прорези на стержне. При неплотно закрывающейся духовке достаточно затянуть пружину и поставить ось в ушко (о признаках и причинах неисправности газовой духовки и ее ремонте читайте тут, а из этой статьи вы узнаете, как отремонтировать стекло духовки газовых плит).
- Если чувствуется запах газа, нужно проверить герметичность контактов мыльным раствором: подкрутить и смазать краны.
- Винтовые клеммы и заклёпки на спирали — это временные меры.
- Главная причина 90% поломок – это несоблюдение условий эксплуатации оборудования.
Необходимо внимательно следовать инструкции по использованию варочной панели.
- Если нет мультиметра для проверки отдельных участков системы, то можно воспользоваться индукционной отвёрткой, её использование оправдано в случае проведения ремонта своими руками и хорошего знания составных элементов варочной панели. Иначе лучше не подходить к ремонту самостоятельно, а вызвать мастера.
Перед ремонтом плиты нужно тщательно изучить инструкцию. Читайте статьи наших экспертов и узнаете, как отремонтировать таймер и дверцы духовки.
Своими руками можно отремонтировать варочную панель, если знать о её устройстве. Для этого нужно изучить прилагаемую к устройству инструкцию и следовать ей. Если невозможно осуществить работы самостоятельно, необходимо вызвать мастера на дом.
Популярные неисправности и их устранение
У варочных панелей поломки бывают практически те же, что и у любых других электрических плит, плюс своих неисправностей добавляют хитроумные управляющие схемы. К чести производителей, множество неисправностей «от сложности» диагностируют сами электронные схемы, которые и выдают ошибки на дисплей панели управления. Полезно ознакомиться с документацией на варочную панель, там это все подробно описывается.
Лучше всего рассматривать все возможные неисправности по месту их возникновения.
Неисправности работы
Общие неисправности работы могут сначала иметь неясную природу, и придется дополнительно доискиваться причин. К таким можно отнести плохой разогрев или отсутствие разогрева, а также неправильную работу сенсорной панели. Одним из вариантов плохой работы может быть отказ отключения разогрева, и это достаточно опасно, если не будет вовремя замечено.
Неисправности проводки
Первое, что проверяется, когда электроприбор перестал работать, — это проводка. Начиная с вилки, которой прибор включен в сеть. Самое смешное, что часто думают на все что угодно, только не на контакт розетка-вилка. Значит, нужно начинать даже с розетки: просто-напросто проверить ее включением в сеть настольной лампы. Загорелась — есть напряжение.
При наличии напряжения на розетке (индикатор дает фазу (горит огонек) и ноль (не горит). Оба горят — ноль оборван, работать плита не будет) идем от вилки. Внешний осмотр — ничего ли не сгорело.
Далее открываем крышку плиты, убеждаемся, что ноль и фаза прошли через вилку и шнур к месту припайки. Тут недалеко ищем предохранитель, включаем розетку так, чтобы через него шла фаза и проверяем ее наличие на выходе из предохранителя.
И так далее по всему маршруту. Проверяется выключатель, обогреватели, термостат и все остальное. И хорошо, если неисправность находим все-таки в проводке. Тогда заменить сгоревший проводник или контакт — пара пустяков.
Неисправности нагревательных элементов
Нагревательные элементы сами по себе могут работать, а могут не работать. И такие случаи достаточно легко определить, однако должен быть доступ к нагревательным элементам для осмотра и проверки работы, а также схемы подключения на разрыв или закорачивание. Нагревательные элементы обычно не пропаиваются, или паяются высокотемпературным припоем. Соответствующим должен быть и ремонт. Непаянные зажимы могут от температуры окисляться, перегреваться и отгорать, обычно это видно невооруженным глазом или при включении элементов с открытыми крышками, и искать неисправность надо квалифицированно и со всеми мерами электробезопасности. Лучше всего прозванивать контакты и тестером проверять сопротивление нагревательных элементов.
Во многих местах бывают установлены плавкие предохранители, которые могли выйти из строя. Их нужно найти по схемам и определить степень годности. В случае выхода из строя заменить на аналогичные.
Неисправности управляющих схем
Управляющие схемы задают режимы работы обогревателей, обеспечивают защиту от перегрева, занимаются диагностикой схем. Сгоревший элемент часто бывает различим визуально. Самый быстрый способ починить сгоревшую схему — купить и установить такую же, только новую. Обычно сервисные работники так и поступают. У них также имеются стенды для точной проверки электронных плат, чего в домашних условиях обычно не бывает. Поэтому дома чаще всего ограничиваются проверкой проводки, нахождением явно вышедших из строя или «подозрительных» элементов, после чего вызывается сервисный специалист.
Физическая порча
Треснула панель, отломились элементы крепежа и так далее.
Такая «оказия» обычно случается с шумом, и авария не остается незамеченной. Поэтому всегда ясно, какие дальнейшие действия следует предпринять.
К счастью, многие магазины, продающие бытовые электроприборы, запасаются и запчастями, которые чаще всего выходят из строя.
Диагностика и восстановление панелей косвенного нагрева
Ремонт индукционных варочных панелей под силу лишь опытным электрикам. Без знания материала, с простым мультиметром и пассатижами, операция обречена на провал. При этом, многие проблемы вовсе не являются неисправностями: обычное нарушение режима эксплуатации.
Типовые неисправности индукционных систем нагрева

- Индукционная конфорка либо не включается вовсе, либо питание пропадает сразу после начала работы. Это может быть защитная функция: если вы убираете посуду с плоскости нагрева, или размер не соответствует диаметру конфорки, автоматика блокирует работу. То же самое относится к алюминиевой или медной посуде.
- Эта же проблема (неправильная посуда) может привести к тому, что индукционная конфорка работает не в полную силу.
- Самостоятельное включение нагревателя может быть связано с загрязнениями плиты, или наличием рядом с ней массивного стального (чугунного) предмета.
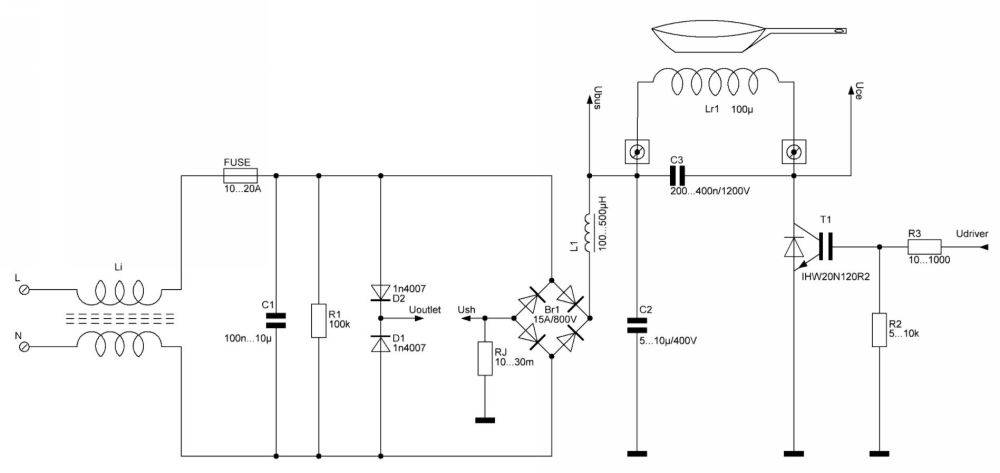
Настоящие неисправности, не связанные с нарушением режима эксплуатации, проявляются в схеме генератора индуктивного поля. Как мы уже отмечали, обмотка выходит из строя крайне редко.
Типовая схема на иллюстрации:

На самом деле, никаких космических технологий тут нет. Трансформатор преобразует напряжение питания, а генератор создает повышенную частоту колебаний электромагнитного поля. После визуального осмотра (на предмет явно «сгоревших» радиоэлементов) генератор проверяется с помощью домашнего осциллографа. Если такой прибор у вас имеется — объяснять принцип проверки генератора индуктивности нет смысла, ваш уровень достаточен для ремонта.
Если вы не имеете достаточного опыта — придется обращаться к мастерам. В любом случае, ремонт отдельного блока не так дорого обойдется, как покупка новой панели.
Как устранить неисправности?
Конфорки
Чтобы починить конфорку, необходимо действовать по следующему алгоритму:
- Необходимо сначала убрать заземление. Для этого нужно открутить гайку.
- Если в технологических условиях прописано усложнённое конструктивное устройство, значит, кроме гайки, придётся убрать специальное кольцо или скобу. Эти детали плотно прижимают гайку к основанию.
- Конфорка может крепиться соединением из резьбы или прикрепляться через специальное отверстие. В первом варианте нужно смазать резьбу подсолнечным маслом выкрутить из корпуса. Для второго случая нужно запастись отвёрткой и вынуть конфорку.
- При старой модели конфорки лучше сразу вытащить и выбросить. На их место поставить более современные и экономичные образцы, которые будут подходить по габаритам.
- Исправные конфорки, но с дефектом нагревания бывают из-за нарушения в блоке управления. Механические регуляторы пропускают через себя большой мощности ток. Даже надёжные контакты после такого влияния могут образовывать на своей поверхности нагар. Счищается он обыкновенной наждачной бумагой.
Переключателей
Отремонтировать ли или заменить переключатель на новый зависит от степени его неисправности. Если провернуть регулятор и не услышать характерных щелчков, то это свидетельствует о незначительной поломке детали. Чтобы осуществить оригинальную проверку состояния переключателя нагрева, его располагают в среднее положение и подают напряжение на плиту. В этот момент должна сработать автоматика защиты. Обычно включение и выключение выполняется через каждые 30 секунд.
Перед тем как снимать ручки, нужно изучить инструкцию. У некоторых моделей (Gefest, Kaiser) они неразборные. Если все же ручки съёмные, то сначала снимаются регулирующие снаружи, а только потом откручивается передняя панель.
Чтобы добраться до сломанного регулятора, необходимо снять установленную под плитой планку. Если щелчка не слышно при включении реле, то проверяют наличие сигнала. Если его нет, то проблема — в микропроцессоре или каскаде на выходе.
Внимание
Для ремонта электронного блока понадобится изучить схему его строения и уметь разбираться в сложностях, технических составляющих плиты.
Сенсорных датчиков
Чтобы заменить неисправный сенсорный датчик, нужно отключить электричество и переключить ручку от положения выключения до минимального нагрева. Должен раздаться щелчок, который говорит о срабатывании термостата. При отсутствии этого сигнала понятно, что регулятор неисправен.
Чтобы провести окончательную проверку и убедиться в поломке сенсорного датчика, термостат откручивают до среднего положения, а затем включают питание. При правильной работе датчика происходит включение/отключение питания каждые 30 секунд.
Приступая к ремонту электроплиты из стеклокерамики своими руками, необходимо приготовить:
- мультиметр;
- набор крестообразных и плоских отвёрток;
- плоскогубцы;
- кусачки.
Для работы нужна термоусадочная трубка с монтажным ножом и мелкозернистой наждачной бумагой. Перед работами необходимо взять:
- пробник напряжения;
- набор гаечных ключей;
- фонарь;
- пинцет;
- молоток.
Варочной панели
Ремонт варочной поверхности зависит от причины неисправности. Актуальны следующие случаи:
- Нет сигнала включения варочной панели из-за отсутствия напряжения в розетке или неисправности её деталей. Мультиметром проверяется работоспособность розетки и сигнал тока, от неё исходящий. При отрицательном тесте проверяют предохранитель, который может перегореть из-за разрыва контактов, перетирания или передавливания шнура или из-за поломок ТЭНа.
Одна или две конфорки варочной панели могут отказывать в работе из-за обрыва контактов нагревателя. Их нужно просто спаять. А перегоревший ТЭН меняют на новый. Переключатель блока управления подлежит ремонту или замене на новый.
Совет
Плохой нагревательный эффект связан с плохой передачей сигнала к оборудованию через ТЭН. При этом могут быть повреждены термостат и терморегулятор. Термостат подлежит обязательной замене, а другие детали можно починить самостоятельно.- Проблемы с перегревом плавкого предохранителя или нерабочее состояние сенсора. Мультиметром устанавливают причину и место разрыва. Блок управления прочищают солевым раствором, чтобы привести его в рабочее состояние.
Когда стоит обращаться к специалисту
Для ремонта электроподжига не потребуется иметь большого опыта и знаний, с этим могут справиться даже неопытные пользователи.
Однако иногда требуется провести доскональную проверку и диагностику прибора. Фонариком и простой отверткой ее выполнить уж точно не получится. По этой причине необходимо будет вызвать специалиста. Конечно, услуги мастера могут обойтись недешево, но иногда поломка электроподжига может возникнуть в результате серьезной причины, которая может представлять угрозу для человека.
Иногда ремонт стоит доверить профессионалам
В любом случае, перед тем как начинать ремонтировать устройство электроподжига, стоит внимательно изучить схему прибора. Это поможет намного быстрее устранить неполадку, при этом не навредив прибору
Важно предварительно проверить горение, иногда может быть дело в конфорке или в других составных частях
Газовая варочная поверхность
В газовой варочной панели ремонтировать самостоятельно можно только электророзжиг и систему газконтроля
Газовые плиты относятся к сложному и взрывоопасному оборудованию. Обнаружив хоть одну из нижеперечисленных поломок, незамедлительно приступайте к ремонту:
- не зажигается или выключается горелка. Причина сбоя — засорение форсунок остатками продуктов, трещины, проблемы с изоляцией свечей розжига, электромагнитным клапаном, сгорание термопары. Модели с авторозжигом не включаются при низком сетевом напряжении;
- горелка потухает в процессе работы. Самостоятельный ремонт заключается в очистке форсунок, регулировки интенсивности подачи газового топлива. Потухание возможно из-за сгорания термопары;
- электрический поджиг не искрит, не щелкает. В сети пропало напряжение, сгорел блок поджига, или окислились контакты клавиш подключения. Контакты стоит прочистить спиртом, а элемент поджига — заменить;
- слабое пламя или копчение горелок. Засорился жиклер или нужно отрегулировать воздушную заслонку, прочистить форсунку;
- сложно повернуть кран регулировки. На поворотную систему налип жир, который отмывают мыльным раствором. Второй момент — высохла графитовая смазка на кране. Ее нужно обновить;
- не включается духовка. Износилась розжигательная свеча, но самостоятельно ее заменять не стоит;
- чувствуется запах газа. Нарушение подключения. Пользователю нужно проветрить кухню немедленно. Поломку устраняют только специалисты;
- горелка выключается, когда опустилась ручка. Сбои в системе газ-контроля или термоэлектромагнитного клапана. Деталь заменяется.
Своевременное определение поломки газовой плиты — залог вашей безопасности.
Ремонт газовой варочной панели
В газовой варочной панели ремонтировать самостоятельно можно только электророзжиг и систему газконтроля. С ними, в принципе, и возникают основные проблемы. Так как газовая варочная панель с электроподжигом тоже подключается к электричеству, то при общих проблемах с электрической частью (вообще не работает пьезорозжиг) сначала проверьте наличие электропитания в розетке, осмотрите целостность провода. Если тут все нормально, можно углубляться.

Отремонтировать варочную газовую поверхность можно самостоятельно
Не работает кнопка электророзжига (нет искры)
Электророзжиг — удобная вещь, но периодически искра перестает «проскакивать» и огонь на какой-то конфорке не зажигается. Зажечь его можно если нажать кнопку другой конфорки. Они подключены параллельно и при нажатии на одну, искра есть на всех конфорках. Но такое положение ненормально и искру надо восстанавливать. Ремонт варочной поверхности в данном случае не очень сложный. Причин несколько:
- Свеча забита жиром, грязью, остатками моющих средств. Надо ее тщательно очистить и насухо вытереть.
- Проверить силовые провода, которые идут к этой свече. Для этого надо снять конфорки, верхнюю панель. Если это стеклокерамика, она может быть посажена на герметик, его подрезаем и снимаем лицевую панель. Если это металл, откручиваем фиксирующие болты. Под лицевой панелью нас интересуют силовые провода. Надо проверить наличие пробоя изоляции на массу (на землю). Для этого можно несколько раз нажать кнопку розжига, если есть пробой, в том месте будет проскакивать искра. Если видимых повреждений нет, прозваниваем провода мультиметром на целостность и на пробой с землей. Найденные неисправные проводники заменяем на аналогичные по сечению.
Надо проверить целостность проводов и их изоляции
- Если проводники целые, контакты везде нормальные, возможно проблема в кнопке. Ее разбираем, чистим, ставим все на место.
- Еще одна причина — проблемы с трансформатором электророзжига. О имеет две обмотки, каждая из которых питает две конфорки. Если между двумя противоположными конфорками измерять сопротивление оно должно быть около 600 Ом — это сопротивление обмоток трансформатора. Если оно ниже, скорее всего причина в залипшей (загрязненной) кнопке. Их разбираем, чистим, ставим на место.
Что еще можно сделать — проверить контакты и пайки. Контакты при необходимости поджать или зачистить от грязи, пайки, если обнаружатся холодные, перепаять. Как определить что пайка холодная? Если поддеваете олово чем-то твердым (концом щупа мультиметра, например), оно двигается или отлетает, в нем могут быть трещины. В таком случае разогреваем паяльник, заново расплавляем припой.
Неисправность электропроводки
Частая причина отсутствия напряжения именно в электроплитах — расходятся или замыкают контакты в клеммной коробке: если при визуальном осмотре видны почерневшие и обугленные контакты, значит причина именно в этом. В принципе, вы сами можете выправить и зачистить контакты от окисления, но лучше всё-таки вызвать электрика.
Провода в процессе эксплуатации могут выпадать из гнёзд крепления, перегорать, тереться о корпус, быть повреждены. Для начала внимательно осмотрите потенциальные проблемные места: если при визуальном осмотре обнаружить дефект не удалось, нужно будет прозвонить тестером каждый провод в отдельности. Если и это не помогло — звоните в мастерскую.
Особенности ремонта
Отремонтировать устройство электроподжига можно самостоятельно, но предварительно обязательно нужно провести тщательный осмотр прибора
Важно в первую очередь установить причину поломки, степень сложности. Если неисправность будет простой, то устранить ее можно самостоятельно
Кнопка поджига
Если плохо срабатывает функция электроподжига, то процесс починки для всех моделей бытовых изделий обычно выполняется одинаково. У всех газовых плит данная функция устроена шаблонно.
Желательно, перед тем как начать процесс ремонта, внимательно изучить устройство плиты: можно найти информацию в интернете или изучить прилагаемую инструкцию по применению. Если знать, как работает прибора, это поможет выполнить качественную и правильную починку.
Блок электроподжига
Ремонт электроподжига зависит от вида поломки. Чтобы понять, как он производится, стоит рассмотреть виды поломок и их устранение:
конфорку следует зажечь при помощи спичек или специальной зажигалки. Внимательно осмотрите вид пламени: оно должно быть ровное, светлое, должно быть распространено по всей окружности рассекателя. Если отмечается желтая окраска, то это будет указывать на неправильные показатели соотношения газа и воздуха. Чтобы устранить данную проблему, требуется выполнить чистку форсунки или ее полную замену. Возможно, причина неисправности состоит в закупорке отверстий рассекателя или в наличии в них влаги. Желательно также провести профилактические меры: провести продувание всех отверстий, вынуть корпус конфорки и тщательно исследовать его;
- обычно все электроды и выключатели соединены в параллельном порядке. Запитывание каждого электрода осуществляется от единственного блока розжига, а вот их выключение и включение производится различными кнопками. Для того чтобы установить, что именно эта кнопка перестала работать, а управляющий блок находится в нормальном состоянии, требуется проверить следующую по счету конфорку. Если газ загорается — необходимо ремонтировать кнопку. Получается, что остальные элементы в устройстве находятся в исправном состоянии;
- иногда может наблюдаться треск в системе розжига. В этих случаях рекомендуется провести проверку контактов. Данная проблема может возникнуть при их залипании от налета из жира, также на них может появиться слой нагара, который отрицательно сказывается на работе. Перед проведением ремонта плиту обязательно нужно отключить от сети, далее требуется выполнить разборку. Все контакты следует хорошо зачистить или просушить с помощью обычного фена. Однако необходимо выполнять установленные требования безопасности, это поможет избежать опасных травм.
Конфорка не включается, остаётся холодной
астая поломка электрических кухонных приборов постоянно встречается при выездном ремонте электроплиты. Причины неисправности: сгоревший переключатель режимов мощности; обрыв в цепи нагревательного элемента. Способ устранения прост: диагностика переключателя и нагревательной конфорки с помощью мультиметра. Эти компоненты не ремонтируются.

- Не работает горелка →
- Вяло горит или коптит →
- Не зажигается конфорка →
- Не работает, не включается →
- Не работает газ-контроль →
- Гаснет конфорка →
- Гаснет газ в духовке →
- Не работает поджиг →
- Починить эл. плиты→
- Устранение утечки →
- Заклинил кран →
- Плита сломалась →
- Перестала работать →
- Починить газ. плиты →
- Неисправности плит →
Электроподжиг не работает на двух конфорках
В некоторых случаях не зажигается газовая плита на двух конфорках. Иногда помогает зажигание спичкой – всё работает штатно, без перебоя. Причина этой неисправности – повреждение свечи, отвечающей за зажигание. Чиним электроподжиг следующим образом: очищаем свечу и смотрим на её состояние, возможно, достаточно только прочистить провод питания свечи.
Если на элементе есть трещина, покупаем новую деталь и ставим её на место старой. Электророзжиг может сломаться и по причине неисправности кнопки поджига. В неё могла попасть влага или мелкий мусор, либо же она была повреждена механическим путём. Чтобы это исправить, нужно зачистить окисленные кнопки или заменить их, если они повреждены механически.
Как отремонтировать?
Важно
Сначала нужно отключить электропитание. Аккуратно снять декоративную поверхность, чтобы получить доступ к внутренним деталям техники.
Выполняют внешний осмотр деталей. Любые дефекты могут говорить о причинах неисправности и указывать на методы ремонта — копоть, цветовые различия на идентичных деталях (как сделать ремонт варочной панели своими руками?).

Чтобы не допустить ошибок при сборке, нужно тщательно запоминать каждый шаг при разборке. Для этого нужно фиксировать действия или вести фотоотчёт. Последовательность действий по разборке плиты:
- Сначала нужно проверить группу питания. К ней относится кабель, контакты и блок предохранителей. Проверку выполняют мультиметром.
- Спирали индукционных катушек визуально оцениваются на наличие трещин, касаний между витками и посторонних токопроводящих предметов.
- Осмотр датчиков температуры, заодно проверяются на исправность катушки. На катушках не должно быть никаких дефектов. Датчики температуры проверяются по электросхемам, которые работают по принципу терморезисторов.
- Проводится тест на исправность соединительных проводов, которые идут от индукционной катушки до генератора. Для этого удобно также пользоваться мультиметром.
- Плата управления визуально оценивается на наличие трещин. Нужны яркая лампа и увеличительное стекло. Проверяют на просвет. Только так можно обнаружить микроскопические дефекты.
- Неисправная конфорка вынимается из корпуса вместе с платой генератора. Проводится осмотр элементной базы. Радиодетали, которые перегорели, визуально сразу бросаются в глаза, поэтому проблем с обнаружением неисправности в этой части работы нет.
Больше о том, как починить электроплиты разных моделей своими руками, читайте тут.
Нюансы
Наряду с долгим разжиганием пламени, к минусам газ-контроля можно отнести сбои в работе отдельной части плиты в случае поломки системы, а также ее не слишком простой ремонт.
Признаки, указывающие на то, что система вышла из строя:
- слишком долгое время включения;
- затухание огня без причин в процессе приготовления пищи или невозможность его разжечь изначально;
- поступление газа при непроизвольном тушении пламени.

Причин неисправностей контроллера утечки может быть несколько:
- загрязнение или износ термопары – в таких случаях элемент очищают от нагара или производят его замену;
- износ электромагнитного клапана;
- смещение термоэлемента относительно огня;
- ступор конфорочного крана;
- разъединение цепочки.
Если вообще не включается
Если оборудование вообще не включается, сразу проверяйте напряжение. При низком напряжении варочная панель может не включиться. Во избежании таких ситуаций в дальнейшем, желательно установить стабилизатор. Это значительно продлит срок службы техники, так как электроника очень чувствительна к качеству питания, а именно электронику тяжелее всего ремонтировать (и дороже).
При нормальном напряжении ремонт варочной панели продолжим осмотром сетевого шнура. Как ни странно, многие поломки связаны с его повреждением — перетерся, загнулся, передавили, лопнула/оплавилась изоляция и т.п. Сначала шнур осматриваем (отключив от сети), затем прозваниваем на целостность проводов и на пробой изоляции (каждый провод на землю и между собой).

Что делать если варочная панель не включается? Первым делом проверить шнур и контакты
Следующий шаг — проверка контакта в клеммной колодке. Ослабленный или окисленный контакт тоже может стать причиной того, что варочная панель не включается. Что делать в этом случае? Раскрутить контакт, почистить от окислов, снова хорошо затянуть.
Если признаков жизни плита по-прежнему не подает, найдите плавкий предохранитель. Он стоит на входе, перегорает при скачках напряжения — чтобы защитить от повреждений более дорогостоящие детали. Выглядеть он может по-разному, но чаще всего это стеклянная или керамическая трубочка с металлическими колпачками по краям. Некоторые виды плавких предохранителей представлены на фото ниже. Могут быть и такие варианты.

Виды плавких предохранителей
Нашли предохранитель, дальше берем мультиметр и измеряем его сопротивление. Оно должно быть небольшим. Если прибор показывает обрыв (бесконечно большое сопротивление), предохранитель перегорел. Еще один способ — поставить мультиметр в режим прозвонки и прикоснуться щупами к обоим концам предохранителя. Прибор молчит — он перегорел.
Перегоревший предохранитель вытаскиваем, заменяем на аналогичный. Именно на аналогичный — с теми же параметрами (указаны на корпусе). Ставить «жучок» или с меньшей чувствительностью не рекомендуется — при следующем скачке напряжения поломки будут гораздо серьезнее.
Из легких проверок осталась одна — проверить, доходит ли питание от клеммной колодки до блока управления. Может, проводка повредилась или контакт где-то ослаблен/отлетел. Делают это снова при помощи мультиметра. Проверяем провода на целостность (можно — прозвонкой, можно — измерив сопротивление) и наличие пробоя изоляции (на корпус и между собой). Если все параметры в норме, можно включить питание и аккуратно измерить напряжение на входе блока управления. Напряжение в норме, но варочная панель по-прежнему не включается — проблемы в блоке управления. Дальнейший ремонт варочной панели связан с этим блоком.
Стеклокерамические плиты и варочные поверхности прочно вошли в нашу жизнь еще совсем недавно, но уже пользуются повышенным спросом благодаря их хорошим эксплуатационным характеристикам. В числе главных достоинств плит со стеклокерамической варочной панелью числятся практичность, удобство использования и надежность. Но, как и любая техника, кухонные плиты часто ломаются. И это касается не только стеклокерамических, но и плит других типов.
Самое слабое место стеклокерамических плит заключается в ее варочной панели. Если на нее уронить тяжелый предмет, то она может треснуть и в этом случае потребуется замена варочной поверхности. Кроме того, стеклокерамическая плита состоит из огромного количества взаимосвязанных узлов и агрегатов, один из которых в любой момент может выйти из строя.
Если Ваша стеклокерамическая плита перестала работать, плохо нагревает, прожаривает пищу, то это весомый повод обратиться в сервисный центр «ПлитХоум». Вы можете оставить заявку на выезд мастера по предложенному телефону 8 (495) 228-39-79. При этом нужно указать, что именно случилось с плитой, а также назвать ее марку и модель. Наши мастера имеют большой опыт работы, а значит, Вы можете быть уверены в их профессионализме. Мы осуществляем ремонт стеклокерамических плит на дому в Москве недорого, качественно и оперативно.





















































