АРХИВЫ
10.1. Протоколы с результатами калибровки
хранятся не менее срока периодичности калибровки, установленного для данного
средства измерений.
10.2. (Этот пункт включается в Руководство
при наличии персональной ЭВМ МС или вычислительного центра предприятия).
Перечни
калибруемых средств измерений, калибровочного оборудования, нормативной и
методической документации на методы и средства калибровки, графики калибровки и
результаты их выполнения, протоколы калибровки заносятся и хранятся в
соответствующих банках данных ЭВМ.
ПЕРЕЧЕНЬ ОСНОВНЫХ НОРМАТИВНО-ТЕХНИЧЕСКИХ ДОКУМЕНТОВ
ПО ОРГАНИЗАЦИИ И ПРОВЕДЕНИЮ КАЛИБРОВКИ СРЕДСТВ ИЗМЕРЕНИЙ
Периодичность поверки манометров
- Мембранные.
- Спиральные.
Для того чтобы калибровка манометров была проведена с высокой эффективностью, следует уделить внимание их конструктивным особенностям. Спиральные характеризуются следующим особенностями:
- Внутри корпуса расположена спираль, которая связана с передающим элементам. Она изготавливается при применении специального металла с высокой упругостью.
- Циферблат соединен со спиралью, за счет проводится смена положения стрелки. Циферблат работает по механическому принципу, представлен шкалой со стрелкой. Как правило, на поверхности отображаются единицы измерения и другая более важная информация.
- При повышении давления проводится раскручивание спирали, за счет чего стрелка отклоняется в большей степени. От размеров этого элемента зависит диапазон, в котором могут проводится измерения.
Мембранные варианты исполнения функционируют за счет плоской пластины, которая связана с передающим элементом. При повышении давления мембрана прогибается в большей степени, за счет чего стрелка смещается.
Периодичность проведения поверки зависит от самых различных моментов, в том числе области применения устройства. В некоторых случаях нужно проводить процедуру один раз в год, в других на протяжении 5 лет. Входной контроль проводят многие организации с выездом на объект, так как в некоторых случаях процедуру должен проводить сертифицированный специалист и с учетом предъявляемого требования к обработке.
За счет этого точность показаний манометра находятся на высоком уровне.
Сегодня госповерку проводят при контроле состояния измерительных приборов ответственных систем. Расшифровываются полученные данные самым различным образом, поэтому процедура проводится исключительно специалистом.
I—
J


в)
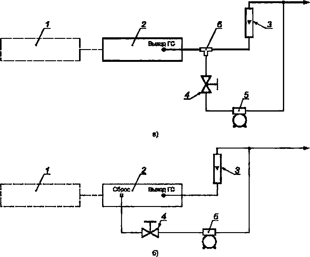
1 — генератор нулевого воздуха (используется в комплекте с калибратррои газовых смесей); 2 — генератор озона или калибратор газовых спесей. 3 — насадка для подачи ГС на поверяемый газоанализатор: 4 — поверяемый газоанализатор
Рисунок Б.З — Газовая схема для подачи ГС на газоанализаторы с диффузионным отбором пробы (а — для генераторов или калибраторов без выхода сброса излишков ГС. 6 — для генераторов или калибраторов с выходом сброса излишков ГС)
11
ГОСТ Р 8.924—2016

> — генератор нулевого воздуха (используется в комплекте с калибра торой газовых смесей); 2 — генератор озона или калиб ратор газовых смесей: 3 — ротаметр: 4 — вентиль тонкой регулировки: 5 — вспомогательный побудитель расхода: б — трой
ник из фторопласта или стекла
Рисунок Б.4 — Газовая схеме для установки расходе через насадку для подачи ГС для газоанализаторов с диффузионным отбором пробы (в — для генераторов или калибраторов без выхода сбросе излишков ГС. б — для генервторов или калибраторов с выходом сброса излишков ГС)
12
ГОСТ Р 8.924—2016
Приложение В
{рекомендуемое)
Форма протокола поверки газоанализаторов
Протокол поверки
№___от_
1 Наименование, тип. модификация_
2 Заводской номер_
3 Дата выпуска_
А Регистрационный номер в Федеральном информационном фонде по обеспечение единства измерений
5 Владелец_
6 Наименование нормативного документа по поверке
7 Средства поверки:_
в Вид поверки (лервичная/периодичвская)
(нужное подчеркнуть)
9 Условия поверки:
• температура окружающего воздуха_
• относительнаяелажносгьвоздуха_
• втмосферноедавлвнне_
Ю Результаты проведения поверки_
Ю.1 Результаты внешнего осмотра_
10.2 Результаты опробования_
Результаты проверки объемного расхода ГС1>_
Результаты подтверждения соответствия ПО_
Ю.З Результаты определения метрологических характеристик 10.3.1 Определение основной погрешности
Диапазон измерений массовой концентрации (объемной доли) озона, мг/м^илн**) | Пределы допускаемой погрешности изыеремиа массовой концентрации {объемной доли) озона е ГС | Действительное значение массовой концентрации {объемной доли) озона в (-Й ГС. мг/м* | Измеренное значение массовой концентрации (объемной допи) озона при подаче ий ГС. мгЬг* (мм*1) | Значение погрешности, полученное при поверке | |
абсолютной | относительной | ||||
Приводят для газоанализаторов со встроенным побудителем расхода.
13
ГОСТ Р 8.924—2016
Вывод__
Заключение_. зав. N»__
{наименование, тип. модификация СИ)
соответствует (не соответствует) предъявляемым требованиям и признано годным (негодным) к применению.
Поверитель_ _
(подпись) (инициалы, фамилия)
Выдвно свидетельство о поверке_от__
(выдано извещение о непригодности_от__)
14
ГОСТ Р 8.924—2016
Библиография
ШДЕК.421322.002ТУ
ТУ 25-1894.003-90
ТУ 6-21-5-82
Приказ Ростехнадзора от 25 марта 2014 r.Ns 116
(5) Р 50.2.077—2014
Приказ Министерства промышленности и торговли РФ от 2 июля 2015 г. № 1615
Расходомеры газа «Поток». Технические условия Секундомеры механические. Технические условия Газы поверочные нулевые. Воздух. Технические условия Об утверждении федеральных норм и правил в области промышленной безопасности «Правила промышленной безопасности опасных производственных объектов, на которых используется оборудование, работающее под избыточным давлением»
Государственная система обеспечения единства измерений. Испытания средств измерений в целях утверждения типа. Проверка защиты программного обеспечения
Об утверждении Порядка проведения поверки средств измерений, требований к знаку поверки и содержанию свидетельства о поверке
15
ГОСТ Р 8.924—2016
УДК 681.2.089:006.354 ОКС 17.020
Ключевые слова: газоанализаторы озона, методика поверки
Редактор /7.6. Чернышова Технический редактор в.Ю. Фотиооа Корректор П.С. Лысенко Компьютерная верстка И.А Нвлеоконои
Сдано в набор 02.09.2016. Подписано в печать 12.09.2016 Формат 60 ■ 64 Гарнитура Ариап. Уел. печ л. 2.32. Уч.-иад. л. 1.65. Тираж 36 ака. За*. 2143.
Подготовлено на основе электронной версии, предоставленной разработчиком стандарта
Издано и отпечатано во ФГУП «СТАНДАРТИМФОРМ». 123995 Моема, Гранатный пер.. 4.
Лаборатория поверки газоанализаторов
Метрологическая служба КПО-Электро в течение многих лет предоставляет услуги по первичной и периодической поверке газоаналитического оборудования и калибровке всех видов приборов, включающих в себя стационарные, переносные и портативные газоаналитические средства измерений (газоанализаторы, газосигнализаторы, детекторы и датчики) для контроля содержания концентрации одного или нескольких веществ в воздухе или газовых средах.
Компания имеет собственную лабораторию, оснащенную новейшим оборудованием, в которой работают специалисты, имеющие многолетний опыт работы с газоаналитическими приборами любой сложности.
Метрологическая служба компании КПО-Электро оказывает полный спектр услуг для пользователей отечественных и импортных производителей, таких как:
- Draeger/Дрегер (различные модели серий Pac, X-am, Polytron, PIR, PEX и др.)
- Honeywell Analytics (BW GasAlert, ToxiRAE Pro, MultiRAE, MultiRAE Pro, MultiRAE Lite, QRAE 3, Searchpoint Optima Plus, XNX, Аpex, Satellite ХТ и др.)
- Электронстандарт-Прибор (СГОЭС, ССС-903 и др.)
- Аналитприбор (АНКАТ-7664Микро, СТМ-30М, ДАХ, ДАК и др.)
- Oldham (OLC/OLCT, CTX, MX 2100, BM 25 и др.)
- Net Safety Monitoring (Emerson) (Millennium II, Millennium II Basic)
- MSA (ULTIMA X, PrimaX, ALTAIR и др.)
- Эрис (ПГ ЭРИС-411, ПГ ЭРИС-414, ДГС ЭРИС-210, ДГС ЭРИС-230 и др.)
- Detcon (IR-700, TP-700, FP-700 и др.)
- Seitron (RGD, SGY, SGW и др.)
- Bertoldo (Domino)
- НПП “Дельта” (ИГС-98, Сенсис)
Поверка газоанализаторов и калибровка стационарных и переносных газоанализаторов осуществляется исключительно с применением методик, одобренных и разрешенных для использования со стороны профильных организаций государственного контроля.
Результатом поверки средства измерения является предоставление заказчику поверенного газоанализатора, допущенного к применению, с выдачей свидетельства о поверке установленного образца. В случае выявления несоответствия утвержденным техническим характеристикам возможно осуществление настройки и/или ремонта изделия.
Быстро, надежно, недорого…
Компанией «КПО-Электро» была разработана максимально удобная и продуманная схема работы, которая является абсолютно понятной, удобной и выгодной для заказчиков.
Работая с нами у вас всегда есть возможность:
- проведения срочной поверки газоанализаторов на вашей территории;
- выбора способа доставки приборов на поверку и возврата их на место эксплуатации;
- получения услуг персонального менеджера для согласования индивидуальных условий – стоимость и сроки поверки устройства;
- использовать уникальный программный комплекс нашей организации, который позволяет сократить время формирования заявки на поверку и получать оперативную информацию заказчику о ходе поверке.
Аттестат аккредитации
Услуги оказываются на основании аттестата аккредитации в области обеспечения единства измерений на право выполнения работ (и оказания услуг) по поверке средств измерений № RA. RU. 311968 от 09 декабря 2016 г., выданный Федеральной службой по аккредитации (РОСАККРЕДИТАЦИЯ).
Условия для проведения работ
Первым делом обеспечивают безопасность. Для поверки подходят только те помещения, где есть приточно-вытяжная вентиляция. После выполнения этого требования проверяют содержание вредных веществ в рабочей зоне предприятия, а норму указали в ГОСТ 12.1.005.

Владелец предприятия отвечает за безопасность в помещении для поверки, для каждого вида взрывоопасного газа есть допустимая концентрация в воздухе
Сотрудников защищают от ударов электричеством — исходя из ГОСТ 12.2.007.0 и по остальным требованиям из правил техники безопасности. Использование газовых смесей в баллонах нормируют ПБ 03-576-03, они же — Правила устройства и безопасной эксплуатации сосудов, работающих под давлением.
Для проведения поверки придется соблюсти такие требования и ограничения:
- напряжение в 220 В;
- расход ПГС на уровне 0,18—0,35 дм³/мин;
- атмосферное давление не ниже 84 кПа и не выше 106;
- относительная влажность воздуха в пределах 30—80 %;
- температура окружающей среды от +15 до +25 °C.
Поверку проводят только аттестованные сотрудники по средствам измерения величин по ПР 50.2.012-94. Прежде чем сделать свою работу, они должны прочитать руководство к газоанализатору, а также поработать с приборами.
В процессе специалист будет вести протокол и вписывать следующие данные:
- номер документа;
- дату;
- имя владельца газового анализатора;
- номер поверяемого устройства;
- показания прибора и параметры погрешностей.
В итоге владелец измерителя получит подписанное свидетельство с отметкой «Годен», но если с качеством прибора не повезет — то извещение с записью «Не годен».
Представители Центра стандартизации и метрологии сразу же прекратят поверку, если получат неудовлетворительный результат по вариации показаний, основной или абсолютной погрешности, времени срабатывания сигнализации.

Акт о поверке должен подтвердить пригодность изделия, а также засвидетельствовать соответствие методике для конкретного газоанализатора, с указанием его наименования и серийного номера
Оборудование для учета топлива перед поверкой должно иметь информационный блок, зарядник и паспорт. То же касается акта о последней поверке, если ее проводили, а также сменных кассет и выносных зондов, если таковые присутствуют.
Требования к поверке манометров
Для сверки основных параметров измерительного прибора следует уделять внимание основным требованиям, которые предъявляются к проведению рассматриваемой процедуры. К ним можно отнести следующие моменты:
- Перед непосредственной проверкой следует предоставить документы, которые подтверждают прохождение этой процедуры ранее. Результаты, которые были получены ранее, также могут потребоваться при очередной поверке. Некоторые компании не проводят рассматриваемую процедуру в случае отсутствия соответствующего документа.
- Если устройство является частью ответственного механизма, то оно должно иметь пломбу. В противном случае механизм не может применяться по предназначению.
- В зависимости от давления в системе подбирается наиболее подходящее оборудование. Наиболее важными параметрами можно назвать диапазон измерений, а также область применения устройства.
- Данные с применяемого устройства должны хорошо считываться. Для этого выбираются наиболее оптимальные условия работы.
- Установка манометра должна проводится исключительно с соблюдением всех мер безопасности. Довольно распространенной ошибкой можно назвать снижение прочности соединения. При подаче сильного давления может появиться утечка, которая снизит давление в системе.

Все установленные нормы учитываются специалистом, который проводит поверку устройства. Если не учитывать требование, то состояние конструкции нельзя будет проверить с высокой точностью.
3.1 . Требования к организации калибровочных работ
3.1.1 . Метрологическая служба для организации и проведениякалибровочных
работ должна располагать:
средствами
калибровки;
документацией
на калибровку;
персоналом;
помещениями.
3.1.2 . К средствам калибровки предъявляются
следующие требования.
Метрологическая
служба должна иметь средства калибровки, отвечающие требованиям нормативных
документов по калибровке и соответствующие области аккредитации.
Средства
калибровки должны содержаться в условиях, обеспечивающих их сохранность и
защиту от повреждений.
Потребность
метрологических служб (калибровочных лабораторий) в средствах калибровки
определяется по МИ 2314-94.
3.1.3 . К документации на калибровку
предъявляются следующие требования.
Метрологическая
служба должна иметь актуализированную документацию, включающую:
положение
о метрологической службе (калибровочной лаборатории);
аттестат
аккредитации на право проведения калибровочных работ;
должностные
инструкции;
графики
поверки средств калибровки;
графики
калибровки средств измерений;
нормативно-технические
документы на калибровку (поверку, методики, инструкции, методические указания и
т.д.);
техническое
описание и инструкции по эксплуатации на средства калибровки и средства измерений;
паспорт
на средства измерений и средства калибровки;
документы,
определяющие порядок учета и хранения информации и результатов калибровки
(протоколы, рабочие журналы, отчеты и т.п.);
документы
об образовании и аттестации специалистов, выполняющих калибровку средств
измерений (дипломы, свидетельства, сертификаты, удостоверения);
акты
о состоянии производственных помещений.
Метрологическая
служба должна иметь систему обеспечения качества, соответствующую ее
деятельности в области калибровки и объему выполняемых работ. Форма
«Руководства по качеству» приведена в приложении 3.
3.1.4 . К персоналу калибровочных лабораторий
предъявляются следующие требования.
Специалисты
метрологической службы должны иметь профессиональную подготовку и опыт
калибровки средств измерений в заявленной области аккредитации.
Для
каждого специалиста должны устанавливаться функции, обязанности, права и
ответственность, требования к образованию, техническим знаниям и опыту работы,
что должно быть отражено в должностной инструкции.
Специалист,
выполняющий калибровку средств измерений, должен быть аттестован в порядке,
установленном в электроэнергетике.
Подготовка
и аттестация персонала должна осуществляться в соответствии с требованиями РД
34.11.112-96.
3.1.5 . К помещениям калибровочных лабораторий
предъявляются следующие требования.
Помещения
должны соответствовать по производственной площади, состоянию и обеспечиваемым
в них условиям требованиям применяемых нормативно-технических документов по
калибровке, санитарным нормам и правилам, требованиям безопасности труда и
охраны окружающей среды.
Потребность
метрологических служб (калибровочных лабораторий) в производственных площадях
определяется по МИ 670-84.
При
размещении калибровочного оборудования рекомендуется соблюдать следующие нормы:
ширина прохода — не менее 1,5 м; ширина незанятого пространства около отдельных
калибровочных установок (комплектов средств поверки) или стационарных их
элементов — не менее 1 м; расстояние от шкафов и столов со средствами измерений
или калибровки до отопительных систем — не менее 0,2 м; расстояние между
рабочими столами, если за столом работает один калибровщик, — не менее 0,8 м, а
если два — не менее 1,5 м.
Коэффициент
естественной освещенности на поверхности стола калибровщика допускается в
пределах 1,00 — 1,50. Освещенность на уровне рабочего места не должна быть
менее 300 лк.
Операции,
связанные с применением агрессивных, токсичных или взрывоопасных веществ или с
подготовкой средств измерений к калибровке (расконсервацией, очисткой и т.п.) и
сопровождаемые загрязнением воздуха или огнеопасными выделениями, рекомендуется
производить в отдельных изолированных помещениях.
5 Средства поверки
5.1 При проведении поверки применяют средства, указанные в таблице 2.
Таблица 2 – Средства поверки | ||||||||
|
3
Окончание таблицы 2 | |||||||||||||||||||||||||||||||||||
|
Таблица 3 – Метрологические характеристики ГС. используемых при no-верке СИ | |||||||||||||
|
11 При содержании компонента (определяемого или поверочного) в ГС свыше 50 % НКПР в целях обеспечения безопасности следует использовать ГС состава «компонент – азот», если возможность замены воздушной среды на азотную предусмотрена в ЭД поверяемого средства измерений
2) коэффициент пересчета для поверочного компонента, установленный в ЭД для i-ой точки поверки (в общем случае для точек поверки 2 и 3 значения коэффициентов пе-ресчета для поверочного компонента могут отличаться)
5.2 Допускается применение других средств, не приведенных в таблице 2. класс точности и метрологические характеристик которых не хуже указанных.
5.3 Все средства поверки должны иметь действующие свидетельства о поверке (аттестации). ГС в баллонах под давлением – действующие паспорта (сертификаты), камера климатическая – действующее свидетельство об аттестации.
В чем суть методики поверочных работ?
Методика поверки представляет собой документ с подробно описанными операциями для подтверждения годности газоанализатора. Для разных марок и моделей подход отличается.
Выдержка из методики для газоанализаторов моделей 1800, 1900, 2200, 5100, 5200 компании Servomex Group Limited: первый пункт — операции поверки
В документ обычно включают 7 пунктов:
- Операции поверки. Речь идет о главных показателях, включая погрешности.
- Средства. К ним относят приборы и газовые смеси для опробования и определения метрологических характеристик.
- Требования безопасности.
- Условия для проведения.
- Подготовка.
- Проведение.
- Оформление результатов поверки. На этом этапе поверяющий составляет протокол и выдает документ-свидетельство.
Непосредственно поверку начинают с того, что присоединяют баллон с поверочным газом к вентилю регулировки. Потом к выходу подводят ротаметр. Последний присоединяют с адаптером для поверочных работ. Смесь затем пускают на вход газоанализатора, и когда прибор даст показания, их фиксируют.
Специалист рассчитает погрешность и определит время, которое ушло на установление показаний. Поверяющий сравнит показатели с нормативами и оформит результаты.
Особенности приборов для анализа газа
Газоанализатор — это прибор для определения количественного и качественного состава газовой смеси. Так говорит наука. Широкое распространение получили ручные абсорбционные анализаторы, в которых реагенты постепенно поглощают составляющие газа. Автоматические устройства в постоянном режиме определяют физические и физико-химические величины смесей и их компонентов.
Анализаторы газа делят на 3 группы. Все приборы действуют на физических методах анализа, а различие выражается в возможности учитывать химические процессы.
Сигма-03 — стационарный многоканальный анализатор с отдельными блоками и модулями, среди которых инфоблок СИГМА-03.ИПК, в комплекте также идут выносливые датчики в количестве до 8
Приборы 1-го типа мониторят в том числе сопутствующие химические реакции. Анализаторы определяют изменения в давлении топливной смеси и ее объеме после химического взаимодействия между составляющими.
Газоанализаторы 2-го типа выдают показатели физического анализа, который распространяется на хроматографические, фотоионизационные, электрохимические, термохимические и другие физические и физико-химические процессы.
Устройства 3-го типа работают только по принципу физического анализа. Методы измерения у них бывают магнитные, денсиметрические, термокондуктометрические и оптические.
Приборы для анализа газовых смесей также классифицируют:
- по назначению;
- по числу измерительных каналов;
- по количеству измеряемых компонентов;
- по конструкции;
- по функционалу.
Стоит подробнее знать об устройствах, различающихся по последнему признаку. Газоанализаторы выполняют функции обычных измерительных приборов, а также сигнализаторов, течеискателей, индикаторов.
Как производится поверка
Поверка манометров – это выявление несоответствий или установление соответствия показаний прибора действительным. Для выявления данного соответствия производится снятие показаний с устройства и сравнение их с показаниями эталонного манометра. После сопоставления данных выявляется возможность дальнейшего применение прибора. Если показатели манометра соответствуют нормативным, устанавливается отметка о проведении поверки, и он используется далее. Если в процессе манипуляций выявлены сильные погрешности в показаниях, прибор калибруется. Если же показатели сильно отличимы от действительных и калибровкой решить проблему не удается, то прибор утилизируется и больше не применяется. Такой прибор считается не поверенным и использоваться не может.
В случае положительного результата поверки на стекло прибора или его корпус ставится небольшой штамп, где указан год и месят совершения данной операции. Аналогичная отметка делается в техническом паспорте устройства. Выполнять поверку может только специальная лицензированная организация, поднадзорная контролирующим органам. Она же имеет право устанавливать штамп о совершении процедуры. Представитель организации должен снять манометры и принести на место проведения поверки.
Выводы и полезное видео по теме
Обзор бытового газоанализатора, подключение, принцип действия, тестирование:
Поверка анализаторов газа и сигнализаторов загазованности с помощью современного оборудования:
Сами поверки не вызовут организационных сложностей, тем более если вопросам безопасности уделяли должное внимание. Устройство для определения состава газа признают годным после того, как основная и абсолютная погрешности окажутся приемлемыми
Вполне возможно, что сроки для поверки газоанализатора станут проблемным моментом. Потребителю следует добиваться годичного интервала вместо необоснованно короткого периода. Неудовлетворительный результат по метрологическим характеристикам тоже можно оспорить.
Оставляйте свои комментарии, задавайте вопросы по теме статьи, делитесь опытом и обменивайтесь полезной информацией. Форма для связи расположена под статьей.

























































