Как сделать терморегулятор своими руками: пошаговая инструкция
Рассмотрим, как изготавливаются терморегуляторы (термореле) с датчиком температуры воздуха своими руками на 12 В. Сборка прибора осуществляется в такой последовательности:
- Прежде всего, нужно подготовить корпус. Подойдет отслуживший свое счетчик, например, «Гранит-1».
- Схему можно собрать на плате от того же счетчика. К прямому входу компаратора (помечен знаком «+») подключается потенциометр, позволяющий задавать температуру. К инверсному входу (знак «-») – термодатчик LM335. Если напряжение на прямом входе окажется более высоким, чем на инверсном, на выходе компаратора установится высокий уровень (единица) и транзистор подаст питание на реле, а оно – на нагреватель. Как только напряжение на инверсном входе окажется большим, чем на прямом, уровень на выходе компаратора станет низким (ноль) и реле отключится.
- Чтобы обеспечить перепад температур, то есть срабатывание терморегулятора, к примеру, при 23-х градусах, а отключение – при 25-ти, необходимо при помощи резистора создать отрицательную обратную связь между выходом и прямым входом компаратора.
- Трансформатор для питания терморегулятора можно изготовить из катушки от старого электросчетчика индукционного типа. На ней имеется место для вторичной обмотки. Чтобы получить напряжение в 12 В, необходимо намотать 540 витков. Их удастся уместить, если использовать провод диаметром 0,4 мм.

Простой самодельный термостат
Для включения нагревателя удобно использовать клеммник счетчика.
Принцип работы
Принцип, по которому работают все регуляторы, – это снятие физической величины (температуры), передача данных на схему блока управления, решающего, что нужно сделать в конкретном случае.
Если делать термореле, то наиболее простой вариант будет иметь механическую схему управления. Здесь с помощью резистора устанавливается определённый порог, при достижении которого будет дан сигнал на исполнительный механизм.
Чтобы получить дополнительную функциональность и возможность работы с более широким диапазоном температур, придётся встраивать контроллер. Это же поможет увеличить срок эксплуатации прибора.
На данном видео вы можете посмотреть как самостоятельно изготовить терморегулятор для электрического отопления:
Принцип действия

Схема терморегулятора многофункциональна. Отталкиваясь от её основания, можно создать любой адаптированный аппарат, который будет максимально удобным и простым. Мощность питания выбирается в соответствии с имеющимся напряжением катушки реле.
В принципе работы регулировочного прибора лежит особенность газов и жидкостей сжиматься или расширяться во время остывания или нагревания. Поэтому в основе действия водяных и газовых комплектаций положена одна и та же суть.
Между собой они отличаются только в быстроте реакции на перемену температуры в доме.
Принцип действия аппарата основан на следующих этапах:
- В результате изменения температуры обогреваемого объекта, происходит перемена работы теплоносителя в отопительном механизме.
- Вместе с этим, это заставляет сифон увеличивать или уменьшать свои габариты.
- После этого, происходит смещение золотника, который балансирует впуск теплоносителя.
- Внутренняя часть сифона заполнена газом, способствуя равномерной регулировке температуры. Встроенный термодатчик следит за внешней температурой.
- Каждому значению уровня тепла приравнивается конкретное значение силы давления рабочей атмосферы внутри сифона. Недостающее давление возмещает при помощи пружины, которая контролирует работу штока.
- В результате повышения градусов конус клапана начинает передвигаться в сторону закрытия до того момента, пока уровень рабочего давления в сифоне не станет уравновешенным благодаря усилиям пружины.
- В случае понижения градусов, работа пружины носит обратный характер.
Результат работы зависит от вида и функциональности регулирующего клапана, находящегося в прямом подчинении от контура обогрева и диаметра подводящей трубы.
Принципиальные схемы подсоединения
Все способы включения термостата в систему отопления делятся на три варианта подсоединения:
- Непосредственно к котлу.
- К циркуляционному насосу.
- На трубу, подающую теплоноситель в радиатор.
Первые две схемы исключают ухудшение пропускной способности трубопровода отопления. В него никаких дополнительных запоров не помещается, гидравлическое сопротивление всей системы не изменяется. Термостат здесь управляет работой только насоса или котла, с водой он “не соприкасается”.
При установке терморегулятора на батарею или общую трубу с несколькими радиаторами гидравлическое сопротивление, наоборот, повышается. Даже в полностью открытом состоянии клапан термостата немного замедляет движение теплоносителя.
В идеале проект обвязки котла необходимо производить сразу с учетом всех терморегулирующих и иных устройств.
Врезать термостаты в существующие отопительные трубопроводы следует только в крайнем случае, максимальной эффективности от их применения можно добиться лишь при включении их в систему еще на стадии проектирования
Если система водяного отопления в доме сделана по однотрубной схеме, то от третьего варианта лучше сразу отказаться. При срабатывании термодатчика клапан перекроет сразу всю ветку радиаторов в нескольких комнатах, и тогда о комфорте в дальних от котла помещениях можно сразу забыть.
Подключать термостат на вход радиатора следует через байпас. Так он при срабатывании перенаправит поток теплоносителя в обход батареи. При этом вода будет возвращаться неостывшей обратно в котел. Последний перестанет ее нагревать, снижая тем самым потребление газового топлива или электроэнергии.
При установке термостатного датчика температуры воздуха следует придерживаться определенных правил, иначе под воздействием соседних приборов или предметов он будет ложно срабатывать
Термодатчик необходимо монтировать:
- в месте, куда не попадают прямые солнечные лучи;
- подальше от мостиков холода, сквозняков и поднимающихся потоков тепла от радиаторов;
- так, чтобы он не оказался закрытым декоративными экранами или шторами;
- на высоте от пола в пределах 1,2–1,5 метра.
При неправильной установке сенсора термостат станет выдавать ложные сигналы. Это может привести к перегреву не только воздуха в комнате, но и теплоносителя в системе. А во втором случае недолго и до проблем с котлом.
Для чего нужен регулятор тяги?
Интенсивность горения зависит не только от качества топлива. Необходимо обеспечить приток холодного свежего воздуха, насыщенного кислородом. Для этого в нижней части котла предусмотрен клапан подачи воздуха. В некоторых моделях его функцию выполняет дверца зольника.
Как это работает:
Манипулируя заслонкой дымохода и клапаном подачи воздуха, можно добиться интенсивной вертикальной тяги. Нагретые продукты горения (включая углекислый газ) естественным путем поднимаются по дымоходу, создавая в топке эффект разрежения.
Свежий воздух, насыщенный кислородом, всасывается через нижний клапан, поддерживая горение топлива. При максимальной тяге поддерживается высокая температура, топливо быстро сгорает. Во-первых, это не экономично. Во-вторых, существует риск закипания воды в котле.
Если тяга слабая, топливо не будет разгораться, теплоноситель останется холодным. В некоторых случаях (при неблагоприятных погодных условиях), для ускоренного розжига котла используют принудительное нагнетание воздуха. Например, с помощью вентилятора.
Любой экономный хозяин хочет поддерживать процесс длительного горения, когда топливо расходуется равномерно. Для того, чтобы не тратить время на постоянный контроль, твердотопливные котлы оснащаются автономным регулятором тяги.
Популярное: Как сделать коптильню своими руками из подручных (или совсем бесплатных) материалов
Обычно в базовую комплектацию устройство не входит. Чтобы поддерживать нормальную комнатную температуру, регулятор устанавливается самостоятельно, как дополнительная опция.
Принцип работы регулятора
Поскольку подача воздуха в топку регулируется механически – с помощью клапана или зольной дверцы, необходим привод, который обеспечит необходимый угол открывания заслонки. Именно так работает регулятор тяги для котла.
В топочной камере устанавливается датчик температуры, который передает исполнительному устройству команду на открытие (закрытие) воздушного клапана. При сильном нагреве – заслонка прикрывается, уменьшая интенсивность горения.
Виды
Полуавтомат из инвертора своими руками
В простейшем варианте (реле холодильника) применяют механический переключатель. Для более точной регулировки (обороты двигателя) используют не только микроэлектронику, но и специализированное программное обеспечение.
Терморегулятор на трех элементах
Чтобы сделать простой терморегулятор своими руками схема для блока питания персонального компьютера подходит лучше других вариантов.

Термистором измеряют температуру в контрольной точке. Потенциометром устанавливают оптимальное значение для включения вентилятора. Изменять обороты данная схема не способна. Подключает индуктивную нагрузку MOSFET транзистор. Допустимо применение аналога с подходящими силовыми характеристиками.
Терморегуляторы для котлов отопления
Регулятор температуры своими руками можно сделать в рамках проекта модернизации старого котла. Не имеет значения вид топлива, хотя проще обеспечить хороший результат с применением газового оборудования.

Цифровой терморегулятор
В этом примере разработчики создавали устройство поддержания температурного режима в хранилище фруктов (овощей). Для анализа поступающих данных выбрана микросхема со следующими блоками:
- таймеры;
- генератор;
- два компаратора;
- модули обмена, сравнения и передачи данных.
При соответствующем положении переключателей светодиодная матрица показывает актуальное значение температуры или контрольный уровень. Кнопками в пошаговом режиме устанавливают нужный порог срабатывания.
Схема с регулировкой гистерезиса
Настройка терморегулятора
Как уже говорилось, терморегулятор на базе датчика LM335 в настройке не нуждается. Достаточно знать напряжение, подаваемое потенциометром на прямой вход компаратора.
Измерить его можно при помощи вольтметра. Необходимое значение напряжения определяется по приведенной выше формуле.
Если нужно, к примеру, чтобы прибор срабатывал при температуре в 20 градусов, оно должно составлять 2,93 В.
Если в качестве термодатчика применяется какой-либо иной элемент, эталонное напряжение придется проверять опытным путем. Для этого необходимо воспользоваться цифровым термометром, например, ТМ-902С. Для точности настройки датчики термометра и терморегулятора можно соединить посредством изоленты, после чего их помещают в среду с различной температурой.

Терморегулятор из подручных материалов
Ручку потенциометра нужно плавно вращать, пока терморегулятор не сработает. В этот момент следует посмотреть на шкалу цифрового термометра и отображаемую на ней температуру нанести на шкалу терморегулятора. Можно определить крайние точки, например, для температуры в 8 и 40 градусов, а промежуточные значения отметить, разделив диапазон на равные части.
Если цифрового термометра под рукой не оказалось, крайние точки можно определять по воде с плавающим в ней льдом (0 градусов) или по кипящей воде (100 градусов).
Какие детали понадобятся: терморегулятор своими руками
Для датчика температуры чаще всего используют терморезистор, это элемент который регулирует электрическое сопротивление в зависимости от температурного показателя.
Так же часто применяют полупроводниковые детали:
- Диоды;
- Транзисторы.
На их характеристики температура должна оказывать такое же влияние. То есть при нагреве должен увеличиваться ток транзистора и при этом он должен престать работать, не смотря на входящий сигнал. Нужно учесть, что такие детали обладаю большим недостатком. Слишком сложно провести калибровку, говоря точнее, будет трудно привязать эти детали к некоторым датчикам температуры.
Однако на данный момент промышленность не стоит на месте, и вы можете увидеть приборы из серии 300, это LM335, которым все чаще рекомендуют воспользоваться специалисты и LM358n. Не смотря на очень низкую стоимость, данная деталь занимает первую позицию в маркировках и ориентируется на сочетание с бытовой техникой. Стоит упомянуть, что модификации этой детали LM 235и 135 успешно применяются в военных сферах и промышленности. Включая в свою конструкцию около 16 транзисторов, датчик способен работать в качестве стабилизатора, а его напряжение будет полностью зависеть от температурного показателя.
Зависимость заключается в следующем:
- На каждый градус будет приходиться около 0, 01 В, если ориентироваться на Цельсий, то на показатель 273 результат на выходе составит 2, 73В.
- Диапазон работы ограничивается в показателе от -40 до +100 градусов. Благодаря таким показателям, пользователь полностью избавляется от регулирований методом проб и ошибок, а требуемая температура будет в любом случае обеспечена.
Так же кроме датчика температур вам потребуется компаратор, лучше всего приобрести LM 311, который выпускает тот же производитель, потенциометр для того чтобы сформировать эталонное напряжение и выходную установку чтобы включать реле. Не забудьте приобрести блок питания и специальные индикаторы.
Как выбрать?
Там, где централизованного снабжения газом нет, для отопления построек применяются котлы, работающие на электричестве. Среди их преимуществ можно назвать отсутствие необходимости создания дымохода, экологичность, простоту монтажа, хорошую производительность, наличие панели управления для работы в авто режиме. Если говорить о недостатках, то он по сути один – высокое потребление электрической энергии, что и становится причиной большой стоимости таких систем. Но если установить комнатный терморегулятор, то это даст возможность снизить энергетические затраты на 25 – 30 процентов и осуществить настройку индивидуального обогревательного режима.
Перед приобретением следует помнить, что лучше всего, если котел и термостат будут выпущены одной компанией. Популярностью пользуются решения, которые произведены такими компаниями, как Baxi, Ariston, Bosch и другие.
Кроме того, следует брать в расчет следующие факторы:
учитывать целевую аудиторию (если вы покупаете прибор для дома, где живет пожилой человек, то поинтересуйтесь, сможет ли он разобраться с каким-нибудь программируемым беспроводным регулятором с датчиком воздуха); при выборе модели обратить внимание на простоту управления (знать его предельный и аварийный режимы); лучше приобретать терморегулятор, оснащенный дисплеем (такие модели удобнее тем, что кроме какого-то заданного параметра, дают возможность увидеть температуру воздуха в интересующий момент времени);
- для работы термостата нужно электричество, а в сельской местности часто с ним бывают проблемы (по этой причине лучше покупать модели, которые не слишком чувствительны к отсутствию электричества, например, механические;
- если вы отдаете предпочтение электронному варианту, то следует брать модель, которая будет хотя бы работать от батареек или же устанавливать в доме источник бесперебойного питания;
- все приборы отличаются друг от друга по мощности, поэтому для правильной работы регулятора, следует точно знать технические характеристики прогреваемого помещения;
- следует брать в расчет и материал, из которого изготовлена постройка (в домах, сделанных из дерева, проводные термодатчики лучше не устанавливать по причине того, что проштробить под них каналы в дереве будет нельзя).
Отечественный или китайский терморегулятор для инкубатора – обзор
Инкубатор можно приобрести в готовом виде со всеми необходимыми опциями. Специально для тех, кому необходимы индивидуальные параметры, на рынке имеется широкий ассортимент универсальных или специализированных контроллеров, решающих одну узкую или целый спектр задач.
Ниже рассмотрим готовые предложение российских и китайских терморегуляторов для инкубаторов.
Отечественные / из стран СНГ
Контроллер «Мечта-1» . Производится компанией AKIP-DON (Украина). Чувствительность термоэлемента (погрешность) – до 0,1°C. Диапазон температур – 0-85°C. Работает в цепях с переменным напряжением 220В, с силой тока – до 16 А. помимо температуры, контроллер может управлять уровнем влажности (от 10 до 100%) и поворотом лотков с яйцами (за счет таймера работы и простоя).

Терморегулятор для инкубатора «Золушка». Устройство поставляется в комплекте готового инкубатора, хотя многие магазины предлагают приобрести термостат отдельно. Всего существует две модификации: для работы от сети 220В и комбинированные (как от 220 В, так и от постоянного тока 12 В). Подойдет такой регулятор температуры и к другим отечественным инкубаторам, таким как «Ястреб», «Золушка», «Наседка» и т.п. Погрешность измерения температуры – 0,2°C.
Терморегулятор ЦТР-1 С. Отличается невысокой ценой и простой настройкой. Выставляется только требуемая температура, порог отключения ниже на 0,2°C. Работает с активной нагрузкой, например, с тэнами или нагревателями мощностью до 1 кВт. Дополнительных опций кроме нагрева – нет.

Терморегулятор для инкубатора на Алиэкспресс
RINGDER RC-113M с PID-контроллером . Интересное устройство с приемлемой ценой за такой функционал. Работает от сети переменного тока 220В. В настройках можно выставить порог включения и отключения отдельно. Точность измерения внешним датчиком – до 0,1°C. Контроллер работает в соответствии с PID алгоритмом (плавное управление током).
KETOTEK F0004 DC 12 В . Терморегулятор с цифровым дисплеем и точностью измерения в 0,1°C. Работает только в цепи с питанием постоянным током с напряжением 12 В (требуется отдельный преобразователь при питании от сети переменного тока 220 В). В комплекте поставляется внешний термодатчик. Корпус устройства отсутствует (предоставляется в виде печатной платы со всеми необходимыми элементами и разъемами подключения), что и обусловливает низкую цену агрегата.
Как сделать простой терморегулятор для инкубатора своими руками по схеме
В сети Интернет можно встретить много различных схем сборки и подключения терморегулятора к инкубатору. Выбор требуемой конфигурации зависит от предполагаемого объема загрузки, типа яиц (их требовательности к температурному и влажностному режиму, и т.п.) и возможностей самого владельца.
Ниже приведем наиболее простую схему без использования микросхем и т.п.

Список всех элементов для простоты поиска по магазинам радиодеталей:
- R1 (резистор на 2кОм);
- R2 (терморезистор ММТ-13, ММТ-1, ММТ-9, КМТ-12 с сопротивлением от 1 до 10 кОм);
- R3 (переменный резистор на 6,8 кОм);
- R4 (резистор 560 Ом);R5 (резистор 36 кОм);
- V1 (биполярный транзистор КТ315Б);
- V2 (транзистор МП25Б);
- V3 (стабилитрон Д814В);
- V4 (выпрямительный диод Д226Б);
- C1 (конденсатор оксидный полярный 20 мкФ до 400 В);
- C2 (конденсатор оксидный полярный 10 мкФ до 30В);
- F1 (тугоплавкий предохранитель на 0,5 А);
- K1 (электромагнитное реле РЭС-15 — РС4.591.003).
Перед походом в радиолавку стоит уточнить аналоги всех обозначенных элементов.
ВИДЕО ИНСТРУКЦИЯ » alt=»»> Работа терморегулятора выполняется следующим образом:
ПРОДОЛЖЕНИЕ ВИДЕО » alt=»»> Ввиду того, что реле РЭС-15 может работать только с небольшим током коммутации (до 0,25 А), для использования с мощными нагревателями необходимо выполнить подключение промежуточного реле.
Схема подключения
Универсальный вариант – это использование трехходового клапана с термостатической головкой в сочетании с котлом отопления, у которого имеется встроенная защита от перегрева теплоносителя. С помощью клапана формируется байпас параллельно основному контуру отопления.
Схема подключения терморегулятора к котлу
Когда необходимо снизить мощность обогрева клапан перенаправляет весь поток теплоносителя от котла по байпасу в линию обратки, замыкая контур на коротком контуре. В основной контур горячая вода не поступает, а котел после прогрева до максимальной температуры автоматически прекращает работу.
Для электрических и газовых котлов с электронным управлением, но без программируемого контроллера, отлично подойдет простой розеточный терморегулятор или блочный под DIN-рейку. Регулятор устанавливается в разрыв линии питания и фактически перенимает на себя роль основного управления.
Однако важно смонтировать оборудование так, чтобы циркуляционный насос в любом случае продолжал работу в течение отопительного сезона. Даже если максимальная отдача от котла не нужна и терморегулятор его отключает, теплоноситель должен циркулировать, сравнивая температуру по всему контуру
Даже если максимальная отдача от котла не нужна и терморегулятор его отключает, теплоноситель должен циркулировать, сравнивая температуру по всему контуру.
Основные правила установки комнатного термостата. Выносной датчик или термостат со встроенным термодатчиком следует располагать в жилом помещении:
- вдали от сквозняков и радиаторов отопления;
- рекомендованная высота установки указывается в инструкции производителем терморегулятора;
- желательно, чтобы в течение дня на терморегулятор не попадали солнечные лучи;
- не допускается перекрывать доступ воздуха к терморегулятору занавесками или другими элементами декора и обстановки.
В результате при использовании терморегулятора работа котла оптимизируется, а в помещении всегда будет комфортная температура.
https://youtube.com/watch?v=eVpypBpHOow%3F
Принцип работы терморегулятора
Терморегулятор — это устройство, способное реагировать на изменения температурного режима. По типу действия различают терморегуляторы триггерного типа, отключающие или включающие нагрев при достижении заданного предела, или устройства плавного действия с возможностью тонкой и точной настройки, способные контролировать изменения температуры в диапазоне долей градуса.
Существуют две разновидности терморегуляторов:
- Механический. Представляет собой устройство, использующее принцип расширения газов при изменении температуры, или биметаллические пластины, изменяющие свою форму от нагревания или охлаждения.
- Электронный. Состоит из основного блока и датчика температуры, подающего сигналы об увеличении или понижении заданной температуры в системе. Используется в системах, требующих высокой чувствительности и тонкой регулировки.
Механические устройства не позволяют обеспечить высокой точности настройки. Они являются одновременно и датчиком температуры, и исполнительным органом, объединёнными в единый узел. Биметаллическая пластина, используемая в нагревательных устройствах, представляет собой термопару из двух металлов с разным коэффициентом теплового расширения.
Главное предназначение терморегулятора — автоматическое поддержание необходимой температуры
Нагреваясь, один из них становится больше другого, отчего пластина изгибается. Контакты, установленные на ней, размыкаются и прекращают нагрев. При охлаждении пластина возвращается в изначальную форму, контакты вновь замыкаются и нагрев возобновляется.
Камера с газовой смесью — чувствительный элемент термостата холодильника или отопительного терморегулятора. При изменениях температуры меняется объём газа, что вызывает перемещение поверхности мембраны, соединённой с рычагом контактной группы.
В терморегуляторе для отопления используется камера с газовой смесью, работающая по закону Гей-Люссака — при изменении температуры меняется объём газа
Механические термостаты надёжны и обеспечивают устойчивую работу, но настройка режима работы происходит с большой погрешностью, практически «на глазок». При необходимости тонкой настройки, обеспечивающей регулировку в пределах нескольких градусов (или ещё тоньше), используются электронные схемы. Датчиком температуры для них служит терморезистор, способный различить мельчайшие изменения режима нагрева в системе. Для электронных схем ситуация обратная — чувствительность датчика слишком высока и её искусственно загрубляют, доводя до пределов разумного. Принцип действия состоит в изменении сопротивления датчика, вызванном колебаниями температуры контролируемой среды. Схема реагирует на смену параметров сигнала и повышает/понижает нагрев в системе до получения другого сигнала. Возможности электронных блоков контроля намного выше и позволяют получить настройку температуры любой точности. Чувствительность таких термостатов даже избыточна, поскольку нагрев и охлаждение — процессы, обладающие высокой инерционностью, которые замедляют время реакции на смену команд.
Виды
Полуавтомат из инвертора своими руками
В простейшем варианте (реле холодильника) применяют механический переключатель. Для более точной регулировки (обороты двигателя) используют не только микроэлектронику, но и специализированное программное обеспечение.
Терморегулятор на трех элементах
Чтобы сделать простой терморегулятор своими руками схема для блока питания персонального компьютера подходит лучше других вариантов.

Регулятор вентилятора для компьютерного БП
Термистором измеряют температуру в контрольной точке. Потенциометром устанавливают оптимальное значение для включения вентилятора. Изменять обороты данная схема не способна. Подключает индуктивную нагрузку MOSFET транзистор. Допустимо применение аналога с подходящими силовыми характеристиками.
Терморегуляторы для котлов отопления
Регулятор температуры своими руками можно сделать в рамках проекта модернизации старого котла. Не имеет значения вид топлива, хотя проще обеспечить хороший результат с применением газового оборудования.

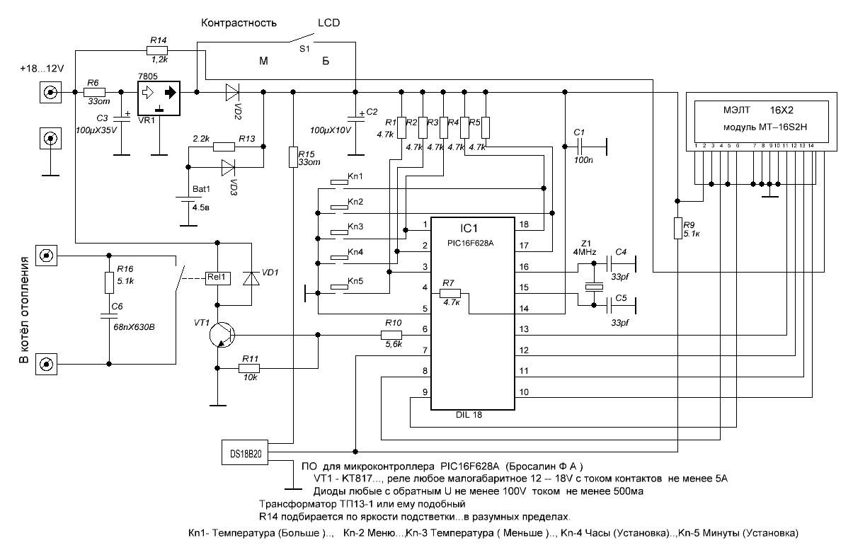
Схема термостата с индикацией показаний на LCD экране
Цифровой терморегулятор
В этом примере разработчики создавали устройство поддержания температурного режима в хранилище фруктов (овощей). Для анализа поступающих данных выбрана микросхема со следующими блоками:
- таймеры;
- генератор;
- два компаратора;
- модули обмена, сравнения и передачи данных.
При соответствующем положении переключателей светодиодная матрица показывает актуальное значение температуры или контрольный уровень. Кнопками в пошаговом режиме устанавливают нужный порог срабатывания.

Схема с регулировкой гистерезиса
Термодатчик на германиевых диодах
Особенностью германиевых полупроводниковых диодов является их высокая чувствительность к изменениям температуры воздуха. Поэтому эти радиодетали могут использоваться, как термодатчики при их обратном включении.

Их применение объясняется сильной зависимостью обратного тока от температуры окружающей среды. Эта особенность диодов используется в простой схеме регулятора скорости кулера.

Германиевые диоды, соединённые параллельно (3–4 шт.), включают в обратном направлении в цепь базы составного транзистора. Их стеклянные корпуса можно крепить прямо на кулер без всяких прокладок-теплоотводов. Резистор R1 предохраняет транзистор от теплового пробоя, а R2 определяет порог срабатывания регулятора. Если при превышении комнатной температуры вентилятор не включается, то число диодов надо увеличить. Когда кулер начинает вращать лопасти с большой скоростью количество радиодеталей уменьшают.

























































