Сфера применения
Одним из важнейших условий прибыльной работы предприятия является долговечность используемого электрооборудования. Она зависит от условий, в которых приходится работать электроустановкам. Если оборудование часто подвергается токовым перегрузкам, то на его длительную и надёжную работу лучше не надеяться. Ведь электрооборудование способно работать продолжительное время только при условии протекания по нему номинальных токов. Превышение величины тока (перегрузка) ведёт к увеличению температуры оборудования и к преждевременному старению изоляции.

Виды тепловых реле
Для защиты электрических двигателей от токовой перегрузки на производстве успешно применяются тепловые или термореле. Наибольшее распространение получило реле с биметаллической пластиной, которая состоит из двух пластинок, изготовленных из разных металлов, имеющих неодинаковый коэффициент теплового расширения. Эти пластинки скреплены между собой методом горячей прокатки или сваркой. При нагревании биметаллической пластины она изгибается, так как один металл расширяется больше, другой меньше. На этом принципе и основана работа термореле. Чем больше разность температурных коэффициентов у металлов, тем больше они подходят для использования в биметаллической пластине. Наилучшими вариантами разного линейного расширения сегодня являются: немагнитная сталь – медь, никель – сталь, латунь – инвар.
Обычно, биметаллическая пластина нагревается протекающим через неё током нагрузки. Также существуют модели, в которых пластина разогревается специальным нагревательным элементом, через который течёт ток нагрузки. Но наилучшим считается комбинированный нагрев: и током нагрузки через пластину, и теплом от нагревательного элемента, через который также протекает нагрузочный ток. Изогнувшаяся от тепла пластина воздействует на контакты реле. Однако, учитывая, что изгиб пластины происходит довольно медленно, и как следствие, при размыкании контактов будет образовываться электрическая дуга, в конструкции реле предусматривается ускоряющее устройство. Наилучшим из них является «прыгающий контакт».

Пылебрызгонепроницаемое тепловое реле
Возврат реле в отправное состояние осуществляется специальной кнопкой или (в других моделях) – самопроизвольно после охлаждения биметаллической пластины. Отдельные версии термореле могут защищать электрооборудование от несимметрии токов разных фаз и от пропадания одной из фаз. Исполнительным механизмом теплового реле является, как правило, магнитный пускатель. Реле могут устанавливаться как вовнутрь пускателя, так и на стандартную крепёжную рейку. Диапазон номинальных токов тепловых элементов очень велик и составляет от 1 до 600 ампер.
При выборе теплового реле следует руководствоваться номинальным током нагрузки (как правило, это электродвигатель). Обычно ток термореле на 20-30% больше чем номинальный ток двигателя, так как реле срабатывает в течение 20 минут, если ток выше рабочего значения в 1,2-1,3 раза. Необходимо учитывать и время нагрева, так как при кратковременной перегрузке, нагревается только обмотка двигателя, а при долговременной – весь корпус целиком. Поэтому термореле рационально использовать в тех случаях, когда цикл работы оборудование составляет свыше получаса.
Также необходимо учитывать и температуру окружающей среды, в которой будет работать тепловое реле, так как с ростом окружающей температуры, снижается ток срабатывания термореле. Если в помещении, где установлено защищаемое электрооборудование, летом вентиляция не справляется с поддержанием нормальной температуры, необходимо отрегулировать термореле или подобрать к нему другой нагревательный элемент. Естественно, что устанавливать тепловое реле нужно в том же помещении, где установлен защищаемый объект. Категорически следует избегать соседства с концентрированными источниками тепла (системы отопления, нагревательные печи и т.п.).

Контакты теплового реле
Понижение напряжения и пропадание фазы
Полностью нагруженный асинхронный двигатель, работающий при пониженном напряжении, быстро нагревается. Если в нём есть встроенный тепловой сенсор, сработает тепловая защита. Если такового нет, необходима защита от понижения напряжения. Для этих целей служат реле, которые срабатывают при снижении напряжения и подают сигнал на отключение движка. На схеме ниже это РН .

Восстановление исходного состояния защиты обычно выполняется вручную или автоматически, но с задержкой во времени для каждого двигателя при их группе. Иначе одновременный групповой запуск после восстановления опять-таки может вызвать повторное понижение напряжения в сети и новое отключение.
Специальная защита от пропадания фазы, то есть от работы только на двух фазах ПУЭ предусматривает только в таких приводах, где возможны неприемлемые по своей тяжести последствия. Экономически целесообразно не изготовление и установка такой защиты, а ликвидация причин, приводящих к такому режиму работы.
Самыми последними техническими решениями в построении защиты электродвигателей являются автоматические выключатели с воздушным гашением дуги. Некоторые модели совмещают в себе возможности рубильника, контактора, максимального и теплового реле и выполняют соответствующие защитные функции. В таком автомате контакты размыкаются мощной взведенной пружиной. Освобождение её происходит в зависимости от типа исполнительного элемента — электромагнитного или теплового.
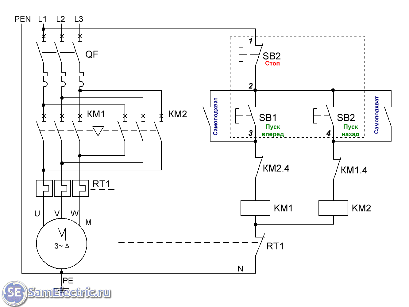
Схема подключения реверсивного магнитного пускателя
Фактически это два магнитных пускателя, объединенные электрически и механически, дальше подробнее.
Реверсивное управление электродвигателем
Реверсивный пускатель нужен тогда, когда необходимо, чтобы двигатель вращался поочередно в обоих направлениях.
Смена направления вращения реализуется общеизвестным способом — меняются местами любые две фазы. Посмотрите на схему реверсивного включения двигателя ниже:

9. Схема подключения реверсивного магнитного пускателя на 220В с управлением от кнопок. ПРАКТИЧЕСКАЯ СХЕМА
Когда включен пускатель КМ1, это будет «правое» вращение. Когда включается КМ2 — первая и третья фазы меняются местами, движок будет крутиться «влево». Включение пускателей КМ1 и КМ2 реализуется разными кнопками «Пуск вперед
» и «Пуск назад
«, выключение — одной, общей кнопкой «Стоп
» , как и в схемах без реверса.
Обратите пристальное внимание на треугольник между силовыми контактами КМ1 и КМ2. Он означает «защиту от дурака». Может произойти так, что по какой-то причине включатся оба пускателя сразу
Произойдёт короткое замыкание между фазами L1 и L3. Можно сказать, «Ну и что, у нас ведь есть мотор-автомат QF, он нас спасёт!» А если не спасёт? А пока он будет спасать, выгорят контакты пускателей!
Может произойти так, что по какой-то причине включатся оба пускателя сразу. Произойдёт короткое замыкание между фазами L1 и L3. Можно сказать, «Ну и что, у нас ведь есть мотор-автомат QF, он нас спасёт!» А если не спасёт? А пока он будет спасать, выгорят контакты пускателей!
Поэтому реверсивный пускатель должен иметь механическую защиту от одновременного включения двух его половин. А если он состоит из двух отдельных пускателей, между ними ставится специальный механический блокиратор.
Теперь посмотрите на контакты КМ2.4 и КМ1.4, стоящие в цепях питания катушек пускателей. Это — электрическая защита от того же дурака. Например, если включен КМ1, его НЗ контакт КМ1.4 разомкнут, и если наш дурак будет со всей своей дури жать на обе кнопки «Пуск» сразу, ничего не получится — двигатель будет слушаться той кнопки, которая нажата раньше.
Механическая и электрическая защиты в схеме подключения реверсивного пускателя должны быть всегда, они дополняют друг друга. Не ставить одну либо другую — моветон среди электриков.
Для реализации электрической блокировки одновременного включения и самоподхвата на каждый пускатель надо, кроме силовых, ещё один НЗ (блокировка) и НО (самоподхват). Но поскольку пятого контакта, как правило, в пускателях нет, приходится ставить доп. контакт. Например, для пускателя типа ПМЛ используют приставку ПКИ. А если, как в схеме 8, используется контроллер, самоподхват не нужен, и достаточно одного НЗ контакта на каждое направление вращения.
здесь .
Особенности монтажа
Как правило, установку теплового реле производят совместно с магнитным пускателем, который и осуществляет коммутацию и запуск электропривода. Однако существуют также и приборы с возможностью установки как отдельное устройство рядом на монтажной панели или DIN рейке, такие как ТРН и РТТ. Все зависит от наличия нужного номинала в ближайшем магазине, складе или в гараже в «стратегических запасах».
Наличие у теплового реле ТРН только двух входящих подключений не должно вас пугать, поскольку фазы три. Неподключенный провод фазы уходит с пускателя на двигатель, минуя реле. Ток в электродвигателе меняется пропорционально во всех трех фазах, поэтому контролировать достаточно любые две из них. Собранная конструкция, пускатель с теплушкой ТРН будет выгладить так:
Или так с РТТ:

Рассмотрим схему из статьи в которой трехфазный двигатель вращается в одну сторону и управление включением осуществляется с одного места двумя кнопками СТОП И ПУСК.

Автомат включен и на верхние клеммы пускателя поступает напряжение. После нажатия на кнопку ПУСК, катушка пускателя А1 и А2 оказывается подключена к сети L2 и L3. В данной схеме используется пускатель с катушкой на 380 вольт, вариант подключения с однофазной катушкой 220 вольт ищите в нашей отдельной статье (ссылка выше).
Катушка включает пускатель и замыкаются дополнительные контакты No(13) и No(14), теперь можно отпустить ПУСК, контактор останется включенным. Данная схема называется «пуск с самоподхватом». Теперь для того чтобы отключить двигатель от сети необходимо обесточить катушку. Проследив по схеме путь тока, видим что это может произойти при нажатии СТОП или размыкании контактов теплового реле (выделен красным прямоугольником).
То есть, при возникновении внештатной ситуации, когда теплушка сработает, она разорвет цепь схемы и снимет пускатель с самоподхвата, обесточив двигатель от сети. При срабатывании данного устройства контроля тока, перед повторным запуском необходимо осмотреть механизм, для выяснения причины возникновения отключения, и не включать до ее устранения. Часто причиной срабатывания является высокая внешняя температура окружающего воздуха, данный момент необходимо учитывать при эксплуатации механизмов и их настройке.
Сфера применения в домашнем хозяйстве тепловых реле не ограничивается только самодельными станками и прочими механизмами. Правильно было бы использовать их в системе контроля тока насоса системы отопления. Специфика работы циркуляционного насоса в том, что на лопастях и улитке образуется известковый налет, который может стать причиной заклинивания мотора и выхода его из строя. Используя приведенные схемы подключения, можно собрать блок контроля и защиты насоса. Достаточно установить в цепи питания нужный номинал теплушки и подключить контакты.
Кроме того будет интересна схема подключения теплового реле через трансформаторы тока, для мощных двигателей, таких как насос системы водополива для дачных поселков или фермерских хозяйств. При установке трансформаторов в цепи питания, учитывается коэффициент трансформации, к примеру 60/5 это при токе через первичную обмотку в 60 ампер, на вторичной обмотке он будет равен 5А. Применение такой схемы позволяет сэкономить на комплектующих, при этом не потеряв в эксплуатационных характеристиках.

Как видно, красным цветом выделены трансформаторы тока, который подключены к реле контроля и амперметру для визуальной наглядности происходящих процессов. Трансформаторы подключены схемой звезда, с одной общей точкой. Такая схема не представляет из себя больших трудностей в реализации, поэтому вы можете самостоятельно ее собрать и подключить к сети.
Напоследок рекомендуем просмотреть видео, в котором наглядно показывается процесс подключения теплового реле к магнитному пускателю для защиты электродвигателя:
Вот и все, что вы должны знать о подключении теплового реле своими руками. Как вы видите, монтаж не представляет особой сложности, главное правильно составить схему подсоединения всех элементов в цепи!
Будет интересно прочитать:
- В чем отличия между контактором и магнитным пускателем
- Что такое релейная защита
- Как собрать трехфазный щит
Принцип работы теплового реле
В некоторых случаях тепловое реле может быть встроено в обмотки двигателя. Но чаще всего оно применяется в паре с магнитным пускателем. Это дает возможность продлить срок службы теплового реле. Вся нагрузка по запуску ложится на контактор. В таком случае тепловой модуль имеет медные контакты, которые подключаются непосредственно к силовым входам пускателя. Проводники от двигателя подводятся к тепловому реле. Если говорить просто, то оно является промежуточным звеном, которое анализирует проходящий через него ток от пускателя к двигателю.
В основе теплового модуля лежат биметаллические пластины. Это означает, что они изготавливаются из двух различных металлов. Каждый из них имеет свой коэффициент расширения при воздействии температуры. Пластины через переходник воздействуют на подвижный механизм, который подключен к контактам, уходящим к электродвигателю. При этом контакты могут находиться в двух положениях:
- нормально замкнутом;
- нормально разомкнутом.

Первый вид подходит для управления пускателем двигателя, а второй используется для систем сигнализации. Тепловое реле построено на принципе тепловой деформации биметаллических пластин. Как только через них начинает протекать ток, их температура начинает повышаться. Чем с большей силой протекает ток, тем выше поднимается температура пластин теплового модуля. При этом происходит смещение пластин теплового модуля в сторону металла с меньшим коэффициентом теплового расширения. При этом происходит замыкание или размыкание контактов и остановка двигателя.
Важно понимать, что пластины теплового реле рассчитаны на определенный номинальный ток. Это означает, что нагрев до некоторой температуры, не будет вызывать деформации пластин
Если из-за увеличения нагрузки на двигатель произошло срабатывания теплового модуля и отключение, то по истечении определенного промежутка времени, пластины возвращаются в свое естественное положение и контакты снова замыкаются или размыкаются, подавая сигнал на пускатель или другой прибор. В некоторых видах реле доступна регулировка силы тока, которая должна протекать через него. Для этого выносится отдельный рычаг, которым можно выбрать значение по шкале.

Кроме регулятора силы тока, на поверхности может также находиться кнопка с надписью Test. Она позволяет проверить тепловое реле на работоспособность. Ее необходимо нажат при работающем двигателе. Если при этом произошел останов, тогда все подключено и функционирует правильно. Под небольшой пластинкой из оргстекла скрывается индикатор состояния теплового реле. Если это механический вариант, то в нем можно увидеть полоску двух цветов в зависимости от происходящих процессов. На корпусе рядом с регулятором силы тока располагается кнопка Stop. Она в отличие от кнопки Test отключает магнитный пускатель, но контакты 97 и 98 остаются разомкнутыми, а значит сигнализация не срабатывает.
Обратите внимание! Описание приводится для теплового реле LR2 D1314. Другие варианты имеют схожее строение и схему подключения.

Функционировать тепловое реле может в ручном и автоматическом режиме
С завода установлен второй, что важно учитывать при подключении. Для перевода на ручное управление, необходимо задействовать кнопку Reset
Ее нужно повернуть против часовой стрелки, чтобы она приподнялась над корпусом. Разница между режимами заключается в том, что в автоматическом после срабатывания защиты, реле вернется к нормальному состоянию после полного остывания контактов. В ручном режиме это можно сделать с использованием клавиши Reset. Она практически моментально возвращает контактные площадки в нормальное положение.

Тепловое реле имеет и дополнительный функционал, который оберегает двигатель не только от перегрузок по току, но и при отключении или обрыве питающей сети или фазы. Это особенно актуально для трехфазных двигателей. Бывает, что одна фаза отгорает или с ней происходят другие неполадки. В этом случае металлические пластины реле, к которым поступают другие две фазы начинают пропускать через себя больший ток, что приводит к перегреву и отключению. Это необходимо для защиты двух оставшихся фаз, а также двигателя. При худшем раскладе такой сценарий может привести к выходу из строя двигателя, а также подводящих проводов.
Обратите внимание! Тепловое реле не предназначено для защиты двигателя от короткого замыкания. Это связано с высокой скоростью пробоя
Пластины просто не успевают отреагировать. Для этих целей необходимо предусматривать специальные автоматические выключатели, которые также включаются в цепь питания.
Конструктивное исполнение тепловых реле
Тепловые реле всех видов имеют аналогичное устройство. Наиболее важный элемент любого из них — чувствительная биметаллическая пластина.
Значение тока срабатывания находится под влиянием температурных показателей среды, в которой работает реле. Рост температуры уменьшает время срабатывания.
Чтобы это влияние свести к минимуму, разработчики устройств выбирают как можно большую температуру биметалла. С этой же целью некоторые реле снабжают дополнительной компенсационной пластиной.

Состоит прибор из корпуса (1), пластины биметаллической (2), толкателя (3), пластины исполнительной (4), пружины (5), регулировочного винта (6), пластины компенсатора (7), контактов (8), эксцентрика (9), кнопки возврата (10)
Если в конструкцию реле включены нихромовые нагреватели, подключение их осуществляют по параллельной, последовательной или параллельно-последовательной схеме с пластиной.
Значение тока в биметалле регулируют при помощи шунтов. Все детали вмонтированы в корпус. Биметаллический элемент U-образной формы зафиксирован на оси.
Цилиндрическая пружина упирается в один конец пластины. Другим концом она базируется на уравновешенной изоляционной колодке.Совершает повороты вокруг оси и является опорой для контактного мостика, оснащенного контактами из серебра.
Для координации тока уставки биметаллическая пластина своим левым концом соединена с ее механизмом. Регулировка происходит за счет влияния на первичную деформацию пластины.
Если величина токов перегрузки становится равной или большей чем уставки, изоляционная колодка поворачивается под воздействием пластины. Во время ее опрокидывания происходит отключение размыкающего контакта устройства.

Приспособление ТРТ в разрезе. Здесь основными элементами являются: корпус (1), механизм уставки (2), кнопка (3), ось (4), контакты серебряные (5), контактный мостик (6), изоляционная колодка (7), пружина (8), пластина биметаллическая (9), ось (10)
Автоматически реле делает возврат в первоначальное положение. Процесс самовозврата занимает не более 3 минут с момента включения защиты. Возможен и ручной возврат, для этого предусмотрена специальная клавиша Reset.
При ее использовании прибор занимает исходное положение за 1 минуту. Чтобы задействовать кнопку, ее проворачивают против часовой стрелки до момента, когда она поднимется над корпусом. Ток уставки обычно указан на щитке.
Виды термореле защиты
Следует отметить, что на современном рынке электротехнических изделий представлены разные типы модулей тепловой защиты электрических силовых агрегатов. Каждый из этих типов устройств используется в конкретной ситуации и для определенного вида электрического оборудования. К основным разновидностям тепловых реле защиты можно отнести следующие конструкции.
- РТЛ — электромеханический прибор, обеспечивающий качественную тепловую защиту трехфазных электродвигателей и других силовых установок от критических перегрузок по току потребления. Кроме этого, термореле этого вида защищает электроустановку при дисбалансе питающих фаз, затянутого во времени пуска устройства, а также при механических проблемах с ротором: заклинивания вала и так далее. Монтируется прибор на контактах ПМЛ (пускатель магнитный) или как самостоятельный элемент с клемником КРЛ.
- РТТ — трехфазное устройство, предназначенное для обеспечения защиты электрических двигателей с короткозамкнутым ротором от токовых перегрузок, перекосу между питающими фазами и при механических повреждениях ротора, а также от затянутого по времени пускового момента. Имеет два варианта установки: как самостоятельный прибор на панели или совмещенный с магнитными пускателями ПМЕ и ПМА.
- РТИ — трехфазный вариант электротеплового расцепителя, защищающего электрический двигатель от тепловых повреждений обмоток при критическом превышении значений тока потребления, от длинного пускового момента, асимметрии питающих фаз и при механических повреждениях движущихся частей ротора. Устанавливается устройство на магнитных контакторах КМТ или КМИ.
- ТРН — двухфазное устройство электротепловой защиты электрических двигателей, обеспечивающее контроль длительности пуска и тока в нормальном рабочем режиме. Возврат контактов в исходное состояние после аварийного срабатывания осуществляется только вручную. Работа данного расцепителя совершенно не зависит от температуры окружающего воздуха, что актуально для жаркого климата и горячих производств.
- РТК — электротепловой расцепитель, при помощи которого можно контролировать один-единственный параметр — температуру металлического корпуса электрической установки. Контроль осуществляется с использованием специального щупа. При превышении критического значения температуры устройство отключает электроустановку от линии питания.
- Твердотельное — тепловое реле, не имеющее в своей конструкции каких-либо подвижных элементов. Работа расцепителя не зависит от температурного режима в окружающей среде и других характеристик атмосферного воздуха, что актуально для взрывоопасных производств. Обеспечивает контроль над длительностью разгона электрических моторов, оптимальным током нагрузки, обрывом фазных проводов и заклиниванием ротора.
- РТЭ — защитное термореле, по своей сути являющееся плавким предохранителем. Прибор изготовлен из металлического сплава с низкой температурой плавления, который плавится при критических значениях температуры и разрывает цепь, питающую электроустановку. Это электротехническое изделие монтируется непосредственно в корпус электросиловой установки на штатное место.
Из вышеприведенной информации видно, что в настоящее время существует несколько различных типов электротепловых реле. Все они используются для решения одной-единственной задачи — защиты электрических двигателей и других силовых электроустановок от токовых перегрузок с повышением температур рабочих частей агрегатов до критических значений.
Конструкция реле
Реле цепи управления состоит из термочувствительного элемента, и множества контактных точек. Цепь управления для защищенного компьютера проходит через контакты реле. Если машина перегружена на текущих уровнях, тепловой датчик реле переключается к тепловым реле перегрузки, от которых, в свою очередь, поступает сигнал к основному источнику питания машины.
Термин «чувствительный элемент» описывает количество отдельных контуров, управляемых переключателем. Количество проводов определяет количество контактов испарителя. Переключатели реле тепла обычно имеют от одного до четырех полюсов – стинол (stinol), , .
Спусковой механизм приводит в действие вспомогательный переключатель реле тепловое авв (abb), который разрывает цепи катушки, ведущие на контактор двигателя кми. В этот момент индикаторный автомат показывает: «Сработало».
Схема подключения магнитного пускателя
Выбор теплового реле для холодильника
Тепловые реле для холодильников разделяются на две основные группы:
- электронные;
- механические.
Электронная модель является более распространенной. Конструкция ее предполагает наличие датчика температуры полупроводникового типа и блока управления. Схема электронного реле достаточно сложна, но преимуществом таких устройств следует назвать высокую точность определения температуры и регулирования режимов функционирования холодильного оборудования.
Механические реле отличаются высокой надежностью и продолжительностью службы. К достоинствам таких регуляторов относится простота замены при неисправности. Устройство работает в соответствии с температурой испарителя, а электронный прибор — по температуре воздуха.
Схема подключения
Сложность в подключении заключается в том, чтобы не перепутать реле различного назначения, так как одни из них предназначены для работы в морозильных камерах, другие же могут функционировать только при плюсовых температурах.
Каждый провод согласно цветовой маркировке имеет свое предназначение:
- красный, черный либо оранжевый — соединение реле с компрессором;
- коричневый — фазная жила, подключающая к розетке;
- зеленый, желты или белый — к лампочке холодильника;
- зелено-желтый полосатый — заземляющий проводник.
Принципиальная схема для подключения теплового регулятора марки ТАМ-125 для холодильника
Обзор производителей
Для холодильников производится большое количество моделей терморегуляторов. Обзор наиболее популярных из них представлены в таблице.
| Модель | Характеристики | Стоимость примерная, руб. |
| PFN-C174S-03EB | Диапазон температуры от −19℃ до −14,5℃ | 335 |
| ТАМ 133 K60-L1102 | Температура min = -10,4 °C, max = -25 °C. | 330 |
| K-59-P4881 | Диапазон температуры от −24℃ до 3,5℃ | 315 |
Устройство и назначение прибора
Сравнив подключение МП и контактора, можно сделать заключение, что первое устройство отличается от второго тем, что его применяют для запуска электродвигателя. Можно даже сказать, что МП — тот же контактор, с помощью которого управляют электродвигателем.
Отличие это настолько условно, что в последнее время многие производители называют МП контакторами переменного тока, но с малыми габаритами. Да и постоянное усовершенствование контакторов сделало их универсальными, потому они стали многофункциональными.
Назначение магнитного пускателя
Встраивают МП и контакторы в силовые сети, транспортирующие ток с переменным или постоянным напряжением. Действие их базируется на электромагнитной индукции.
Устройство оснащено контактами сигнальными и теми, через которые питание подается. Первые названы вспомогательными, вторые — рабочими.
МП дистанционно управляют электроустановками, в том числе и электродвигателями. Их роль, как защиты, нулевая — только исчезает напряжение или хотя бы падает до предела ниже 50%, силовые контакты размыкаются.
Как выбрать реле

Реле подбирается в зависимости от условий, в которых будет использоваться
При этом важно хорошо знать и понимать характеристики, которые указаны в техническом паспорте. Несоблюдение одного или нескольких из них может иметь неприятные последствия как для потребителя, так и для реле
Одним из важных значений, которое указывается для реле является номинальный ток. Имеется в виду сила тока потребления конкретного прибора, к которому будет подключаться реле. Эту цифру можно найти в технических характеристиках потребителя. Если реле будет попеременно применяться с различными приборами, тогда должен быть указан диапазон допустимой силы тока.

Реле могут использоваться как для однофазной, так и для трехфазной цепи, именно поэтому важно обращать внимание на то, какое напряжение указано: оно может быть 220 или 380 вольт. Если в паре с ТР планируется использовать пускатель, тогда особое внимание необходимо уделить количеству контактов. Кроме силы тока потребителя, важно знать его мощность, которая также учитывается при выборе определенной модели реле
Если включение реле планируется в трехфазную сеть, тогда лучше приобрести модуль, который способен обеспечить дополнительную защиту при перекосе фаз или прогорании проводников
Кроме силы тока потребителя, важно знать его мощность, которая также учитывается при выборе определенной модели реле. Если включение реле планируется в трехфазную сеть, тогда лучше приобрести модуль, который способен обеспечить дополнительную защиту при перекосе фаз или прогорании проводников
Процесс подключения
Ниже приведена схема подключения ТР с обозначениями. На ней можно найти сокращение КК1.1. Оно обозначает контакт, который в нормальном состоянии является замкнутым. Силовые контакты, через которые ток поступает на двигатель обозначены сокращением KK1. Автоматический выключатель, который находится в ТР обозначен как QF1. При его задействовании происходит подача питания по фазам. Фаза 1 управляется отдельной клавишей, которая обозначена маркировкой SB1. Она выполняет аварийную ручную остановку в случае возникновения непредвиденной ситуации. От нее контакту уходит на клавишу, которая обеспечивает пуск и обозначена сокращением SB2. Дополнительный контакт, который отходит от клавиши пуска, находится в дежурном состоянии. Когда выполняется запуск, тогда ток от фазы через контакт поступает на магнитный пускатель через катушку, которая обозначается KM1. Происходит срабатывание пускателя. При этом те контакты, которые в нормальном положении являются разомкнутыми замыкаются и наоборот.

Когда замыкаются контакты, которые на схеме находятся под сокращением KM1, тогда происходит включение трех фаз, которые пускают ток через тепловое реле на обмотки двигателя, который включается в работу. Если сила тока будет расти, тогда из-за воздействия контактных площадок ТР под сокращением KK1 произойдет размыкание трех фаз и пускатель обесточивается, а соответственно останавливается и двигатель. Обычная остановка потребителя в принудительном режиме происходит посредством воздействия на клавишу SB1. Она разрывает первую фазу, которая прекратит подачу напряжения на пускатель и его контакты разомкнутся. Ниже на фото можно увидеть импровизированную схему подключения.

Есть еще одна возможная схема подключения этого ТР. Разница заключается в том, что контакт реле, который в нормальном состоянии является замкнутым при срабатывании разрывает не фазу, а ноль, который уходит на пускатель. Ее применяют чаще всего в силу экономичности при выполнении монтажных работ. В процессе нулевой контакт подводится к ТР, а с другого контакта монтируется перемычка на катушку, которая запускает контактор. При срабатывании защиты происходит размыкание нулевого провода, что приводит к отключению контактора и двигателя.

Реле может быть смонтировано в схему, где предусмотрено реверсивное движение двигателя. От схемы, которая была приведена выше различие заключается в том, что присутствует НЗ контакт, в реле, которое обозначено KK1.1.

Если реле срабатывает, тогда происходит разрыв нулевого провода контактами под обозначением KK1.1. Пускатель обесточивается и прекращает питания двигателя. В экстренной ситуации кнопка SB1 поможет быстро разорвать цепь питания, чтобы остановить двигатель. Видео о подключении ТР можно посмотреть ниже.

























































