Принцип действия
Как подключить фотореле: схемы подключения Для подключения фотореле к светодиодному прожектору необходимо внимательно изучить инструкцию, которая находится в техпаспорте. Перед тем, как подключить светильник обязательно проверяйте паспорт, сертификат и патент продавца, чтобы потом не пришлось делать капитальный ремонт проводки в квартире. Чаще всего этот параметр имеет диапазон от 5 до 16 А. Установить подобное оснащение можно самостоятельно, без помощи электриков. Отличным вариантом станет дополнительный монтаж датчика времени. Он выбирается исходя из количества и мощности подключаемых через фотореле источников света. Устанавливая датчик движения на улице, учитывайте те же условия, что и для монтажа фотореле Если ваш выбор пал на фотореле для уличного освещения с выносным датчиком, то предлагаем ознакомиться со схемой его подключения: Схема фотореле для уличного освещения с выносным датчиком Блок реле 1 устанавливается в распределительный щит, фотоэлемент 2 крепится снаружи, в месте, исключающем попадание лучей светильника 3 и по возможности затеняющих предметов
Обратите внимание! Некоторые производители изменяют маркировку проводников. Чтобы сэкономить, питание в цепи можно подавать через магнитный пускатель. Получается ноля нет который нужен для датчика? Так как по функциональности подаче и отключению питания фотореле похоже на традиционный выключатель, монтаж тоже отличается мало
При расположении дома у проезжей части на прибор не должен направляться свет фонарей проезжающих машин

Получается ноля нет который нужен для датчика? Так как по функциональности подаче и отключению питания фотореле похоже на традиционный выключатель, монтаж тоже отличается мало. При расположении дома у проезжей части на прибор не должен направляться свет фонарей проезжающих машин.
Фото — Подключение фотореле ФР Согласно заложенной программе устройство и работает. Результат — лампа, к которой подсоединено устройство, включается до тех пор, пока не начнет светать. Этот проводник необходим для подключения к фазе питания от сети; красный проводник. Для экономии на платежах за электроэнергию наши читатели советуют «Экономитель энергии Electricity Saving Box».
Решение этой проблемы облегчается при использовании некоторых хитростей. Такие датчики освещенности не могут работать от сети или вольт. Она имеет катод, который способен вырабатывать электроны пропорционально интенсивности направленного к ней света, также трубка оснащена анодом для сбора электронов. Появляются охранные функции. Как подключить датчик освещенности и одноклавишный выключатель .
Какие бывают фотореле для уличных осветительных приборов
Выполняя определенные функции, реле с датчиком освещенности отличаются по:
степени защиты. Определяется индексом IP, числовой код которого указывает на возможность использования прибора в тех или иных условиях. Первая цифра информирует о защите от физического воздействия, пыли. Вторая – от влаги. Устройства с индексом от IP23 предназначены для внутреннего монтажа. Уличный датчик освещенности подразумевает степень защиты не менее IP44;
типу ламп. Простейшие трехконтактные устройства рассчитаны на работу с активной нагрузкой, которую представляют лампы накаливания. Для управления энергосберегающими источниками освещения используются устройства со специальными адаптерами. Уличные светильники на ртутных и натриевых лампах нуждается в фотореле с защитой от скачков пускового тока;

- напряжению. Фотореле на 12В используются в цепях постоянного тока, питаемых от аккумуляторов. Датчики на 220В предназначены для работы с напряжением бытовой сети;
- методу управления. Отличаются по способу отключения (принудительное, автоматическое). Энергосберегающие модели начинают работать, реагируя на движение или звук, а в остальное время находятся в ждущем режиме. Программируемые фотореле предполагают возможность настроек, множество функций, работу с несколькими индикаторами.
Кроме этого, фотореле могут иметь встроенные или выносные фотодатчики.
Устройство с встроенным фотоэлементом и таймером
Фотореле также применяется для автоматического регулирования освещения. Таймер позволяет управлять временем освещенности, то есть задавать определенный промежуток, по достижении или на протяжении которого действует указанный уровень света. Выключение реле также происходит автоматически: в установленное время или по достижению определенного уровня освещенности.
Существует несколько типов таймеров:
- с дневными механизмами;
- с недельными механизмами;
- с годовыми механизмами.
Такие устройства можно программировать одинаково на несколько дней и, например, отдельно выделять выходные дни.
Зачем нужно фотореле
Световые акценты вокруг дома — это не только удобно, но и красиво
Система уличного освещения может работать и без фотосенсоров. Но датчик день-ночь придаёт ей дополнительные преимущества:
- Удобство. Стандартная система освещения предусматривает установку включателя возле входной двери на улице, или в самом доме. Это удобно для того, кто решил выйти из дома поздним вечером. Но при возвращении домой в тёмный период суток приходится идти к выключателю с фонариком, или даже открывать замок в полной темноте. С датчиком можно настроить включение подсветки с наступлением сумерек и владелец приедет на уже освещённую площадку у калитки или перед гаражом.
- Экономия электроэнергии. Жильцы загородных домов нередко забывают выключить свет на улице перед сном или уходом из дома. С датчиком такого не случится. Стандартный выключит свет с первыми лучами солнца, комбинированный с датчиком движения — как только все уйдут со двора, а программируемый — в точно указанное время.
- Имитация присутствия. Воры не рискуют пробираться в дом, пока хозяева дома, а основной признак их присутствия — включённый свет. Уличная подсветка с сенсором создаёт видимость присутствия и таким образом защищает дом от вандалов и грабителей, пока семья на отдыхе или в командировке.
Датчики освещённости хорошо показали себя в городских осветительных системах, их нередко используют коммунальные службы, владельцы торговых центров, автостоянок, рекламных щитов и т. д. В частных загородных домах фотореле тоже выгодны и уместны, поэтому приобретают всё большую популярность.
Особенности выбора места для размещения реле
Нередко выбор правильного месторасположения фотореле для уличного освещения представляет собой сложный квест, потому что нужно учитывать специальные требования:
необходимо, чтобы на фотоэлемент падал только дневной свет;
рекламные щиты, фонари уличного освещения, многоквартирные дома и другие посторонние источники света должны находиться на максимальном удалении от датчика, чтобы не вызывать ложных срабатываний;
важно минимизировать вероятность падения света от автомобильных фар;
рекомендуемая высота установки датчика – 180-250 см над землёй, чтобы можно было проводить его настройку с земли, табуретки или лестницы.
Поскольку в условиях современного населённого пункта найти подходящее место сложно, приходится прибегать к одной хитрости. Для ограждения фотоэлемента от постороннего света для него конструируют заслон в виде кулька или прислонённого к стене цилиндра. Для изготовления подходит отрезок чёрной пластиковой трубы с большим диаметром и длиной около 20 см. Нижняя сторона вырезается под углом в 45-30˚, благодаря чему верхний остаётся ровным и обеспечивает беспрепятственное поступление естественного света.
Схема подключения датчика освещения — пошаговая инструкция
В датчиках освещения, как правило, имеется всего 3 контакта. Обозначаются тремя цветами: черный, красный, желтый (его могут менять на синий, коричневый, розовый, белый). На черный необходимо подавать фазу, на красный – ноль. Третий контакт – выходной, с него подается фаза на осветительный прибор (или распределительную коробку, с которой подключается уличное освещение). Дополнительный ноль для освещения берется непосредственно с щитка, его также можно вывести с любой другой электрической цепи дома.
Схема подключения фотореле с обычным включателем
Есть модели датчиков, у которых имеется 4 и 5 проводов. Они позволяют подключить сразу несколько линий, то есть, внутри фаза распределяется на 2 или 3 выходных контакта. Маркируются чаще всего аналогично: вход на фазу и ноль соответственно черного и красного цветов, остальные контакты – дополнительным цветом.
Но вышеуказанный принцип маркировки соблюдается далеко не всеми производителями, поэтому перед монтажом обязательно необходимо ознакомиться с приложенной инструкцией. В датчиках, где вместо входных проводов стоят клеммники вообще никаких обозначений может не быть.
В сумеречных реле принцип подключения аналогичный, но в большинстве моделей предусмотрен также выход на ноль. То есть, подводить его отдельно к освещению не нужно – провода выводятся непосредственно из реле. Но это является одновременно и недостатком – сам датчик получается массивным, под него приходится выделять отдельную распределительную коробку.
После установки останется только отрегулировать работу датчика. В большинстве моделей для этого предусмотрен регулятор под крестовую отвертку. Выполнять корректировку срабатывания следует в то время суток, когда и необходимо включать освещение.
Регулировка чувствительности здесь — снизу, сделан регулятор под крестовую отвертку
Цены на аккумуляторные отвертки
Аккумуляторная отвертка
Итого, алгоритм подключения датчика будет следующим:
Шаг 1. Подвести электролинию в место установки датчика. Потребуется фаза и ноль. Не обязательно заводить с щитка, если общая нагрузка не будет превышать 0,5 — 1 кВт.
Подводим линию электропитания
Шаг 2. Развести электропроводку для подключения освещения (если фотореле одно, то вывод с одной линии следует пускать на распределительную коробку). С места подключения фотореле выводится фаза, ноль заводится с щитка или другой линии электропроводки.
Подготавливаем провода для соединения
Шаг 3. Подключить фотореле по схеме, указанной в инструкции (предварительно обесточив линию).
Монтируем фотореле
Шаг 4. Подключить выход с датчика к линии освещения (выход — это фаза).
Подключаем датчик к освещению
Шаг 5. Тестовое включение линии.
Проверяем работоспособность
Шаг 6. Проверка работоспособности датчика, если необходимо — регулировка степени срабатывания.
Настраиваем датчик
Области рационального применения фотореле
Типовые ситуации, в которых требуется присутствие данного устройства:
- Когда включение и выключение цепи производится при помощи сигнала малой мощности;
- Когда несколько цепей должны управляться одним сигналом.
Эффективность применения фотореле обуславливается также и их универсальностью (помимо стандартной аппаратуры контроля можно использовать компьютеры или ноутбуки). Это позволяет реализовывать также и логические управляющие команды типа «если…то…».
Рассмотрим использование фотореле для уличного освещения. Технология их применения основана на использовании триггерных FEТ-переключателей.
Блок-схема фотореле с FET-переключателем
В приведенной блок-схеме используется серия К МДП-транзисторов. В отличие от твердотельных реле, схема управляет фотодиодами напрямую. Это обеспечивает гораздо более высокие скорости переключения, поскольку время отключения питания при включении светодиода некритично. Из-за отсутствия механических составляющих поддерживается высокая компактность устройства, однако физический изоляционный барьер здесь отсутствует, а потому необходимо использовать только низковольтный управляющий сигнал.
Поскольку фотореле является альтернативой уже существующей панели дистанционного управления освещением, то прежде всего стоит подумать — а так ли уж необходима подобная замена. Если существующая система полностью соответствует электрическим нормам, то перед нагрузкой достаточно просто добавить релейную панель, и полный контроль за осветительной цепью будет обеспечен. В небольшом корпусе может быть размещено до 64 фотореле вместе с источником низкого напряжения, а рядом можно расположить панель выключателя. Чем меньше число цепей, тем более экономичным становится применение релейной панели.
Фотореле можно использовать для управления однополюсными цепями 127/220 В переменного тока и двухполюсными (208…240 В) цепями переменного тока. Релейные панели наиболее экономичны при управлении меньшими нагрузками, но имеют один недостаток — они рассчитаны на ограниченное количество циклов включения/ выключения: от 20000 до 50000 (при нормальных обстоятельствах этого хватит примерно на 5 лет).
Общий вид блочной компоновки фотореле для уличного освещения и монтажная схема приведены на следующих рисунках.
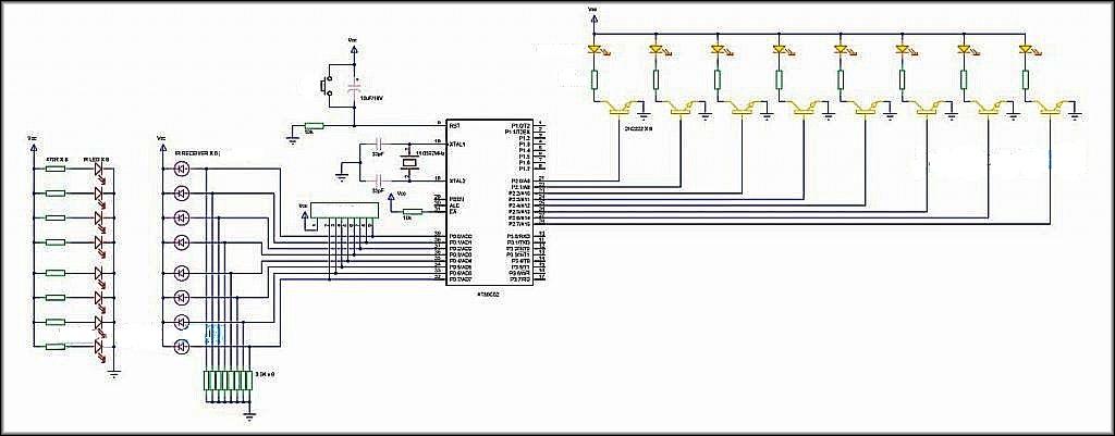
Некоторые нюансы имеются в использовании фотореле совместно с датчиками движения. Как правило, уличные фонари включаются на всю ночь. Но в ночное время уличные фонари не нужны, если нет движения. Поэтому всё чаще используют схемы, которые включают уличные фонари только при перемещения транспортного средства и некоторое время после него. Используется микроконтроллер AVR 8051 и несколько пар (чем больше, тем лучше) инфракрасных (ИК) датчиков.
Подключение релейной панели управления освещением
Предлагаемая система состоит из микроконтроллера Atmega8, LDR, PIR-датчика и RTC. Эта система управляет уличным освещением, используя светозависимый резистор и ИК-датчик.
Уличные фонари включаются в зависимости от интенсивности светового потока, который воспринимается на LDR. Если такая интенсивность на фоторезисторах низкая, значение их сопротивления — высокое. С уменьшением общей освещённости это значение увеличивается, и, таким образом, определяет, когда уличные фонари должны включиться.
Ночью движение транспорта минимально. Это обстоятельство можно использовать для настройки контроллера. По наступлении пикового времени, когда трафика нет, фотореле отключит наружное освещение. При появлении единичного транспортного средства ИК-датчик подаст управляющий сигнал микроконтроллеру. Тот на 2…3 минуты включит освещение, после чего автоматически его выключит.
Блочная компоновка фотореле
Схема включения фотореле для управления наружным освещением
Установка датчиков движения
Монтажная схема управления движением на базе фотореле
Подбор фотореле для освещения на улице
Прежде чем идти в магазин приобретать фотодатчик для регулировки системы уличного освещения, следует определиться с количеством и типом подключаемых светильников. Для одного-двух фонарей хватит реле, осветительные электроприборы к которому будут подсоединяться напрямую.
Если лампочек много, то фотореле не сможет выдержать проходящий через него ток. В этом случае требуется оборудование с магнитным пускателем.
Здесь светочувствительный переключатель запускает специальное устройство, посредством которого уже производится запитка аппаратуры освещения. Т.е. очень многое в выборе модели фотодатчика зависит от мощности подключаемой к нему схемы из светильников.
Особого подхода и обязательного выполнения предварительных расчетов требует подбор фотореле для системы уличного освещения на солнечных батареях. Его мощность и число подключаемых приборов напрямую зависит от среднегодового числа солнечных дней в регионе, а также от количества гелиопанелей в схеме.
Чем больше к фотореле планируется подключить лампочек, тем выше у него обязаны быть параметры коммутируемого тока – на рынке сейчас представлены приборы с номиналом по току в диапазоне 6–63 Ампер, выбирать есть из чего
По типу подключения к электросети светоконтролирующие реле для уличного освещения делятся на:
- однофазные (бытовые, под сеть 220 В);
- трехфазные (для сетей 380 В).
Однако само коммутирующее реле и вся схема с фотодатчиком запитываются напряжением 12 В, которое поступает с понижающего трансформатора. Выбор в пользу однофазного либо трехфазного прибора зависит исключительно от подключаемой к нему сети из лампочек и потребляемой ею мощности.
Для установки фотореле контроля для уличного освещения на частных домах лучше всего выбирать обычные бытовые модели на 220 В. Их с избытком хватит, особенно если к ним будут подключаться экономичные светодиодные светильники.
Технические параметры – на что смотреть
Некоторые импортные электроприборы рассчитаны на сети в 110 либо 127 В. Редко, но на них можно наткнуться в магазинах светотехники. Просто так в российских сетях на 220 В они работать не смогут. Для них потребуется устанавливать дополнительный трансформатор. Лучше сразу брать то оборудование, с подключением которого будет меньше проблем.
Первый и главный показатель – степень защиты. Для установки под открытым небом следует выбирать модели с герметичным корпусом под IP65 и выше. А для монтажа под крышей или в защищенном щитке вполне подойдет устройство с IP44.
Второй параметр – порог срабатывания, который выражается в Люксах. Обычно это диапазон от 2 до 50 Лк. Фотореле имеет регулировку данного показателя, чтобы пользователь мог настроить его свои под личные предпочтения. Приобретать прибор с нерегулируемым порогом срабатывания стоит только в крайнем случае.
Третий показатель – тип подключаемых ламп. Нередко фотореле предназначено исключительно для работы с лампочками накаливания, создающими активную нагрузку.
Для подключения люминесцентных приборов с уже реактивной нагрузкой требуется брать другой вид сумеречных выключателей. А для подсоединения ртутных либо натриевых светильников нужна аппаратура с дополнительным защитным контуром, рассчитанным на броски пускового тока.
При выборе реле с выносным фотоэлементом необходимо учесть длину кабеля между ними – он имеет определенные ограничения, менять его на больший по метражу нельзя
И последние параметры – габариты и вес. Самая большая по размерам часть фотореле – это блок питания с понижающим трансформатором внутри. Сам фотодатчик (светодиод) имеет совсем небольшие габариты.
Гораздо больше места занимает контактор или магнитный пускатель, через которые подключаются осветительные приборы. Все это должно уместиться в электрощите или возле светильника.
Важны ли дополнительные функции
Многие модели светоконтролирующих реле дополняются датчиком движения и таймером. Первый гарантирует включение освещения только при перемещении по контролируемой территории человека, а второй позволяет полностью отключать прибор днем независимо от уровня естественной освещенности.
Фактически все фотодатчики еще на заводе настраиваются так, чтобы при кратковременном освещении фарами проезжающего автомобиля попросту не срабатывать
Наиболее дорогие модели – это фотореле с электронным табло и программируемым контроллером. Эти приборы позволяют для каждого сезона и случая заложить свою программу работы.
Например, в зимний период освещение будет включаться раньше, а летом позже. Можно также предусмотреть выключение самого реле вместе с уличными светильниками после часа ночи, чтобы они не жгли энергию попусту.
Преимущества и недостатки
Фотореле практично для различных объектов, требующих контроля освещения. Прибор позволяет экономить энергозатраты, в нужное время отключая лампы. Это является главным преимуществом элемента. А также стоит учесть и лёгкий монтаж, возможность подключения к одному датчику нескольких фонарей и простую эксплуатацию. Наличие таймера и датчика движения делает устройство более функциональным. В процессе использования датчик не требует постоянного внимания
Для получения всех преимуществ важно правильно установить фотореле и выбрать качественный элемент

Прибор с таймером очень удобен
Фотореле является элементов электрической цепи освещения на улице. Поэтому правильный монтаж обязателен при подключении. В противном случае возникнут сбои в работе, поломки и неисправности, которые приведут к дополнительным расходам
И также важно подобрать фотодатчик, соответствующий характеристикам ламп и необходимому уровню функциональности
Видеорекомендации позволяют более эффективно освоить особенности выбора и работы фотореле. В следующем видео представлен простой прибор, который эффективен для частного применения.
Видео: принцип выбора и работа фотореле
Управление освещением с помощью фотореле — эффективный способ снизить энергозатраты на подсветку улицы или других объектов. Датчик, параметры которого соответствуют потребностям, прост в монтаже и отличается рядом преимуществ. А знание принципа работы устройства позволит совершить правильный выбор.
Возможные схемы подключения фотореле для уличного освещения
Простейшая схема подключения датчика света
Подключить фотореле для системы освещения улицы достаточно просто. Элемент необходимо запитать и вывести фазный провод (прерывается внутри устройства) к потребителю – на лампу. Нулевой кабель должен быть подключён к входному контакту фотоэлемента и самой нагрузке.
Монтажная схема подключения системы освещения с датчиком
Для безопасного использования фотореле и системы освещения необходимо подключать при помощи распределительной коробки с герметичным корпусом. Следует избегать простейших схем подключения датчиков света, поскольку они ненадёжны. При помощи реле возможно управление любым осветительным оборудованием, включая мощные прожекторы. Большинство из них в своей конструкции имеют дроссель, поэтому необходимо включить контактор в электрическую цепь.Таким образом, мощности датчика будет хватать для управления устройством пускателя, который, в свою очередь, осуществляет подачу напряжения на лампы.
Подключение фотореле к светодиодному прожектору
Самой доступной и понятной для пользователей схемой подсоединения является прямой монтаж к сети электроснабжения. На прибор обязательно необходимо подать 220В, то есть фазу и ноль.
Все провода этого устройства, как правило, окрашены в разный цвет.
Это важно. По паспорту, который прилагается к фотореле, нужно определить вход фазы подключения и выход на светильник
В этом плане следует выделить такую закономерность:
- ноль: синий провод;
- входная фаза: коричневый провод;
- выход на прожектор: красный провод.
На проводе, осуществляющем выход на нагрузку, фаза возникает лишь в момент срабатывания прибора. Ее нужно заводить непосредственно в сам прожектор.
Внешний вид датчика движения.
Датчик LXP-02.
Назначения выходов датчика:
1. Красный нужен для подведения нагрузки
2. Синий, может быть зеленым, это ноль
3. Коричневый (черный) — датчик питания.
Если убрать белый корпус, то под ним увидим схему датчика, расположенную на печатной плате.
Для простого расчета необходимого числа ламп воспользуйтесь Калькулятором расчета количества ламп .
В датчике расположено реле DE3F-N-A на 24 VDC. Ток контактов 10А. Это значение определяет максимальную нагрузки, на которую способен датчик. То есть, 10 на 220, будет 2,2кВт. Точно также заявлено в инструкции.
Но мое мнение: к этому датчику, не стоит подключать больше 4 ампер. Все, что выше, только через промежуточный пускатель.
Пошаговая инструкция по монтажу
Сразу же хотелось бы немного отойти от темы и посоветовать Вам одновременно осуществлять подключение фотореле и датчика движения для освещения. В паре эти два устройства позволят включать светильник при наступлении темноты, только в том случае, если в зоне обнаружения появился человек. Если на участке никого не будет, то лампочки загораться не будут, что позволит значительно сэкономить электроэнергию.
Способ установки зависит от того, какой класс защиты и тип крепления сумеречного выключателя света Вы купили.
На сегодняшний день существуют различные варианты изготовления, а именно:
- с креплением на DIN-рейку, на стену либо на горизонтальную поверхность;
- уличный либо комнатный вариант использования (зависит от класса защиты IP);
- фотоэлемент встроенный либо внешний.

В инструкции мы предоставим для примера установку фотореле для уличного освещения с настенным креплением. Подключение осуществляется на стенде для удобства, тем более что это всего лишь пример.

Итак, для того, чтобы самому подключить фотореле к светильнику, Вы должны выполнить следующие пункты:
- Отключаем электроэнергию на вводном щитке и проверяем наличие тока в распределительной коробке, от которой будем вести провод.
- Протягиваем питающий провод к месту установки фотореле (рядом с осветительным прибором). Рекомендуем Вам для подключения сумеречного выключателя использовать трехжильный провод ПВС, который зарекомендовал себя как надежный и не слишком дорогой вариант проводника.
- Зачищаем жилы от изоляции на 10-12 мм, чтобы подключить их в клеммы.
- Создаем отверстия в корпусе под заведение жил для того, чтобы подключить фотореле к сети и светильнику.
- Чтобы повысить герметичность корпуса, крепим в вырезанных отверстиях специальные резиновые уплотнители, защищающие от попадания пыли и влаги внутрь. Кстати, размещать сумеречный выключатель нужно таким образом, чтобы вводные отверстия были снизу, что предотвратит проникновение влаги под крышку.
- Осуществляем подключение фотореле для уличного освещения согласно электрической схеме, которую мы предоставили выше. Как видно на фото, вводная фаза подключается к разъему L, а вводная нейтраль к N. Для заземления предназначена отдельная винтовая клемма с соответствующим обозначением.
- Отрезаем нужную длину провода для подключения фотореле к лампочке (в реальности это может быть даже светодиодный прожектор). Зачищаем изоляцию также на 10-12 мм и подсоединяем к клеммам N’ и L’ соответственно. Второй конец проводника подводим к источнику света и присоединением к клеммам патрона. Если корпус светильника не проводит ток, заземление подключать не нужно.
- Установка и подключение окончены, переходим к настройке фотореле своими руками. Тут ничего сложного нет, в комплекте присутствует специальный черный пакетик, который необходимо для того, чтобы сымитировать ночь. На корпусе датчика освещенности можно увидеть регулятор (подписан аббревиатурой LUX), который служит для выбора интенсивности освещения, при котором произойдет срабатывание реле. Если Вы желаете сэкономить электроэнергию, установите поворотный регулятор на минимум (отметка «-»). В этом случае сигнал о включении будет подаваться при полной темноте на улице. Обычно регулятор находится рядом с винтовыми клеммами, немного левее и выше (как показано на фото).
- Последний шаг подключения фотореле – крепление защитной крышки и включение электроэнергии на щите. Как только Вы это сделаете, можно переходить к тестированию устройства.
Вот и все, что хотелось рассказать Вам о том, как установить и подключить фотореле своими руками. Также рекомендуем Вам просмотреть наглядный видео урок, в котором подробно показывается вся сущность электромонтажа.
Инструкция по подсоединению фотореле фирмы Feron
Напоследок следует сказать о том, какие производители сумеречных выключателей являются наиболее качественными. На сегодняшний день рекомендуется отдавать предпочтение продукции от таких компаний, как Legrand (легранд), ABB, Schneider electric и IEK. Кстати, у последней фирмы есть довольно надежная модель – ФР-601, которая имеет множество положительных отзывов на форумах.

























































