Этапы подключения и установки блока розеток
Для осуществления монтажных работ при соединении розеток , естественно, потребуются инструменты. Их набор достаточно стандартен:
- — уровень;
- — кусачки;
- — отвертка;
- — нож с карандашом;
- — перфоратор.
Последний покупать не обязательно, его можно просто одолжить или взять в аренду. Все-таки инструмент не из дешевых и нет смысла лишний раз тратиться, если в том нет особой надобности. Со всем остальным инвентарем проблем возникнуть точно не должно.
При креплении подрозетника на поверхность стены используются шурупы. Если он будет располагаться внутри, то потребуется проделать в поверхности полость. Мы будем рассматривать стандартную ситуацию, при которой к подрозетнику от щитка подводится только один кабель.
За то, поместятся ли все кабели в коробку, и без того занятую розеткой, особо переживать не стоит. Стандартный 42-х миллиметровый подрозетник спокойно вместит все, что нужно.
Двойные и тройные розетки
Подключение электророзеток производится уже после того, как выбрано для нее место, проложен туда провод и смонтированы подразеточные коробки. После этого отключают автомат или выкручивают пробки, чтобы снять напряжение, и проверяют его отсутствие. Затем зачищают провод. И только после этого производят подключение. Жилы можно просто завести в клеммы или загнуть их концы в виде колец небольшого диаметра. Если происходит подключение розетки с заземлением, то третью, заземляющую жилу необходимо подсоединить к определенной клемме. Перед этим стоит убедиться в том, что она именно заземляющая. На последнем этапе электророзетку устанавливают в подрозетник и прикручивают крышку.
При подключении двойной или тройной электророзетки, правильно будет подсоединить жилы к разным пластинкам, проводящим ток, а не к одной. На вопрос, как подключить розетку с заземлением, можно ответить – аналогично описанному выше. Заземляющая жила также подсоединяется к заземляющей клемме.
Для трехфазной розетки прокладывают отдельный четырехжильный провод и дополнительно устанавливают автоматический выключатель.
При возникает вопрос о том, какой способ подключения розеток выбрать. Можно подключить каждую розетку к отдельной линии электропроводки, а можно подключить несколько розеток к одной линии, выполнив подключение розеток шлейфом. В данной статье рассмотрим случаи, когда можно применить способ соединения розеток шлейфом
. Также приведем преимущества и недостатки данного способа подключения розеток.
Соединение розеток шлейфом предусматривает подключение нескольких штепсельных розеток к одной линии электропроводки. В данном случае линия проводки подключается к первой розетке, от первой розетки провод идет ко второй, от второй к третьей и т.д. Существенный недостаток данного способа подключения розеток — это его ненадежность. Приведем пример, который покажет, в чем заключается ненадежность данного способа соединения.
Три розетки соединены шлейфом, при этом от первой розетки идет провод ко второй, а от второй к третьей. На розетках есть две пары контактов, то есть питающий провод подключается к одним контактам, а провод, питающий следующую розетку, подключается ко вторым контактам розетки.
Вы включаете в третью розетку обогреватель, который потребляет ток величиной в десять ампер. При этом ток течет по пути: третья розетка — вторая розетка — первая розетка — линия электропроводки. Первая и вторая розетка остаются свободными, то есть в них в данный момент не включены бытовые электроприборы. Но по ним течет ток, который потребляет электроприбор, включенный в третью розетку.
Если включить во вторую розетку еще один обогреватель, то по ней будет протекать суммарный ток, то есть двадцать ампер. Кроме того, данный ток будет протекать и через первую розетку. Как правило, штепсельная розетка рассчитана на номинальный ток в 16 ампер. Следовательно, первая и вторая розетки могут повредиться, так как по ним будет протекать ток, который выше номинального значения.
Исходя из вышесказанного, можно сделать вывод о том, что применение способа соединения розеток шлейфом допускается в том случае, когда суммарная нагрузка подключаемых розеток будет невелика, то есть не выше номинального значения одной из розеток.
Например, в одном помещении необходимо установить шесть штепсельных розеток для подключения компьютеров. В данном случае суммарная потребляемая мощность невелика. То есть, при одновременной работе всех компьютеров ток нагрузки, который протекает по всем розеткам, будет небольшим. В данном случае преимущество данного способа соединения розеток заключается в экономии средств на прокладку электропроводки, так как для питания розеток достаточно провести одну линию электропроводки, установить один , а также запитать остальные розетки от первой. Но при этом следует помнить о том, что снижается надежность схемы электропроводки.
Если необходимо установить несколько розеток, в которые будут подключены мощные бытовые электроприборы, то подключение каждой розетки следует выполнить к отдельным линиям электропроводки. В данном случае будет потрачено больше средств, но схема подключения розеток будет надежной.
Чем отличаются параллельное и последовательное подключения
Последовательное подключение представляет собой последовательное соединение проводников в одной общей электрической цепи.

Почему оно последовательное?
Всё очень просто – проводники располагаются в электрической цепи аналогично птицам, которые сидят на проводе – один за другим. В данном случае представим, что птицы держатся за лапы – каждая птица держит своей левой лапой правую лапу ближайшей птицы. Получаем ёлочную гирлянду. Все сидят последовательно.
Кстати говоря, если свободные лапы крайних птиц прислонить к источнику питания, то выйдет фейерверк :)…

Представим, например, светодиод, который имеет + и -. Для того, чтобы объединить такие светодиоды в единую последовательную цепь, мы должны соединить ножку + первого светодиода с плюсом источника постоянного тока, а ножку – соединить с ножкой + следующего светодиода. Ножку – следующего светодиода мы подключаем также к ножке + следующего светодиода, а – подключаем к – источника постоянного тока. Вот мы и собрали простейшую последовательную цепь из трех элементов.
Параллельное подключение выглядит немного иначе.
Если вернуться к примеру с птицами, то птицы уже не сидят на проводе одна за другой, а держат друг друга лапами.
Причем, птицы так извернулись, что одна птица держит своей правой лапой, правую лапу соседней птицы, а левой лапой левую лапу этой же птицы.
Для того, чтобы зажарить таких птиц, остаётся только прислонить букет из этих соответствующих друг другу лап к полюсам источника тока.

Здесь мы берем, скажем, два светодиода, которые имеют ножки + и – соответственно, и соединяем сначала ножки светодиодов по принципу + к + и – к -.
Собранную цепь мы подключаем к источнику тока соответственно полюсам, т.е. общий плюс от двух светодиодов присоединяем к + источника тока, а общий – к минусу источника тока. В результате получили параллельную цепь.
Смешанное соединение сочетает в себе как параллельное, так и последовательные соединения. В зависимости от цели, эти комбинации могут быть различными.

На практике чаще всего используются именно смешанные схемы. Часто анализ такого соединения вызывает затруднения у студентов и школьников.
На самом же деле, тут нет ничего сложного.
Для того, чтобы разобраться во всех параметрах, нужно попросту разложить цепь на удобные фрагменты.

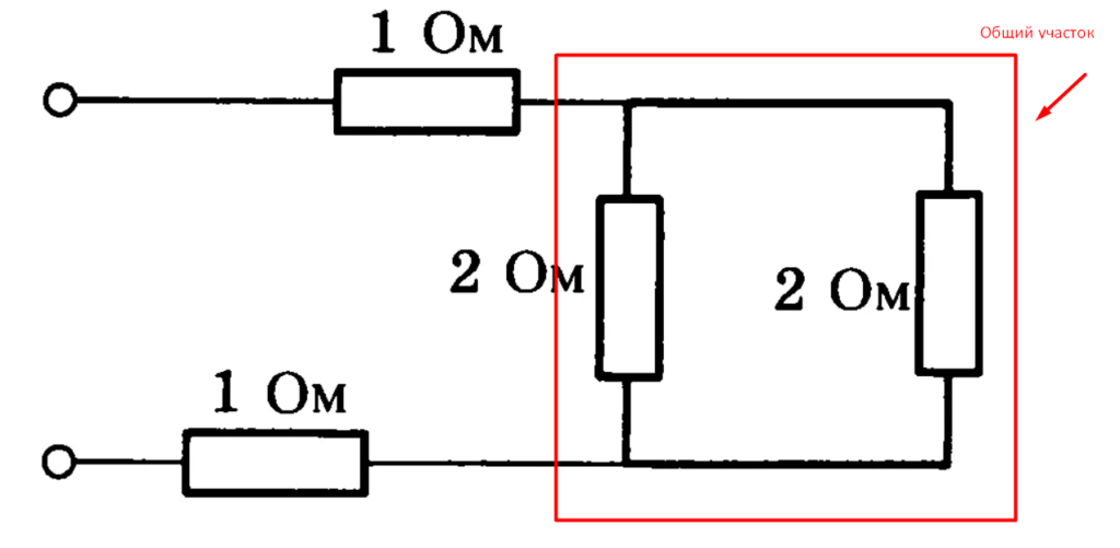
Так, если мы имеем ряд последовательно подключенных резисторов, которые скомпонованы вместе с параллельно соединенными резисторами, то цепь можно разбить на два обобщенных условных участка, где и определить значимый параметр.
Часто испуг вызывает появление в схеме поворотов, углов и изгибов. Человек теряется и не понимает, что от смены направления линии соединительных проводов, логика не меняется.
Схемы подключения розеток
Во время монтажа электропроводки важно правильно выбрать схему подключения нескольких розеток между собой. Всего выделяют три способа:
- Параллельное соединение или подключений звездой.
- Последовательное или шлейфом.
- Смешанное.
Понятия «последовательное» и «параллельное» — в этом контексте условны, и не нужно их воспринимать в классическом понимании соединений элементов электрических схем.
Вышеперечисленные способы можно дополнить кольцевым подключением, когда от одного провода запитывают все розетки квартиры или в доме. Такая схема может включать в себя все три варианта соединения. Каждый из них имеет свои плюсы и минусы. При выборе метода подключения, необходимо учитывать, что электрическое соединение уязвимо в точках скруток. В то же время увеличение количества распределительных коробок снижает продолжительность срока службы проводки.
Рассмотрим каждую схему соединения розеток более подробно.
Последовательная схема
Шлейфовое соединение предполагает последовательное подключение нескольких розеток в ряд между собой. Соединение делают без распределительной коробки, так как фиксацию жил выполняют на контактах розеток в подрозетниках. На основную розетку подводят фазу и нулевую жилу. От нее отходят провода на остальные точки.

Такой метод используют, когда необходимо объединить розетки в единый блок. Но такая схема не годится для подключения силовых устройств, как, например, электрических и микроволновых печей, стиральных машин, кондиционеров. В случае превышения нагрузки контакты могут отгореть. И если отгорит провод в первой розетке — подключенные после неё работать не будут.
Важно также отметить, что провод заземления нельзя пускать шлейфом, он должен подключаться к каждой точке, как показано на схеме выше
Параллельное соединение
Параллельное соединение розеток называют еще подключением по типу «звезда». Суть метода заключается в том, что схема включает в себя распределительные коробки, в которых производят независимое соединение розеток. В коробку заходит один основной, питающий кабель. От него выполняют разветвление проводов по точкам. Внешне это напоминает звезду, по этой причине метод получил свое название.

Важным преимуществом такого метода является автономность работы розетки, то есть независимость от состояния других. Если одна из розеток выходит из строя, то остальные продолжают функционировать дальше. Но если перегорает основной кабель, то напряжение исчезает во всех. Однако в таких случаях всегда достоверно известно, где нужно искать обрыв.
Еще одним недостатком такой схемы соединения (параллельно) является увеличенный расход проводки. Для подключения каждой розетки требуется тянуть отдельную линию, что повышает стоимость электромонтажных работ.
Смешанная схема
Смешанное соединение помогает повысить надежность схемы подключения розеток. Часто такой способ используют при монтаже точек шлейфовым методом. Суть способа заключается в установке распределительной коробки, к которой подводят питающий кабель. Затем выводят электропроводку для каждой розетки в комнате. От него делают ответвления к оставшимся точкам, которые расположены между коробкой и дальней точкой подключения.

Соединение смешанным способом обеспечивает надежность, так как схема включает в себя независимые точки электропитания. В случае выхода из строя одной из них, остальные розетки не лишаются напряжения и продолжают функционировать. Найти обрыв также не составит особого труда, так как электрические точки соединены независимо друг от друга.
Кольцевое соединение
Соединение розеток кольцом — необычная схема, так как применяют ее редко. Но такой метод имеет свой ряд преимуществ. Смысл разводки заключается в прокладке основного питающего кабеля по периметру помещения. Проводка выходит из распределительного щитка и другим концом заходит в него.

Места стыков для ответвления в отдельные комнаты выполнены в распределительных коробках. Соединение выполняют шлейфом или по типу звезды.
Сечение основного кабеля выбирают из расчета общей нагрузки помещения, когда одновременно в каждой комнате включены несколько приборов. Кольцевое соединение не уступает в надежности параллельному подключению, так как в схеме сохраняется автономность работы точек.
Конструкция электрических розеток
Назначение электрической розетки состоит в том, чтобы создать надежный контакт с электрической вилкой. При плотном контакте с вилкой клемма розетки не нагревается и не искрит. Если контакт с вилкой не будет плотным, может произойти его нагрев, оплавление, и даже возгорание.
Параллельное подключение розеток
Корпус розетки должен препятствовать случайному прикосновению к клеммам розетки. Чтобы ограничить себе от подобных моментов, нужно приобретать качественные розетки. По типу розетки могут быть настенными или внутренними. По степени защиты IP они рассчитаны на применение в сухих помещениях, влажных помещениях, на улице в сырую погоду и даже под водой.
При подсоединении провода к розетке, особенно при параллельном подключении розеток, требуется высокая надежность, которая достигается винтовым соединением. К клемме провод должен прикручиваются винтом с плоской шайбой и гровером (пружинной шайбой), который не дает винту откручивается.
Параллельное подключение розеток через распределительную коробку и непосредственно с другой розетки
Кроме обычных розеток с двумя клеммами для фазы и нуля, есть розетки с заземлением, имеющие дополнительную клемму для защитного заземления. С увеличением числа электрических приборов, требуется установка дополнительных параллельно подключенных розеток. В одном месте можно подключить одну, две розетки или блок розеток.
Рабочие этапы установки электрических розеток
- Проверка комплектации изделия с помощью разборки на составные части.
- Для безопасного монтажа отключается питающий автомат электрической сети в электрощите.
- Осуществляется проверка отсутствия напряжения. Используется индикатор напряжения, тестер или мультиметр, заведомо проверенный, рабочий электроприбор.
- Делаем демонтаж старой розетки.
- Производится зачистка или замена старой установочной коробки или подрозетника. Если подрозетник новый его необходимо зафиксировать алебастром или цементным раствором. Питающие провода выводятся наружу.
- Изоляция проводов зачищается на длину до 15мм, желательно зачищенный кончик обработать лужением.
- Присоединяем провода к контактным клеммам.
- Провода сгибаются и помещаются внутрь подрозетника, таким образом, чтобы не создавать помех для беспрепятственного помещения механизма внутрь установочной коробки.
- Механизм розетки помещается внутрь монтажной коробки. Распорочные монтажные лапки разводятся в стороны, жестко фиксируя механизм коробке.
- Устанавливается суппорт, при необходимости закрепляется винтами к коробке.
- Устанавливается декоративная рамка.
- Поверх всего сооружения монтируется декоративная лицевая панель.
- Включается автомат в электрическом щите, подается напряжение на розетку.
- Проверяется наличие напряжения.
Тонкости, которые необходимо знать при подключении розеток
Необходимо обратить внимание на наличие третьего проводника в электрической сети. Это заземляющий провод, в большинстве домов, возведенных в советское время, он отсутствует
Поэтому устанавливая в своем доме евророзетки желательно помнить, что все контактные клеммы обозначены цветом.

Рис. №2. Расположение контактных клемм в механизме розетки и их присоединение к домашней электросети.
О подключении провода к зажимам
Существует два способа подключения проводника к клеммам
- Присоединение к винтовому контакту с помощью зажима провода между контактными пластинами, или с помощью монтажного кольца, в которое закручивается по часовой стрелке, зачищенный кончик проводника. Кольцо крепится между пластинами под винт.
- Присоединение к пружинным безвинтовым клеммам. Выполняется с помощью нажатия на специальный фиксатор, который разжимает контактную систему.
Установка блока розеток
Пресс-клещи универсальные
Для работы необходим определенный набор инструментов:
- индикатор напряжения;
- уровень;
- универсальная отвертка;
- пассатижи;
- карандаш и строительный нож;
- пресс клещи;
- термотрубка;
- перфоратор.
Расстояние между центрами подрозетников должно быть строго 72 мм
Вначале выполняют схему разводки. На ней указывают расположение распределительных коробок, розеток, выключателей. Размечают трассу, по которой будут идти провода. Они должны располагаться строго вертикально и горизонтально, иметь не более одного изгиба под прямым углом. Глубина каналов до 2,5 см, ширина 3. Длина от коробки до розетки не более 3 метров. Схему следует сохранить, чтобы при следующем ремонте во время работ не попасть в провод.
Наиболее трудоемкая работа — штробление стен. Удобнее это сделать специальным инструментом, но можно обойтись и подручными средствами – молоток, зубило, «болгарка», дрель с победитовым сверлом 8–10мм. Ее следует держать перпендикулярно стене, работать на малых оборотах. Сверло периодически охлаждать в воде.
Далее выполняют отверстия для подрозетников. Гильзы крепят на алебастре или гипсе. Чтобы раствор быстро не застывал, в воду можно добавить клей ПВА. Стандартная коробка имеет глубину 45 мм. В подрозетник легко поместится все необходимое.
Порядок монтажа
Гипсокартон — хрупкий материал, работать с ним нужно осторожно
Прежде чем приступать к самостоятельной установке розеток, потребуется ознакомиться с инструкцией по их монтажу. Проще всего рассмотреть пример, когда они устанавливаются в гипсокартонной стене. Порядок работ в этом случае выглядит так:
- Берется электродрель с насадкой типа «коронка», посредством которой в выбранном месте подготавливается отверстие под розетку. Его диаметр должен совпадать с размером пластикового корпуса (стакана), используемого в качестве крепежного основания и фиксируемого непосредственно на месте установки.
- В стакан помещается монтируемая розетка и крепится в нем с помощью длинных распорных винтов.
- К контактам необходимо присоединить выведенные наружу фазный и нулевой проводники, а затем закрыть изделие декоративной крышкой.
На завершающем этапе работ следует подать питание в линию и проверить розетку на работоспособность — подключить к ней любую бытовую технику.
Чтобы правильно подключить сразу несколько розеток подряд (шлейфом), специалисты советуют обратить внимание на следующие моменты:
- Провод с фазной клеммы одного розеточного узла протягивается до того же контакта следующего изделия и так далее. К такому шлейфу можно добавить весь комплект розеток, устанавливаемых в данном помещении.
- Точно так же поступают с нулевым проводником, прокладываемым от соответствующего контакта ко второму и последующим изделиям, закрепленным на стене.
- При наличии заземляющей жилы с ней проделываются те же операции.
К преимуществам этого метода присоединения следует отнести простоту реализации и экономное использование расходного материала (проводов). К недостаткам – ненадежность системы, в которой обрыв одного из проводников приведет к обесточиванию всех подключенных к этому шлейфу последующих розеток. В этом смысле соединение звездой выглядит намного предпочтительнее.
Можно ли подключать розетки последовательно
Соединение розеток в последовательном режиме имеет ряд недостатков и ограничений. В большом помещении и значительном числе мощных электроприборов нельзя использовать такой способ – нагрузка получается слишком высокой. Лучше запараллелить розетки или использовать кольцевой тип. Рекомендованное количество на одну цепь – 5-6 штук.
Еще один минус – неравномерное распределение напряжения в точках питания. На каждую розетку приходится часть общего электропотока. Потому в помещениях жилого и производственного назначения последовательное подключение не используют. Но в елочных гирляндах и других использовать можно.
Установка изделия с выключателем
Интересным с точки зрения порядка подсоединения розеток является вариант исполнения с выключателем, размещенным в том же корпусе. В этом случае операция по подключению несколько усложняется, что объясняется особой схемой коммутации розетки. При подсоединении к шлейфу фазный провод делается проходным, он не должен подсоединяться к ответному контакту выключателя. В случае отключения данной розетки вся линейка следующих за ней изделий не будет обесточиваться.
К преимуществам совмещенных конструкций относят:
- Допустимость исключения электрического узла из общего шлейфа без ущерба для всех остальных его элементов.
- Удобство обслуживания и ремонта, не касающееся других розеточных изделий.
- Эстетичность и простота монтажа.
Способы подключения розеток
Сегодня подключение розеток осуществляют двумя способами: в первом обустраивается для каждой точки отдельная линия электропроводки, во втором – к одной ветке подключается сразу несколько точек.
Тип устанавливаемых розеток тесно связан со разновидностью разводки: используются ли однофазные розетки, оснащенные заземлением или без него, либо же устанавливаются трехфазные устройства для запитки приборов, которые работают при сети напряжением в 380Вольт.
Преобладающее большинство технических устройств, нуждающихся в подключении к электроснабжению, расположено или приурочено к кухне и ванной комнате:
Розетки для мощных потребителей, например, электрических духовых шкафов или бойлеров, подключают отдельной линией. По возможности используют при монтаже цельные куски кабеля, лишенные каких-либо соединений. Электролинии прокладываются по отдельности от щитка до каждой точки, что несколько напоминает по схеме исходящие от звезды лучи.
При необходимости подключения каждого такого потребителя запитываемая точка должна выдерживать номинальный ток в 16 – 32А. На ток с таким же показателем рассчитан и стоящий на входе защитный автомат.
Шлейфовое подключение выбирают в том случае, если необходимо запитать электрические розетки одной группы. Эти группы формируются в соответствии с расположением по дому приборов.
Розетки с отдельными линиями – единственно верный вариант для обслуживания мощных бытовых приборов типа стиральной машинки или электроплиты
Способ предполагает соединение всех элементов к общей питающей линии электропроводки.
Чтобы свести на «нет» риск выведения из строя сразу нескольких точек, мастера рекомендуют в одну систему включать не более двух-трех розеток. Этот момент четко прописан в СП 31-110-2003: подключать шлейфом допускается до трех дополнительных электроприемников.
Существенным «минусом» такой схемы является то, что при случайном повреждении одной из жил в месте контакта перестают работать все следующие за ней элементы
Единственное условие – чтобы суммарная нагрузка по току не превышала в два раза значение рабочего номинального тока первого (головного) электроприемника.
Но, при любом раскладе, созданная подобным образом цепь рассчитана на нагрузку, суммарный показатель которой не превышает 16А. При несоблюдении условий эксплуатации велика вероятность создания аварийных ситуаций.
При подключении розеток вовсе не обязательно применять чистый тип разводки. При грамотном подходе их можно комбинировать, например, довести питающий кабель до распределительной коробки. А после нее направить один кабель в виде шлейфа, другой же подвести отдельно к точке запитки мощного оборудования в доме.
Количество проложенных от щитка питающих линий зависит от того, сколько маршрутов электропроводки предполагается проложить.
Для подключения электрокамина мощностью в 2кВт стоит предусмотреть отдельную независимую розетку, утюг же смело можно запитывать от точек, соединенных шлейфовым способом
Независимо от типа выбранного способа электропроводку можно выполнять в одном из двух вариантов:
- открытый – предполагает прокладку проводов на поверхности стены;
- закрытый – предполагает выдалбливание каналов для прокладки силовых линий в бетонных и кирпичных стенках, выборку канала в древесине для прокладки кабеля, затянутого в гофротрубу.
Открытый вариант удобнее и проще относительно не только монтажа, но и обслуживания и контроля. Но относительно эстетического аспекта открытый провод не всегда уместен. Да и к тому же открытый способ монтажа «съедает» часть полезной площади: сверху кабеля невозможно повесить полку или придвинуть вплотную к стене мебель.
При открытом способе монтажа для защиты РЕ проводника от механических повреждений и придания ему большей презентабельности используют кабель-каналы, либо же плинтусы из пластика
Внутреннее пространство большинства кабель-каналов имеет перегородки, между которыми удобно размещать провода. Контроль за состоянием трассы осуществляют через верхнюю съемную часть.
Закрытый вариант проводки удобен тем, что исключает возможность случайного повреждения кабеля, делая его при этом незаметным для окружающих.
Чтобы минимизировать необходимость «раскурочивания» стен для создания штроб, закрытую проводку выполняют на этапе строительных или ремонтных работ до момента выполнения отделки
Но «невидимость» закрытой проводки способна сыграть и злую шутку при попытке «забить гвоздь». Поэтому существует негласное правило: провода прокладывать относительно розеток строго вертикально или горизонтально.
Монтаж ответвлений в подрозетнике
Чтобы в полной мере соблюсти требования ПУЭ и при этом не нести слишком больших затрат на прокладывание отдельного РЕ-проводника к каждой розетке, можно сделать ответвления непосредственно в подрозетнике. Для этого могут использоваться специальные клеммники или обжимные гильзы.
Главным достоинством клеммников является отсутствие необходимости использования специального инструмента для их монтажа. Такие изделия устанавливаются очень быстро и просто. Кроме того, каждое из них может быть легко демонтировано для проведения ремонта или обслуживания мест соединения элементов проводки.
В свою очередь, к преимуществам обжимных гильз относится более высокое качество электрического соединения, а также их низкая цена.
Фазные и нулевые провода допускается подсоединять непосредственно к контактам розетки. Качество такого соединения во многом определяется типом контакта. Стандартные болтовые зажимы часто не способны обеспечить достаточную надежность соединения сразу двух вставленных в них проводов. Поэтому для устройств, предназначенных для подключения шлейфом, необходимо использовать клеммники. Другой вариант – применять качественные устройства, оборудованные несколькими зажимами для каждой клеммы.
https://youtube.com/watch?v=YZ–N5Zr0GI
Подключение
Прикручиваем розетку к стене, вставляем провода в соответствующие гнёзда.
Далее зачищаем концы у продолжения шлейфа. Изгибаем. С помощью клеммных колодок (или гильз с обжимным инструментом) и проводов подходящего размера удлиняем шлейф.
Изгибаем и вставляем провода в соответствующие гнёзда. В каждом гнезде один провод будет находиться слева от прижимного винта, другой — справа. Самый ответственный момент: затягиваем
Здесь важно не перестараться, но еще страшнее недотянуть. Проверяем каждый из четырёх проводов подёргивая их и дозатягивая, при необходимости, винты. Не используйте индикаторную отвёртку для этих целей
Существуют отвёртки с ограничением момента вращения, но это совсем другие деньги. Подключение розетки выполнено как на левой части схемы
Не используйте индикаторную отвёртку для этих целей. Существуют отвёртки с ограничением момента вращения, но это совсем другие деньги. Подключение розетки выполнено как на левой части схемы.
Розетка с присоединёнными проводами
Довольно трудная, но не очень ответственная операция:
Прорезание выемки для провода
У меня никогда не получается сделать это быстро и красиво без специального инструмента. Можно использовать клещи для пробивания дырок в ремне.
Прикручиваем крышку розетки, проверяя горизонтальность с помощью строительного уровня. Включаем главный рубильник. Проверяем сначала на настольной лампе, потом — на утюге. Если при включённом утюге из розетки слышны хоть какие-то звуки, то перепроверяем и перезатягиваем все соединения предварительно выключив главный рубильник!
Поделиться с друзьями:
Подключение розеток шлейфом. Особенности подключения розеток шлейфом
Схемы подключение розеток шлейфом

Соединяют розетки шлейфом несколькими способами;
— радиальное подключение или подключение звездой используется при монтаже электропроводки в домах и квартирах. При таком монтаже розеток, каждая розетка подключена к распределительной коробке или к электрощиту отдельной линией и устанавливаются они в одном месте, рядом.
Этот способ характеризуется большой надежностью и безопасностью, но из-за необходимости в дополнительном кабели он считается самым затратным. Штробу для такого способа параллельного соединения можно делать одну широкую для всех кобелей. Если розетки предназначены для больших нагрузок, то необходим именно этот способ монтажа;
— кольцевая схема соединения представляет собой подключение розеток с двух сторон, то есть на кольцо. Такой вид соединения увеличивает надежность, безопасность и экономичность электропроводки. Но в нашей стране этот метод практически не используется, хотя за рубежом он достаточно популярен;
— подключение розеток шлейфом (параллельно) делают с целью снижения затрат на кабель, но в этом случае снижается надежность и безопасность электропроводки. При таком варианте подключения нужно предусмотреть чтобы суммарная мощность нагрузок потребителей шлейфа розеток не превышала допустимый ток кабеля.

Подключение розеток шлейфом
Для соединений шлейфом нужно предусмотреть, чтобы суммарная мощность нагрузок шлейфа розеток не превышала допустимый ток кабеля. Здесь допустимая нагрузка на одну розетку ниже, чем у одиночной розетки с отдельной линией или розетки подключённой по радиальному способу.
Особенности установки розеток шлейфом
Подключение розеток шлейфом имеет свои плюсы и минусы. Минусом можно читать то, что при обрыве провода в группе, не будут работать последующие розетки. При меньшем числе розеток в группе надежность их повышается. Единственным плюсом можно считать экономию и простоту монтажа электропроводки.

Подключение розеток шлейфом без разрыва заземления методом пайки
Подключение розеток шлейфом по ПУЭ должно быть без разрыва проводника PE. Заземление подключается к клеммам розетки PE только ответвлением. Это связано с тем, что при обрыве проводника заземления розетка остается без защитного заземления. Мощность группы розеток не должно быть больше 3 квт и подключается к автомату 16 А. Если нагрузка группы превышает 3 квт, тогда необходимо к каждой розетке вести отдельную линию.
Порядок монтажа ответвлений в подрозетнике
Часто подключают группу розеток к одному трехжильного кабелю и соединяют их шлейфом, то есть параллельно. При параллельном соединении не соблюдается требование непрерывности защитного заземления. Соединение шлейфом двух проводников PE на одной клемме, снижает надежность контакта.
Шлейфом соединяют все три проводника в каждой розетке (фаза, ноль и заземление). Подключение шлейфом делается в случае небольших нагрузок потребителей и при нормальных условиях эксплуатации. Также используют шлейф при необходимости скорого добавления розеток.

Подключение розеток шлейфом без разрыва защитного заземления PE методом опрессовки
При соединении шлейфом, для увеличения надежности контакта, концы жил нужно выгибать под кольцо и пропаивать. Желательно чтобы на клемме была прямоугольная шайба, для плотности контакта. Однако правильное соединение проводника заземления PE должно быть без разрыва и иметь ответвление.
Концы провода заземления соединяют опрессовкой, с выводом ответвления. Гильза после опрессовки изолируется специальным колпачком. Такое соединение заземления делают для каждой розетки в подрозетнике. Опрессовка считается самым надежным соединением и обеспечивает непрерывность провода заземления.
Ответвление снижает нагрузку на клемму. Некоторые специалисты рекомендуют использовать соединение с ответвлением и опрессовкой, не только для заземления, но и для фазного и нулевого проводника. Места для укладки ответвлений и опрессовки в современных подрозетниках достаточно. Делают соединение шлейфом при добавлении одной или двух розеток, с небольшими ремонтными работами.
Пошаговый процесс установки розетки своими руками
Извлечение старой конструкции
- Обесточиваем розетку, отключая все переключатели в электрощите. Чтобы убедиться в том, что тока в розетке нет, используйте мультиметр – электроизмерительный прибор.
- Приступая к разбору старой конструкции, первым делом необходимо выкрутить шурупы и убрать верхнюю часть корпуса. Крышка устройства изготавливается из пластмассы, обычно ее фиксируют два винта.
- Под крышкой находится внутренний механизм розетки, с которым далее осуществляется работа.
- Рабочую часть изделия также снимают, выкручивая шурупы. При этом следует аккуратно придерживать часть старой розетки.
- С помощью ножа необходимо на 10 мм оголить провода.
- Новое устройство также необходимо разделить на 2 части – основу и крышку.
Замена подрозетника
Иногда необходимо не только установить конструкцию, но и заменить подрозетник в точке. Потребность в замещении оборудования может возникнуть по ряду причин: подрозетник покрылся трещинами, сломался или, оказалось, что он не надлежащим образом выполнял свои функции.

Установка нового устройства не вызовет особых трудностей. После изъятия старого оборудования необходимо соблюдать определенный порядок действий:
Извлечь старый прибор можно, выкрутив шурупы, фиксирующие его в стене.
Чтобы вытащить его из стены, нужно поддеть его ножом (при установке подрозетника в гипсокартонной стене). Если в помещении стены из бетона и кирпича, извлечь механизм можно с помощью пассатижей или отвертки.
В новый подрозетник вдевают провода
Важно перед покупкой нового устройства замерить диаметр отверстия или старой конструкции, так как габариты подрозетников могут различаться.
Для фиксации устройства в стене используют гипсовый раствор, который изготавливается согласно инструкции, приложенной к продукту.
После высыхания раствора можно приступать к установке розетки.
Установка новой розетки
При работе с двойной розеткой действия производятся путем подсоединения обоих элементов конструкции к одной линии проводки. В один из них подводят 6 проводов, а во второй шлейф из 3 основных проводов.
Это означает, что один элемент розетки будет принимать ток и впоследствии передавать его другому.
Схема соединения

- Перед тем, как монтировать новое устройство, специалисты советуют разделать концы проводов заново. С помощью кусачек их нужно укоротить примерно на сантиметр, после чего очистить от изоляции концы.
- Если провод многожильный, его необходимо подкрутить плотнее.
- Внутреннюю часть нового изделия необходимо аккуратно вставить в подрозетник, чтобы розетка ровно вошла в отверстие.
- Крепко прижимая деталь к стене, нужно закрутить шурупы и зафиксировать прибор в подрозетнике.
Подключение проводов к блоку розеток
Обратите внимание, что провода подсоединяются особым способом (как показано на схеме ниже). При невыполнении предписаний может произойти короткое замыкание

При установке оборудования наперво в подрозетник укладывается аккуратно свернутый провод. Он не должен соприкасаться с распорными лапками коробки, иначе розетка не будет исправно работать.
В случае установки розетки на новую точку, рекомендуется проверить длину провода. Она не должна превышать 20 см, иначе может не поместится в подрозетник.

























































