Схема подключения изделия
Для удобного управления светом из нескольких мест применяется минимум два одноклавишных проходных устройства, поскольку они работают только в паре. Каждый из них оснащен одним контактом на вход, двумя – на выход.
Как и при установке любого электротехнического оборудования, перед монтажом проходного выключателя необходимо обесточить участок электросети, отключив питание на распределительном щите. Чтобы убедиться в отсутствии напряжения в проводах, можно воспользоваться индикаторной отверткой. Аналогичная проверка производится во всех местах подключения.
При подключении проходных выключателей используется минимум два изделия. В цепи может присутствовать один или несколько светильников, которые будут включаться/выключаться одновременно
При прокладке проводки скрытого типа для подведения проводов прокладываются штробы, делаются отверстия для распредкоробок и подрозетников в соответствии со схемой размещения приборов.
Планируя работы важно понимать, что просто заменить обычный выключатель на проходной не получится. Провода рекомендуется прокладывать на расстоянии 15 см от потолка
Их можно не только протягивать скрытым способом, пряча в штробы, но и укладывать открытым способом, прятать в короба, лотки.
Второй способ позволит снизить трудоемкость работ, а также минимизировать затраты при необходимости ремонта. Концы кабеля заводятся в распредкоробки, соединяются при помощи коннекторов.
Где используется система трех выключателей?
Оборудование выключателя с управлением с трех разных точек обеспечивает практичность. Исчезает надобность идти через всю комнату или длинный коридор, чтобы включить или выключить свет.
Пример расположения выключателей в спальне
Рационально использовать такую систему проводки для двора или приусадебного участка. Вышли из дома включили свет, подошли к строению выключили. Вышли снова включили, пошли к другому объекту.
Например, комната имеет несколько спальных мест. Первый прибор будет у двери, второй возле одной стороны, третий возле второй стороны кровати. То есть, нет необходимости вставать выключать свет.
Лестничное освещение
Или освещение проема лестницы, для того чтобы не подниматься или спускаться в темноте. Один выключатель устанавливается вначале внизу, следующий посередине, а третий в конце, наверху лестницы.
Удобно использовать подключение с 3х мест в подъездах. На первом этаже включили светильник, на втором или третьем выключили. Это значительно экономит электроэнергию.
Актуально устанавливать выключатели на три точки в продолговатых коридорах и проемах, с несколькими входами в разные помещения. В начале коридора включили в середине или в конце выключили.
Схема контроля лампы используется как в одной комнате, так и для большого пространства.
Использовать такую систему освещения можно даже в проходных комнатах. В одной комнате включили, прошли комнату, в другой комнате выключили. Удобно и экономно.
Подключение проходного переключателя
Перед тем, как сделать проходной выключатель в одной из комнат, нужно обратить внимание на следующие важные моменты:
- Подключение такого переключателя требует наличия трехжильного силового кабеля ВВГнг-Ls 3*1,5 или NYM 3*1.5мм².
- Сам прибор должен быть соответствующего типа. На стандартных выключателях схема работать не будет. Поэтому во время покупки конструкции проверьте количество контактов с тыльной стороны устройства: стандартные конструкции с одной клавишей оборудованы 2 клеммами (вход и выход из цепи), а маршевые – 3 (1 клемма сверху и 2 снизу).

Теперь рассмотрим, как подключить проходной выключатель по схеме управления светом из 2-х мест. Первым шагом выполняется установка прибора в подрозетнике. Для этого нужно аккуратно снять накладные рамки конструкции и саму клавишу, это поможет увидеть расположение контактных клемм. Затем определяют общее звено среди них. Многие производители размещают схему проходных выключателей непосредственно на изделиях.

Если электрической схемы нет, то можно воспользоваться специальным тестером, который поможет прозвонить цепь. Нужно поочередно пройтись по всем контактам и остановиться на том, на котором прибор покажет «0» и будет издавать длительный звук. Это и будет общая клемма, к которой подключается фаза с кабелем питания. К остальным звеньям подводят оставшиеся 2 провода. Очередность здесь значения не имеет. После этого на переключатель возвращают клавишу и рамку и закрепляют в коробке под розетку.
С выключателем, который будет располагаться в другом конце помещения, проводят точно такую же процедуру.
Схема подключения проходного выключателя с 2х мест
Схема проходного выключателя с двух мест выполняется при помощи двух проходных одноклавишных устройств, которые работают только в паре. У каждого из них на месте входа есть один контакт, а на месте выхода – пара.
Перед тем как подключить проходной выключатель, схема подключения наглядно отображает все этапы, следует обесточить помещение при помощи соответствующего выключателя, находящегося в щите управления. После чего необходимо дополнительно проверить отсутствие напряжения во всех проводах выключателя. Для этого следует использовать специальную отвертку.
Для выполнения работ понадобится: плоская, крестовая и индикаторная отвертки, нож, бокорезы, уровень, рулетка и перфоратор. Для установки выключателей и прокладки проводов в стенах помещения следует выполнить соответствующие отверстия и штробы, согласно плану расположения приборов.
В отличие от обычных выключателей, проходные переключатели имеют не два, а три контакта и могут переключать «фазу» с первого контакта – на второй или третий
Прокладывать провода необходимо на расстоянии не менее 15 см от потолка. Они могут располагаться не только скрытым способом, но и быть уложены в лотки или короба. Такой монтаж дает возможность быстрого выполнения ремонтных работ в случае повреждения кабеля. Концы проводов обязательно заводятся в монтажные коробки, в которых также выполняются все соединения с помощью контакторов.
Порядок установки проходных выключателей на 2 точки: схема подключения
Все действия по установке коммутирующих устройств выполняются на основании схемы подключения из 2 мест проходных выключателей, которую можно найти в интернете. Она отличается от монтажа обычных выключателей, поскольку здесь присутствуют три провода вместо двух привычных. В этом случае два провода применяются в качестве перемычки между двумя выключателями, расположенными в разных местах помещения, а третий используется для подачи фазы.
В качестве источника освещения в такой схеме могут использоваться любые типы ламп – от обычных ламп накаливания до люминисцентных, энергосберегающих и светодиодных
К распределительной коробке должно подходить пять проводов: питающий от автомата, три кабеля, идущих на выключатели, и подключаемый провод, направленный к осветительному прибору. При построении схемы подключения одноклавишного проходного выключателя используются трехжильные кабеля. Провод «ноль» и заземление выводятся непосредственно на источник света. Коричневый провод фазы, который поставляет ток, проходит через выключатели, согласно схеме, и выводится на лампу освещения.
Переключатели подсоединяются в разрыве фазного провода, а нуль, пройдя распределительную коробку, направлен на осветительный прибор. Пропуск фазы через выключатель обеспечит безопасность во время ремонта и обслуживания светильника.
Установка проходного выключателя состоит из такой последовательности действий:
- выполняется зачистка концов проводов от изоляции;
- при помощи индикатора необходимо определить фазовый провод;
- при помощи скрутки фазовый провод следует соединить с одним из проводов на первом выключателе (здесь задействуют провода белого или красного цвета);
- выполняется соединение проводами между собой нулевых клемм переключателей;
- подключение отдельного провода второго выключателя к светильнику;
- в распределительной коробке провод от светильника соединяется с нулевым проводом;
При установке проходных выключателей самостоятельно, необходимо позаботиться о технике безопасности
Полезные видео по теме

На страницах сайта я уже публиковал материал как подключить проходной выключатель, где рассматривалась схемы подключения как одноклавишных, так и двухклавишных проходных выключателей с двух, трёх и более мест установки.
Кому лень переходить на другую страницу напомним схему подключения двухклавишного выключателя освещения в режиме нормальной работы. Ничего заумного. Перекидные контакты как в одноклавишном только на две разделённые группы
Так выглядит цепочка состоящая из двух одноклавишных и парочки двухклавишных проходных переключателей. Это для примера. Такая цепь может например применяться в длинных офисных коридорах. В ряде случаев его так и называют проходной коридорный выключатель света.

В данной статье речь пойдёт о схеме, по которой можно подключить двухклавишный выключатель проходного типа как обычный на две группы включения освещения.
Зачем это нужно? – опять же практика
Недавно проводя по заявке электромонтажные работы по переносу в квартире розеток и выключателей, на финишной прямой, когда дело дошло до установки коммутационных устройств выяснилось, что заказчик в спешке купил проходные двухклавишные выключатели, вместо обычных не обратив внимание на стрелочки указанные на клавишах. Ехать менять клиент не захотел, лишь прокряхтел – «Ну может как-нибудь, а?»
Помарковав со схемкой, подключил проходной двухклавишный выключатель Рис.1 в работу обычного, установив в штатной схеме перемычку между двумя контактными группами. Указательные стрелки на клавишах выключателя заказчика не смутили, а даже наоборот показались к месту. В общем все стороны остались довольны.
Может данная наглядная схема подключения проходного двухклавишного выключателя в режим обычного кому-нибудь и пригодится.

Собрать такую несложную схемку подключения с использованием одной перемычки своими руками сможет любой домашний мастер.
Схема проходного двухклавишного выключателя с двух мест Как подключить двухклавишный проходной выключатель с двух мест И так как теперь по любому все резко стало ясно, переходим к порядку монтажа нашей схемы с двухклавишными проходными выключателями. Важным этапам монтажа схем подобной сложности является правильная маркировка всех кабелей и отдельных их жил проводов.
Рисунок 1.
Теперь его можно выключать сразу, а освещение отключит таймер через 2 минуты. Как подключить двухклавишный проходной выключатель
https://youtube.com/watch?v=rg0J-caHDjQ
Рассоединяете их, и подключаете между ними перекидной. На практике такие приспособления используются для того, чтобы включить освещение в одной точке, пройти с комфортом определенный участок и выключить свет в другой точке, не возвращаясь .
Электроустановочные изделия хорошего качества имеют не только современный вид, но и служат долго, а также легко монтируются. Когда монтаж системы освещения закончен, все цепи нужно проверить контрольными приборами.
Этот провод подключается к корпусу светильника. Инструкции Cхема подключения двухклавишного проходного выключателя переключателя Двухклавишный проходной выключатель представляет собой объединенные в одном корпусе два одиночных проходных переключателя. Давайте сначала рассмотрим схему подключения одноклавишного перекидного выключателя, а затем — двухклавишного. 
Оттого и сами контакты, и принцип работы коммутаторов с ними так же именуются перекидными. подключение проходного двух клавишного выключателя
Типы выключателя на 3 точки
Выключатели с трех мест представлены двумя типа изделий: проходными и перекрестными. Последние не могут использоваться без первых. По принципу работы перекрестные делятся на:
- Клавишные.
- Поворотные. Для замыкания контактов используется поворотный механизм. Представлены разнообразным дизайном и обойдутся дороже обычных.
С учетом монтажа перекрестные делятся на:
- Накладные. Монтаж производится поверх стены, не требует создания в стене выемки для установки блока. Если отделка помещения не запланирована, то такой вариант идеален. Вот только такие модели недостаточно надежные, ведь подвержены внешним факторам;
- Встроенные. Устанавливаются в стену, подходят для работ по разведению проводки во всех типах зданий. Предварительно готовится отверстие в стене по размерам коробки переключателя.
Проходной
В проходном выключателе в отличие от классической модели встроено три контакта и механизм, который объединяет их работу. Главное преимущество изделия – возможность проводить включение или выключение с двух, трёх или более точек. Второе наименование такого выключателя «перекидной» или «дублирующий».
Конструкция проходного выключателя с двумя клавишами напоминает два независимых друг от друга одноклавишных выключателя, но с шестью контактами. Внешне проходной от обычного выключателя не отличить, если бы не специальное обозначение на нем.
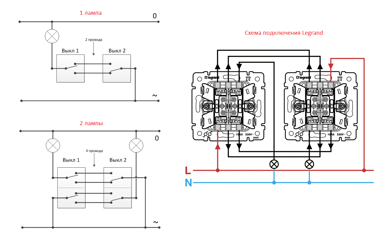
Схема подключение проводов проходного выключателя в распредкоробке
Схема без заземляющего проводника. Теперь самое главное это правильно собрать схему в распределительной коробке. В нее должны заходить четыре 3-х жильных кабеля:
кабель питания с автомата освещения распредщитка
кабель на переключатель №1
кабель на переключатель №2
кабель на светильник или люстру
При подключении проводов удобнее всего ориентировать по цвету. Если будете использовать трехжильный кабель ВВГ, то у него наиболее распространены две цветовые маркировки:
белый(серый) – фаза
синий – ноль
желто зеленый – земля
или второй вариант:
белый (серый)
коричневый
черный
Чтобы подобрать более правильную фазировку во втором случае, ориентируйтесь на советы из статьи “Цветовая маркировка проводов. ГОСТы и правила.”
Сборка начинается с нулевых проводников. Соединяете нулевую жилу с кабеля вводного автомата и ноль отходящий на светильник в одну точку посредством клемм ваго.
Далее нужно соединить все жилы заземления, если у вас есть заземляющий проводник. Аналогично нулевым проводам “землю” с вводного кабеля объединяете с “землей” отходящего кабеля на освещение. Этот провод подключается к корпусу светильника.
Осталось правильно и без ошибок подключить фазные проводники. Фазу с вводного кабеля нужно соединить с фазой уходящего провода на общую клемму проходного выключателя №1. А общий провод с проходного выключателя №2 отдельным зажимом wago соединить с фазной жилой кабеля на освещение. Выполнив все эти подключения остается лишь соединить между собой второстепенные (отходящие) жилы с выключателя №1 и №2 между собой
Причем абсолютно не важно как вы их соедините
Можно даже перепутать цвета. Но лучше все же придерживаться расцветки, чтобы не запутаться в будущем. На этом можно считать схему полностью собранной, подавать напряжение и проверять освещение.
Основные правила подключения в этой схеме которые вам нужно запомнить:
- Фаза с автомата должна приходить на общий проводник первого выключателя
- Эта же фаза должна выйти с общего проводника второго выключателя на лампочку
- Два остальных вспомогательных проводника, соединяются между собой в распредкоробке
- Ноль и земля подаются напрямую без выключателей сразу на лампочки
Перекрестный
Перекрестные модели с 4 контактами, что позволяет одновременно подключить два контакта. В отличие от проходных, перекрестные модели не могут использоваться самостоятельно. Их устанавливают в комплекте с проходными, на схемах обозначают идентично.
Напоминают такие модели два спаянных одноклавишных выключателя. Специальными металлическими перемычками соединены контакты. Всего одна кнопка выключателя отвечает за работу системы контактов. При необходимости перекрестную модель можно сделать самому.
Принцип работы перекрестного отсоединителя
Проходной прибор включения и выключения света внутри имеет четыре клеммы — на вид такой же, как обычные выключатели. Такое внутреннее устройство необходимо для крестообразного соединения двух линий, которые будет регулировать выключатель. Отсоединитель в один момент может сделать расключение двух оставшихся выключателей, после чего их вместе соединяет. Результатом становится включение-выключение света.
Назначение
Такая тенденция при увеличении количества подключенных проводов при монтаже проходного трехклавишного выключателя с управлением из трех мест, приведет к проблеме с большим количеством проводов. Схема параллельного подключения ламп Устанавливайте светодиодные экономичные лампы, это существенно снизит затраты на электроэнергию, потребуются кабеля меньшего сечения, что сэкономит финансовые затраты. 
В этом случае самый простой и надежный способ отключить автомат освещения в щитке. И чем больше у вас светоточек, тем большее их количество будет в распредкоробках.
Чем характерна схема подключения проходного двухклавишного коммутатора? То же самое выполняет и двухклавишный выключатель. Если вы уже лежите в постели? Как это сделать, читайте в статье » Беспроводной проходной выключатель. Порядок подключения проводов, которые по схеме проложены между переключателями и подсоединяемые в клеммы со стрелками, не критичен. Однако выключатель с тремя клеммами здесь уже не подойдет. В шов закладывают трехжильный кабель и шпаклюют стену. Используется с той же целью для управления тремя группами светильников. По сути, мы можем использовать в этой схеме два одноклавишных выключателя вместо двухклавишного. Глядя на обе схемы, сразу заметно, как подключен фазный провод. А если вам вообще не хочется прокладывать провода и штробить стены, можно ли в этом случае смонтировать проходные выключатели?
Как работает 2х клавишный ПВ
На нижней части иллюстрации цепь замкнута, и свет включен. Разновидности перекрестных и проходных переключателей Давайте знакомиться поближе с предметом нашего интереса. Это позволит избежать ошибок при монтаже. Пример установки проходных выключателей в спальне Перед Вами вопиющий пример непредусмотрительности: в спальне нет проходных выключателей!
Это следует приять к сведению, прежде чем подключить двухклавишный коммутатор. Схема подключения одинарного проходного выключателя значительно проще и может помочь организовать управление электроосвещением из двух точек. Иногда стремятся к экономии, покупают провода тонкого сечения, не учитывают максимально допустимую длину кабеля. Внешний слой изоляции с провода снимается почти полностью до вводного отверстия, оставляют см. Материалы Подключение двухклавишного проходного выключателя Без проходных выключателей совершенно не обойтись в современном интерьере.
Установить декоративные панели устройств. Вот схема, поясняющая принцип работы такого устройства: Схема с перекрестным выключателем У него уже 8 контактов. Двухклавишные проходные выключатели из 2-х мест. Схема подключения
Проходная коммутация источников света
Логика экономии электроэнергии, расходуемой на приборы света или другие, объясняется простыми действиями пользователя.
Если световой прибор необходим, к нему подводят электричество путём простого замыкания контакта выключателя. В другом случае выполняется обратное действие.
Однако предположим, что помещение (жилое или другого назначения) проходное. Тогда пользователь включит приборы света на входе, но покидая помещение через другую дверь, уже не в состоянии будет обесточить цепь. Налицо нерациональное использование электричества.
Но ситуацию легко поправить. И сделать это поможет вариант подключения проходного выключателя с двух мест помещения для схемы проходного режима.
Например, есть помещение с функциональным назначением – коридор. Требуется сделать управление общей группой светильников этого помещения из двух точек – у первой (проходной) и у второй (проходной) двери.
Как подключить проходные выключатели с трех точек
Если нужно обеспечить дистанционное управление освещением сразу с трех мест, нужно дополнить схему перекрестным выключателем. Главной его особенностью является то, что он переключает сразу по два контакта, в связи с чем оборудуется двумя выходами и входами. Подключение трех выключателей несколько сложнее в сравнении с предыдущим случаем, но в целом, можно без трудностей разобраться в принципе работы этого оборудования.
Чтобы подключить освещение по такой схеме, нужно выполнить несколько ключевых процедур:
- Подключить к одному из кабелей светильника нулевой провод.
- Подключить к входному контакту одного из проходных переключателей провод фазы.
- Подключить к входному контакту второго переключателя свободный кабель светильника.
- Подключить к двум входным контактам перекрестного переключателя выходные контакты проходного.
- Подключить к выходным контактам перекрестного выключателя выходные контакты второго проходного.
Используя такую схему в работе, можно оборудовать помещение четырьмя или пятью точками регулировки освещения. При этом нужно будет увеличить число дополнительных перекрестных выключателей, так как они всегда должны располагаться между проходными.
Недостатки проходных выключателей
Одним из минусов проходных выключателей является необходимость штробления стен под них. Организация электролинии с проходным выключателем имеет несколько минусов:
- затраты времени и сил на штробление стены при скрытой проводке;
- необходимость подключения пульта ДУ через обычную клавишу для моделей с датчиками движения;
- нерентабельность для квартиры из-за штроб под кабель и установки дин-рейки;
- сложности с определением клемм;
- отсутствие четкости положений «ВКЛ» и «ВЫКЛ».
Эксперты отмечают, что устройства больше подходят для загородных коттеджей, дач, частного сектора, чем для квартиры.

























































