Что такое проходной выключатель и как он работает
Правильнее всего это устройство будет назвать переключатель – выключатель он для пользователей скорее по привычке, так как используется он для включения-выключения освещения. Если называть его правильно, то намного проще понять, в чем он отличается от стандартных выключателей – это название наиболее полно отражает суть его воздействия на работающую электрическую цепь.
Как и у стандартного выключателя, у проходного есть только два положения, но принципиальная разница в том, что в обычном устройстве строго определено, к примеру, вверх – это включено, а вниз – выключено, а у проходного эти стороны постоянно меняются.
Понятнее всего принцип работы проходного выключателя становится при сравнении электрических схем – между ним и стандартным устройством, которое показано на рисунке:

Если обычный в разомкнутом состоянии просто разрывает цепь, то в случае с проходным все зависит от положения сразу двух переключателей:

Из схемы понятно, что у каждого из выключателей должно быть три клеммы – одна для фазы, которая идет от источника питания и две на «управляющие» провода. Когда у любого из двух переключателей меняется положение, то цепь либо замыкается, либо размыкается – в зависимости от того, в каком состоянии она находилась до этого.
Дополнительно можно сформулировать еще одно отличие между выключателем и переключателем – последний всегда можно подключить как простой выключатель, а сделать наоборот не получится. При ремонте такой цепи надо учитывать, что один из проводов между выключателями всегда находится под напряжением.
Технические характеристики
Купить перекрестный выключатель можно в любом электрическом магазине, цена зависит от модели и фирмы-производителя. Рассмотрим характеристики нескольких известных переключателей.
ABB Basic 55 белый:
| Номинальное напряжение сети, В | 220-250 |
| Максимально допустимый ток, А | 10 |
| Частота, Гц | 50 |
| Контакты | Посеребренные, устойчивы к воздействию влаги и пара |
| Корпус | Из термопласта |
| Цена | От 10 у. е. |
Перекрестный Schneider Electric SDN:
| Напряжение, В | 250 |
| Ток, А | 10 |
| Номинальная мощность, Вт | 2300 |
| Защита | IP20 |
| Стоимость, у. е. | От 3 |
Legrand Valena (его аналог Anam):
| Тип | Одноклавишный |
| Максимальное напряжение в сети переменного тока, в | 230 |
| Ток, А | 10 |
| Материал | Поликарбонат |
| Частота, Гц | 50–60 |
| Стоимость, у. е. | От 4 |
Viko Carmen (по характеристикам и цене у Вико есть китайский аналог – Макел):
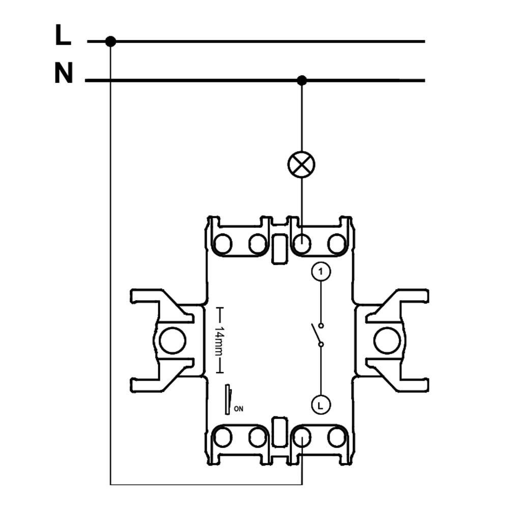
Переключатели используются для включения и выключения света с двух мест.
Внизу на рисунке схема.

Любой из этих переключателей может включить или выключить лампочку. Когда они оба находятся в одинаковом положении, вверху или внизу — лампочка горит. Если они находятся в противоположных положениях, лампочка не горит. Т.е в отличии от выключателя, у переключателя нет определенного положения, показывающего включен он, или выключен. Он может быть включен и в верхнем положении, и в нижнем.
Несколько примеров подключения переключателей различных производителей.
Однако помимо всех вышеперечисленных преимуществ стоит упомянуть и о недостатках.

Их замыкание и размыкание включает и выключает светильник.

На этом можно считать схему полностью собранной, подавать напряжение и проверять освещение. Вообще механизмы серии Unica можно подобрать как для открытого, так и для скрытого способа монтажа. Подключаем проходной включатель Шнайдер Schne >

Часто бывает, что освещением крыльца можно управлять непосредственно от входа в здание.

Например, если установить подобный прибор у входа в дом, он будет сигнализировать о появлении непрошеных гостей.

Поделиться с друзьями: Вам также может быть интересно.
Разбор схематики контактных групп устройства
Если взять классическую (одноклавишную) конструкцию прибора, произведённого, к примеру, фирмой ABB, и развернуть к пользователю тыльной стороной, откроется примерно следующая картина.
На плате основания присутствуют 4 пары клемм, каждая из которых отмечена соответствующими символами – в данном случае «стрелками». Техническим обозначением такого рода производитель даёт пользователю информацию о правильном подключении устройства.
Так выглядит клеммная разводка прибора с функцией реверсивной блокировки. Отличия от конструкции показанной выше налицо. По этим признакам обычно и выбирают нужную конфигурацию прибора
Входящими «стрелками» указывается общая (перекидная) контактная группа. Исходящими «стрелками» маркируются постоянная контактная группа.
Схематично взаимодействие групп выглядит так, как на следующем рисунке:
Цветные линии условно показывают, как расположены контактные группы внутри прибора промежуточного переключения. Каждая пара рабочих клемм отмечена символикой, указывающей на входную и выходную группы
На клеммы общей (перекидной) группы контактора приходят проводники от первого проходного выключателя, задействованного в электрической схеме. Соответственно, от клемм второй (постоянной) группы контактора выходят проводники, которые соединяются с проходным коммутатором номер два, также предусмотрительно включенным в состав схемы.
Это классическая вариация с использованием двух проходных и одного реверсивного приборов.
Схема внедрения одного перекрестного устройства в цепь между двумя приборами проходного действия. Обычно такое решение характерно для схематики, применяемой в помещениях бытового назначения
Устройство, призванное исполнять роль реверсивного коммутатора, фактически может использоваться в одном из двух режимов коммутации электрической цепи:
- Прямая коммутация – аналог двух проходных приборов.
- Перекрёстная коммутация – основное предназначение.
Конфигурация первого варианта, по сути, представлена функционалом прямого соединения с возможностью связи или разрыва.
Второй способ конфигурации (при помощи установки перемычек) переводит прибор в режим работы по схеме переключения с инверсией.
Устройство реверсивного переключения поддерживает конфигурацию (перемычками) под одну из двух возможных режимных функций. Таким образом, выключатель перекрёстного типа выступает своего рода универсальным прибором
Таким образом, промежуточные переключатели выглядят функционально не просто как коммутаторы источников искусственного света, но как коммутаторы универсального действия. Этот фактор расширяет функциональность подобных устройств, делает их удобным к применению в разных вариантах монтажа.
Один выключатель на две лампы
Точно также производится и установка выключателя освещения на две комнаты.
Советы по монтажу:
- объединяйте группы продуманно (к примеру, кухня-туалет, коридор-ванна, гостиная-комната, и т.д.) тогда не будет перерасхода кабеля;
- устанавливайте выключатели в зонах досягаемости: не за креслом или шкафом;
- на светильник и вентилятор нужно подсоединять более мощный выключатель, учитывая, что помимо основных кабелей, там есть провод, отвечающий за питание непосредственно вентилятора;
- советуем использовать выключатели с индикацией simon;
- чтобы правильно подключить прибор, обязательно нужно просмотреть разводку проводки, особенно это касается при подключении к двум источникам питания;
- если ранее подобного опыта работы не было, советуем предварительно просмотреть видео, как устанавливается выключатель.
Однако помимо всех вышеперечисленных преимуществ стоит упомянуть и о недостатках.
Их замыкание и размыкание включает и выключает светильник.
На этом можно считать схему полностью собранной, подавать напряжение и проверять освещение. Вообще механизмы серии Unica можно подобрать как для открытого, так и для скрытого способа монтажа. Подключаем проходной включатель Шнайдер Schne >
Две группы светильников. При ее рассмотрении можно отметить следующие нюансы: Все работы выполняются только с обесточиванием цепи. Поэтому рассмотрим, как правильно подсоединить выключатель вместе с осветительным прибором, автоматическим выключателем и распределительной коробкой. Переключатели французской фирмы Legrand отличаются широким ассортиментом и надёжностью.
При выборе месторасположения, нужно учесть расположение всех элементов цепи и выбрать наиболее короткий путь их соединения. Главным удобством такой конструкции является то, что при необходимости их можно сделать своими руками.
В квартире или доме можно назвать множество мест, где пригодиться возможность выключать свет из нескольких точек. С помощью отвертки откручиваем винтики, снимаем пластиковую крышку. 
Сборка Legrand Valena Информация! Схема подключения переключателей проходныых выключателей ABB Zenit: Как подключить схема подключения переключатели проходные выключатели ABB Basic Схема подключения переключателей проходныых выключателей Anam На главную страницу xnacmllexpcq1j.
Если комнаты находиться не слишком далеко друг от друга, то лучше выполнить все соединения в одной распределительной коробке. Это очень удобно, если планируется дизайнерский ремонт или просто нет желания повторно отделывать помещение.
Но часто бывают случаи, когда такой способ управления светильниками неудобен. Как подключить двухклавишный проходной выключатель
https://youtube.com/watch?v=rg0J-caHDjQ

Преимущества установки проходного выключателя
Проходные выключатели позволяют управлять освещением помещения из двух или более мест, что является бесспорным удобством. Это особенно ценно для домов в несколько этажей с лестничными пролетами. Здесь можно установить первый переключатель на первом этаже, а следующий на втором, что позволит включить свет внизу и выключить наверху.
Особенно актуально применение проходных выключателей для управления освещением лестничных пролетов. Хорошим решением является установка одного переключателя у входа в спальню, а второго возле изголовья кровати, что позволит зайти, включить свет, приготовиться ко сну, лечь и выключить освещение. Также целесообразно монтировать выключатели при входе в дом или квартиру и в конце коридора.
Проходные выключатели обладают существенными преимуществами по сравнению с обычными устройствами:
- высокая надежность и безопасность эксплуатации;
- мгновенное отключение электроснабжения помещения при необходимости из любой точки;
- оптимальное расходование электроэнергии;
- низкая себестоимость;
- простая установка, не требующая привлечения специалистов;
- отсутствие сложных настроек.
Наличие проходных выключателей позволяет включить светильники внизу одним выключателем, а поднявшись по лестнице выключить другим
Как подключить проходной выключатель: схемы подключения

—
Дублирующее устройство позволяет включить освещение в начале помещения, а отключить в конце. Благодаря этому значительно экономится электроэнергия. К тому же это очень удобно.
Например, если спальня имеет три кровати, то переключатели могут находиться возле каждой из них. Таких устройств в помещении можно подключить сколько угодно.
Принцип работы перекидных выключателей
Обычные перекидные устройства, которые монтируют в двух местах, внутри имеют три контакта. Один из них является общим. Он замыкается либо со вторым контактом, либо с третьим.
Данные контакты задействуют следующим образом. В одном переключателе на общую клемму подаётся фаза, в другом общая линия соединяется с лампочкой.
Две другие пары переключателей замыкаются между собой. Монтаж выполняется трёхжильным проводом. Все соединения делаются в распределительной коробке.
Перекидные выключатели из двух мест
Когда свет горит, это значит, что общие клеммы обоих выключателей замкнуты с одинаковыми контактами, например, со вторыми. Если нажать на клавишу любого устройства, общая линия перекинется на третью клемму и электрическая цепь разомкнётся.
При нажатии клавиши другого переключателя его общий провод также переключится на третий контакт, и электрический ток снова пойдёт по цепи. Самая популярная марка переключателя — Legrand.
Стоимость одного изделия составляет около 180 рублей. Работа проходных устройств из 2х мест наглядно показана на этой схеме:
Как видим из схемы, все соединения делаются в распределительной коробке. Нулевой провод подаётся прямо на лампу. Фаза приходит на общую клемму устройства 1. Дальше с общей клеммы переключателя 2 провод подаётся на вторую клемму светильника. Для монтажа используют провод 3×1,5. Один метр кабеля стоит 25 рублей.
Проходные переключатели из трёх мест
Управление светом из трёх мест осуществляется двумя обычными проходными выключателями, а также спаренным переключателем, в котором предусмотрены четыре вывода.
Его ещё называют перекрёстным. В основном используется марка Viko. Один переключатель стоит 250 р. Для подключения используется следующая схема:
На рисунке видно, что в спаренном выключателе переключается сразу два контакта. Если линия замыкалась через все три выключателя, и свет горел, то нажав на клавишу, мы разрываем цепь и гасим освещение.
Количество мест управления светом не ограничивается лишь тремя точками. Их может быть значительно больше. Линия освещения будет работать аналогично той, в которой имеется три выключателя.
Чаще всего для электромонтажа используется провод ПВС 4×1,5. Стоимость одного метра кабеля составляет 30 р. За установку и подключение одного проходного выключателя мастер берёт 250 рублей.
Устройство, контролирующее две группы светильников
Схема подключения двухклавишных проходных выключателей
Устанавливать двухклавишный проходной выключатель целесообразно в большом помещении, где необходимо управлять несколькими осветительными приборами. Его конструкция представляет собой два одинарных выключателя в общем корпусе. Монтаж одного устройства для контроля двух групп позволяет сэкономить на прокладывании кабеля к каждому из одноклавишных выключателей.
Монтаж двойного проходного выключателя
Такой прибор используется для включения света в ванной и туалете или в коридоре и на лестничной площадке, он способен включать лампочки в люстре несколькими группами. Для монтажа проходного выключателя, рассчитанного на две лампочки, понадобится большее количество проводов. К каждому подводится шесть жил, так как в отличие от простого двухклавишного выключателя, проходной не имеет общей клеммы. По существу, это два независимых выключателя в одном корпусе. Схема коммутации выключателя с двумя клавишами выполняется в следующей последовательности:
- В стене устанавливаются подрозетники для устройств. Отверстие для них вырезается перфоратором с коронкой. К ним по штробам в стене подводятся два провода с тремя жилами (или от распредкоробки один шестижильный).
- К каждому осветительному прибору подводится трехжильный кабель: нулевой провод, заземление и фаза.
- В коммутационной коробке фазный провод подключается к двум контактам первого выключателя. Два устройства соединяются между собой четырьмя перемычками. Ко второму выключателю присоединяются контакты от светильников. Второй провод осветительных приборов коммутируется с нулем, приходящим с распределительного щита. При переключении контактов общие цепи выключателей попарно смыкаются и размыкаются, обеспечивая включение и выключение соответствующего светильника.
Подключение перекрестного выключателя
Двухклавишные выключатели также используют при необходимости управлять освещением из трех или четырех мест. Между ними устанавливается двойной выключатель перекрестного типа. Его подключение обеспечивают 8 проводов, по 4 для каждого концевого выключателя. Для монтажа сложных соединений с множеством проводов рекомендуется использовать коммутационные коробки и выполнять маркировку всех кабелей. Стандартная коробка Ø 60 мм не вместит большое количество проводов, потребуется увеличить размер изделия или поставить несколько спаренных или приобрести распределительную коробку Ø 100 мм.
Провода в распределительной коробке
Важно помнить, что вся работа с электропроводкой и монтажом приборов выполняется при отключенном напряжении. В этом видео рассказывается об устройстве, принципе подключения и установке проходных выключателей:. В этом видео рассказывается об устройстве, принципе подключения и установке проходных выключателей:
В этом видео рассказывается об устройстве, принципе подключения и установке проходных выключателей:
https://youtube.com/watch?v=9cG_VmdR4uk
В этом видео показан эксперимент, в котором испытывались различные способы соединения проводов:
Монтажная схема подключения
Принцип подключения проходных выключателей
Схема подключения двухклавишного выключателя с подключением через распредкоробку
В статье все правильно написано, но я столкнулся стем, что электрик, который раньше устанавливал выключатели не оставил запасных проводов в коробке и когда один алюминиевый провод подломился пришлось повозиться с наращиванием этого провода. Советую оставлять запас хотя бы на два ремонта.
Я сам учился на электрика и иногда подрабатываю, в роли электромонтера. Но с каждым годом, или даже с каждым месяцем, создается всё больше вопросов по электрике. Работаю по частным вызовам. Но Ваша опубликованная инновация, мне в новизну. Схема интересная и обязательно мне пригодится в ближайшем будущем. Всегда стараюсь воспользоваться советами «бывалых» электриков.
Правила подключения промежуточного выключателя
Перед тем как перейти непосредственно к монтажу и подключению перекрёстных промежуточных выключателей нужно отчётливо понимать опасность электрического напряжения и короткого замыкания в цепях с неправильной коммутацией. Все работы должны проводиться только с отключенным сетевым напряжением, а также после проверки отсутствия его на токоведущих частях кабеля, к которому будет происходить подключение.
Для того, чтобы установить перекрестный выключатель понадобится:
- Распределительные коробки, количество их зависит от площади, где нужно осуществить данную систему управления освещением. Правила здесь аналогичны с обычной проводкой, то есть все соединения проводов выполняются только в распределительных коробках.
- Кабельная продукция, то есть провода. Их сечение зависит от мощности источника света, а количество жил — от наличия или отсутствия заземления на светильниках. Для соединения между выключателями понадобится трёхжильныё провод и чётырёхжильный, лучше, конечно же, с медными жилами и с разноцветной маркировкой.
Итак по большому счету перекрёстный выключатель освещения является связывающим звеном между двумя проходными выключателями, если это касается управления с трёх мест.
Схема подключения перекрестного переключателя с проходными:

Трёхжильный провод подключается я к первой распределительной коробке, две жилы из которых являются фаза и ноль, а третья земля. Управление включением и отключением светильника осуществляется разрывом и переключением по нужным для этого цепям именно фазного провода. Ноль подключается непосредственно к источнику света.
С первой распределительной коробки (если их несколько), фазный провод нужно подключить к проходному переключателю, где он раздваивается благодаря конструкции самого устройства.
Следующий шаг заключается в монтаже и подключении к перекрёстному выключателю провода, идущего с первого проходного выключателя. На данном этапе стоит внимательно рассмотреть маркировку и подключить именно к входу переключателя, который обозначаться может соответствующими стрелочками.
Выход перекрестного переключателя через монтажную или же распределительную коробку необходимо подключить к проходному, здесь тоже нужно соблюдать маркировку согласно схеме и стрелочкам, нанесённым на устройстве. Если они вытерты или неразборчивы то рекомендуется с помощью мультиметра или же прозвонки выяснить, где какие клеммы, чтобы после монтажа и подключения к сети электроснабжения быть уверенным в правильности выполненной работы. Неправильное подключение приведёт к аварийной ситуации и короткому замыканию, а это чревато пожаром.
Одинарную клемму проходного выключателя также через распределительную коробку направляют к источнику света. От неё к самому светильнику при этом понадобится также трёхжильный провод.
На видео ниже наглядно показывается, как подключить перекрестный выключатель и 2 проходных выключателя:
Конструкция перекрестного выключателя
Само по себе устройство прибора инверсионного переключения линий электропередач несложное. Однако в силу многоточечной схематики, характерной для подобных устройств, трудности внедрения могут стать реальными. Поэтому логично рассмотреть конструкцию устройства, а также схемы подключения.
Назначение коммуникатора очевидно – соединение электрических цепей бытового (коммерческого) назначения, где уровень напряжения не превышает значения 250 вольт. Стандартное исполнение приборов рассчитано на эксплуатацию внутри сухих теплых помещений, подходящих под установленный норматив класса защиты (IP20).

Внешне он ничем не выделяется от традиционных конструкций устройств коммутации приборов света. Однако внутренняя система реверсивного переключателя имеет несколько иное схемное решение
Монтажная установка перекрестных выключателей ведётся традиционным способом (аналогично монтажу обычного выключателя света) с креплением монтажной коробки на винтах, либо делается внутренний монтаж с креплением основания к стене металлическими лапками.
Корпус прибора обычно делается на основе ударопрочного негорючего технополимера. Все детали конструкции под наружную установку обладают устойчивостью к ультрафиолетовому излучению.

Изделия современного исполнения отличаются использованием высококачественных материалов под внешнее обрамление. Технический пластик не подвержен влиянию ультрафиолетовых и световых лучей
Механика перекрёстных выключателей на ток 10А оснащается быстрозажимными контактными группами. Механика приборов на ток 16А имеет винтовые зажимы клемм. Для удобства подключения клеммы (фазовая и нулевая) обычно маркируются разным цветом.
Клеммы коммутаторов рассчитаны на присоединение проводников, выполненных по технологии одножильной или многожильной протяжки. Сечение одножильных проводников до 2,5 мм2, многожильных до 4 мм2 (для 16А выключателей).
Доп. услуги по электрике
- Электромонтажные работы в стиле ретро
- Современная электрика в стиле Модерн
- Проектирование электрики
- Электролаборатория
- Замер сопротивления изоляции
- Консультация электрика
- Установка и замена электросчетчика
- Установка столбов и опор ЛЭП
- Подключение электрического котла к сети
- Электрическое отопление дома
- Установка стабилизатора напряжения
- Установка электрического водонагревателя
- Заземление загородного дома
- Молниезащита
- Модульно-штыревое заземление
- Монтаж и прокладка СИП кабеля
- Монтаж тросовой электропроводки
- Соединение и удлинение электропроводки
- Штробление стен под электропроводку
- Проверка состояния электропроводки
- Электрика своими руками
- Монтаж и эксплуатация электрооборудования
- Замена лампочек …
- Поставка кабельной продукции
- Правила устройства электроустановок → ПУЭ

























































