Отапливаем дом электричеством
Сегодня на рынке представлено два основных вида электрических отопительных систем:
- водяное отопление;
- и с применением конвекторов.
Первый тип требует наличия теплоносителя, который нагревается и подается, по отопительной системе, в комнаты, которые следует обогреть.

Как и в любой водяной системе, здесь естественно необходим котел, который будет греть воду в трубах. Данный тип отопления очень эффективен, так как вода имеет большую тепловую инертность.
При конвекторном отоплении, для обогрева каждой комнаты, устанавливается большое количество радиаторов. Их можно ставить для автономной работы, а можно объединить в общую систему с единым управлением.

Монтаж такой отопительной системы достаточно прост и много материалов для него не нужно. Достаточно на стене закрепить конвектор и подвести к нему питание 220В. Доступные цены и простота монтажа — основные достоинства этого типа отопления.
Оценка требуемого объема энергоносителя
Многие коттеджи сооружали по индивидуальным проектам с использованием разного по структуре и теплотехнике стройматериала, теплоизоляции, отделке. Кроме того климатические параметры зимы для разных регионов могут сильно отличаться. Поэтому в вычислениях объема энергоносителя, который будет необходим для отопления дома, могут быть существенные различия.
Вычисление необходимого количества тепла
Отопление призвано компенсировать теплопотери здания, которые происходят по двум причинам:
- потеря энергии за счет промерзания периметра дома;
- замещение теплого воздуха холодным при вентиляции.
Для того чтобы понять, чем выгоднее отапливать частный дом – газом или электричеством, необязательно проводить высокоточные вычисления. Достаточно приблизительной оценки (± 20%) объема теплопотерь за зимний период, чтобы определить разницу в итоговой стоимости энергоносителя.
Утепление загородного дома – прекрасный способ сэкономить на отоплении. Это не снизит капитальные вложения, но уменьшит ежегодные платежи за газ или электроэнергию
Существует два варианта, согласно которым можно с приемлемой точностью определить объем теплопотерь:
- Заказать расчет этого параметра у теплотехников. В этом случае для экономии средств нужно упомянуть, что вычисления можно провести по упрощенной методике.
- Провести расчеты самостоятельно, зная такие параметры, как коэффициенты сопротивления теплопередаче материалов дома, площадь периметра и крыши, объем вентиляции, разность температур и др.
Полученные результаты теплопотерь должны быть приведены к стандартной единице измерения – Вт.
Расход электроэнергии и газа
Вместо вычисления теплопотерь можно воспользоваться методом аналогий
Если рядом (очень важно совпадение климатических условий) есть похожее по геометрии и материалу здание, то можно узнать объем потребляемого газа или электричества по показаниям счетчика
В этом случае у нас есть три варианта:
- известны теплопотери здания;
- есть данные об объеме потребляемого газа на аналогичном объекте;
- известно количество электроэнергии, затрачиваемое на обогрев.
Необходимо узнать объем потребления электроэнергии и газа за зимний период.
Если котел также обеспечивает горячее водоснабжение, то дополнительное потребление электроэнергии или газа нужно будет учитывать в расчетах
В первую очередь нужно определить длительность периода отопления E (час). Это можно сделать по столбцу № 11, таблицы № 1 СНиП 23-01-99. Для этого нужно выбрать ближайший населенный пункт и количество дней умножить на 24 часа.
Так как расчеты допускают незначительные приближения, то установим следующие константы:
- КПД электрокотла равно 98%;
- КПД газового котла равно 92%;
- теплотворность природного газа равна 9.3 кВт × ч / м3;
- теплотворность сжиженного газа равна 12.6 кВт × ч / кг.
В этом случае основные формулы преобразования будут иметь следующий вид:
- Известен объем потребленного природного газа V (м3). Теплопотери здания: Q = V × (9300 × 0.92) / E.
- Известна масса потребленного сжиженного газа V (кг). Здесь для пропано-бутановой смеси можно использовать соотношение 1 кг = 1.66 л. Теплопотери здания: Q = V × (12600 × 0.92) / E.
- Известно количество затраченной электроэнергии V (Вт × ч). Теплопотери здания: Q = V × 0.98 / E.
- Известны теплопотери здания Q. Необходимый объем природного газа: V = Q × E / (9300 × 0.92).
- Известны теплопотери здания Q. Необходимый объем сжиженного газа: V = Q × E / (12600 × 0.92).
- Известны теплопотери здания Q. Необходимый объем электроэнергии: V = Q × E / 0.98.
Вычисление потерь тепла здания имеет еще одно назначение – по ним можно рассчитать максимальное потребление электричества и газа в самую холодную пятидневку сезона. Это поможет правильно выбрать мощность котла и избежать проблем с перегрузкой.
При экстремальных похолоданиях резко увеличивается потребление электричества, что может привести к сбоям. Поэтому нужно иметь резервное питание или использовать теплоаккумуляторы
При сравнении стоимости газового и электрического отопления, систему автономного электроснабжения не нужно учитывать, так как в экстремальные морозы она может быть применена при любом виде топлива.
Когда отопление электричеством становится экономнее газового
Предположим, что распределительная сеть, которая питает частный дом электричеством, имеет достаточный резерв. Электроэнергия преобразуется в тепловую практически на 100%. Поэтому теряться энергия может только на теплопотери дома. Именно с показателя теплопотерь и начинаются все расчеты. На практике, блочный утепленный коттедж площадью 120 м2 имеет теплопотери 8-12 кВт. Из этого следует, что и котел нужно покупать такой же мощности плюс энергия, которая пойдет на нагревание воды.
А теперь давайте посчитаем, во экономным будет обогрев электричеством частного дома по сниженному тарифу и сделаем сравнение с затратами на газовую систему. Для удобства воспользуемся одним из готовых калькуляторов, которых в интернете можно найти массу.
Исходим из того, что теплопотери дома составляют 8 кВт, а отопительный сезон длиться 7 месяцев. Стоимость 1 м3 газа составляет 0,119 BYN, а тариф 1 кВт электроэнергии – 0,0335 BYN.
Скриншот с калькулятора расчета стоимости
В итоге расход электроэнергии получается 23 387 кВт·ч за отопительный сезон, или 783 BYN. Это +/- 111,8 BYN в месяц. Газа вы употребите на 295 BYN или около 42,1 BYN ежемесячно. Плюс в случае с электрическим котлом, нужно добавить затраты на нагревание воды в системе – это 4 кВт ежедневно или 808 кВт за весь сезон. Получается 783+26,8=809,8 BYN за сезон.
Существуют способы снижения затрат на отопление электричеством:
- Установка автоматического регулирования мощности. Вы будете устанавливать более низкую температуру, например, ночью или включать котел на минимальную мощность, пока дома никого нет.
- Утеплить дополнительно дом. Так, в современных энергоэффективных зданиях теплопотери не превышают 3 кВт. В этом случае за сезон вы потратите 183,8 BYN.
Сравнение расходов на содержание и подключение газового и электрического отопления
Уверенно заявлять, что электрокотел стоит дешевле газового мы бы не стали. Да, самые простые электрические котлы стоят недорого, но и расход энергии у них выше, так как нет системы регулировки мощности в зависимости от желаемой температуры в помещении. Здесь вы можете настроить только температуру воды в системе.
Подключение электрического отопления
В дом, для которого мы считали затраты на энергоноситель, мы бы выбрали электрокотел среднего класса Proterm Скат12К кВт стоимостью 1560 BYN. К нему нужно купить бойлер за 800 BYN и модуль для соединения с котлом за 297 BYN. В итоге набегает сумма в 2657 BYN.
Чтобы поставить у себя электрокотел, нужно получить разрешение электросетей. Обязательного обслуживания он не требует. За подключение и наладку вы заплатите одноразово 70-80 BYN.
Чтобы платить за отопление электричеством по сниженному тарифу, нужно устанавливать дополнительный счетчик стоимостью от 126 BYN, к нему нужен щиток, который обойдется в 70 BYN.
Подключение газового отопления
Мы бы купили Bosch 6000 за 1260 BYN, бойлер за 800 BYN и датчик для него за 110 BYN. Получается всего 2170 BYN.
Дополнительно подключение газового котла к трубам газопровода обойдется примерно 1600 BYN при условии, что газовые коммуникации подведены к вашему участку. Стоимость пуска и наладки составит порядка 70-90 BYN плюс вызов специалиста для проверки вентиляции стоит 40 BYN. Подключение к газопроводу стоит еще 100 BYN. И каждый год котлу потребует техобслуживание, стоимость которого составляет 50-80 BYN. Сюда же мы включим копание траншей для подвода труб. Итого, к стоимости оборудования добавляется 2500-3000 BYN.
В подключении системы газового отопления к магистрали есть и другие нюансы. Потому что участок газопровода может быть, как государственным, так и кооперативным. В последнем случае за «врезку» в систему иногда приходится платить несколько тысяч у.е. конечно, за счет дешевизны газа в РБ все затраты со временем окупятся, но потребуется на это не год и даже не два.
Способ 6 — электродный котел
Внутри электродного котла находятся электроды, которые и выполняют функцию нагревательного элемента. При прохождении тока через жидкость выделяется тепло. Это означает, что в электродных котлах нет собственно нагревательного элемента, на котором могла бы образовываться накипь. Отсутствие накипи существенно облегчит эксплуатацию.
Электродные котлы обладают большой надёжностью и работают гораздо дольше, чем трубчатые нагреватели. Кроме того, они имеют небольшие размеры, что очень удобно для небольшого жилого дома. К недостаткам относят высокие требования к жидкости, используемой в качестве теплоносителя. Вода должна подвергаться специальной обработке. Зачастую антифриз вообще должен быть эксклюзивным — от разработчика устройства.
На фото электродный котел Галан, Россия
Способы отопления и их экономичность
Традиционно для обогрева частных домов используются автономные системы отопления. Источниками энергии для их работы выступают природный газ, сжиженный газ, твердое топливо, жидкое топливо и электроэнергия. Самыми экономичными считаются системы, работающие на природном газе. Но в некоторых условиях их экономичность не играет никакой роли. Например, если дом не подключен к газовой магистрали, то сравнения с газом тут не уместны.
Газовые системы отопления
Экономные системы отопления частного дома – это системы, работающие на дешевом теплоносителе. Если поблизости проходит газовая магистраль, смело подключаемся к ней и пользуемся одним из самых недорогих источников энергии. Сравнивая расходы на газ с расходами на другие источники, начинаешь понимать, что это один из самых недорогих видов топлива.
При отсутствии газовой магистрали нередко используется сжиженный газ, поставляемый в баллонах или хранимый в газгольдерах. Но этот вариант нельзя назвать самым экономичным, хотя он очень прост по своей реализации – достаточно приобрести обычный газовый котел и перенастроить его на работу со сжиженным газом.
Твердотопливные системы отопления
Экономное отопление частного дома без газа можно построить на основе твердотопливного котла. Для его питания используются каменный уголь, кокс, брикетированное топливо и даже обычные дрова. Дольше всех горит каменный уголь, но и стоит он достаточно дорого. Зато отопительная система получается не только экономичной, но и недорогой – самый простой твердотопливный котел отличается вполне доступной стоимостью.
Самое дешевое отопление частного дома без газа строится с применением твердотопливных котлов, иногда и самодельных. Если хочется обеспечить более удобную эксплуатацию системы, следует присмотреться в котлу с небольшим бункером для пеллетного топлива (топливные гранулы). Такие пеллетные котлы работают в автоматическом режиме, требуя лишь периодической загрузки новых порций пеллет.
Работа твердотопливных котлов на дровах осложняется необходимостью слишком частой загрузки дров. К тому же, дров нужно очень много, что увеличивает расходы на эксплуатацию отопительной системы. Стоит только прозевать момент загрузки очередной порции топлива, как в доме начнет становиться прохладнее. Проблема решается установкой специальных твердотопливных котлов длительного горения.
Следует отметить, что отопительные системы, работающие на дровах, могут быть экономичными вплоть до полной бесплатности – дрова можно нарубить в лесу самостоятельно, чем пользуются люди, живущие в небольших населенных пунктах.
Жидкостные отопительные системы
Системы отопления на жидком топливе нельзя назвать самыми экономичными. После газа и твердого топлива они занимают почетное третье место. В качестве топлива здесь используются отработанное машинное масло и солярка. Из-за этого в домах, отапливаемых жидкостными котлами, постоянно стоит характерный запах. Также есть необходимость создания специального хранилища для жидкого топлива, причем на удалении от жилых построек – это создает дополнительные расходы.
Электрические отопительные системы
Дешевое отопление частного дома электричеством создать сложно – нужен источник халявной электроэнергии. Все дело в том, что классические электрические котлы необычайно прожорливые. И сделать здесь что-то практически невозможно, так как их эффективность составляет 99% – то есть, практически вся энергия перерабатывается в тепло. Некоторую экономичность могут обеспечить индукционные котлы, но многие специалисты не готовы подтвердить этот факт.
Экономные электрокотлы для отопления частного дома существуют, но стоят они значительно дороже, чем их простые малогабаритные собратья. Достижение экономии в них осуществляется за счет применения погодозависимой автоматики и комнатных температурных датчиков. То есть, они способны автоматически подстраиваться под особенности наружных и комнатных температурных условий, регулируя мощность нагрева – если бы регулировками занимался человек, то расходы были бы больше.
Минусами электрических систем являются необходимость в наличии хорошей электропроводки и наличие трехфазной сети для питания наиболее мощных моделей котлов.
Чем выгоднее отапливать дом: газом или электричеством? Считаем вместе!
Для определения целесообразности подключения магистрального газа к своему загородному дому стоит произвести ряд предварительных расчетов, которые позволят оценить затраты на его отопление с помощью электроэнергии. Сравнив их с затратами на подключение магистрального газа, можно принять обоснованное практичное решение.

Чтобы определить предполагаемые затраты на отопление, сперва необходимо просчитать теплопотери здания. Они складываются из потери тепла через ограждающие конструкции и через вентиляцию. Соответственно — хорошо утепленный дом потребует меньше энергии для отопления.
Ниже приводятся формулы для расчета потерь тепла через ограждающие конструкции (1) и систему вентиляции (2):
где Q – теплопотери, Вт; R – коэффициент сопротивления теплопередачи. Он рассчитывается достаточно просто: R = d/k (d – толщина материала, k – коэффициент теплопроводности материала). F – это площадь всей поверхности здания, соприкасающейся с внешним пространством.
где L – расход, м3/час. По СНИП в жилых помещениях необходима вентиляция из расчета 30м3 на одного человека, если в доме живет 4 чел, то это 120м3/час.
с – удельная теплоёмкость воздуха
р – плотность воздуха
Для расчета нам понадобятся также данные о средних температурах в Санкт-Петербурге:
Без газа – возможно ли это?
Для начала давайте разберемся, почему же некоторые люди ищут способ отопления дома без газа. Вот только некоторые причины:
- Много тех, у кого вообще нет газа и не будет. Причины отсутствия газа могут быть разными, зачастую вести ветку попросту невыгодно.
- Будет газ, но непонятно когда. Иногда бывает, что вам обещают провести газ, собирают подписи людей, даже деньги. Но по факту точные даты неизвестны, а жить в комфорте хочется здесь и сейчас.
- Есть возможность, но очень дорого подключить. Бывают случаи, когда цена приближается к отметке в 500 тыс. р., а это очень большая сумма.
Конечно, имеет смысл проводить газ, но только если дом большой (от 200-300 м2), а если в дачном домике площадь до 100 м2 или меньше, то такие вложения не имеют смысла – даже за 50 лет все это не окупится. Также при мысли про газ нельзя не думать о ежемесячных платежках. Но это не все, есть и другие моменты.
Сразу стоит отметить альтернативные, экономные и современные источники для систем отопления:
- Солнечная энергия.
- Ветровая энергия.
- Твердотопливное отопление.
- Жидкое отопление.
- Электроэнергия.
При выборе важно обращать внимание на несколько вещей:
Стартовый чек.
Если мы ищем недорогие способы отопления для загородного дома, то солнечная, ветровая энергия и жидкое отопление еще дороже, чем газовое. Если сюда добавить ежемесячное техобслуживание, а также недешевое сырье, выйдет круглая сумма.
Надежность и постоянность.
Мы должны быть твердо уверены, что без тепла не останемся. Конечно же, ветряки и солнечные электробатареи – это эффективные и современные новые технологии, но они не всегда работают, потому что зимой не во всех регионах солнечно, а также в большинстве регионов РФ отсутствуют постоянные ветра.
Пассивность отопительной системы.
Понятное дело, хотелось бы найти вариант, чтобы не работать круглосуточно, так что котел с использованием дров или брикетов сразу отпадает.
Долговечность.
Перед покупкой важно узнать, на сколько лет рассчитана работа того или иного котла или системы до полной замены, если разорение не стоит в списке ваших планов на ближайшее будущее
Организация экономичного отопления
Не стоит вести долгие споры о том, какое оборудование из перечисленных вариантов, лучше сочетает в себе экономность, эффективность и безопасность. Гораздо практичнее будет пользоваться тем или иным вариантом в наиболее подходящих условиях. Ниже приведены основные принципы, которых следует придерживаться, чтобы создать дома экономичное отопление электричеством:
- Первое правило общее для систем, работающих от газа, и для электрических – сделайте потери тепла минимальными за счет утепления стен, потолка и пола. Благодаря этому вы сможете снизить необходимую тепловую мощность для поддержания температуры. Конечно, дополнительные затраты на это необходимы, но они окупаются экономией на электроэнергии. Температура внутри утепленного гаража зимой поднимается выше нуля за полчаса, если внутри работает автомобиль. В утепленном доме вам надо будет лишь поддерживать тепло, а не постоянно нагнетать, заставляя оборудование работать на повышенной мощности.
- Спроектируйте оптимальную систему электрического отопления. К примеру, для обогрева небольшой однокомнатной квартиры вполне эффективным может оказаться электрический котел (если потери тепла очень малы). А вот для дома с большим количеством комнат это не лучший вариант. Здесь удобнее установить конвекторную систему с терморегуляторами, контролирующими климат в каждом помещении. Инфракрасные панели хороши для гаража, чулана или хозяйственного помещения, в котором не требуется удерживать постоянную температуру.
- В комнатах и домах, которые не используются на протяжении всего дня, оптимально комбинировать электроотопительное оборудование. В качестве примера возьмем кухню с основным конвектором и вспомогательной ИК-панелью. Конвектор позволяет поддерживать минимальную норму температуры на протяжении всего дня, а включенная перед вечерним приемом пищи панель быстро согреет комнату для комфортного ужина. Аналогичным образом можно устроить обогрев ванной комнаты, хозпостроек или отапливаемого гаража.
- Терморегулирующая автоматика позволяет точно настраивать температурный режим. В зависимости от конкретных моделей и устройств, вы можете установить «горячие» и «холодные» периоды, использовать фотодатчики, чтобы в помещении становилось теплее в присутствии людей, и применять прочие настройки. Все эти на первый взгляд незначительные мелочи могут сильно помочь в уменьшении расходов.
- Большая доля потребления отопительной системы выпадает на ночное время, когда все жильцы находятся дома. Существенно снизить счета за этот период можно перейдя на двухтарифный учет электроэнергии. Ночной тариф, как правило, ниже основного в 3-4 раза. Для замены счетчика и перехода на новые правила учета обратитесь в местную компанию, осуществляющую энергоснабжение.
Как мы видим, экономичное отопление частного дома без газа вполне осуществимо. Главное – тщательно спланировать переход на электричество, продумать, какие устройства применять для основных помещений, а какие – для периферии (гаража, бани, прочих построек). Конечно, покупка всего необходимого может «влететь в копеечку», однако эти расходы нивелируются суммой, которую вы сэкономите в течение дальнейших лет.
Поделиться с друзьями:
Видео: комплексная система альтернативного отопления частного дома
Таким образом, подведя итог, можно сделать вывод, что в настоящее время можно отопить дом дешево без газа. В торговой сети находится достаточно много современных энергоэффективных твердотопливных котлов длительного горения, которые способны конкурировать с газовыми котлами по мощности и качеству обогрева. Если в такую систему теплоснабжения будут интегрированы дополнительные нетрадиционные источники нагрева в виде гелиосистем и тепловых насосов с бойлерами косвенного нагрева, то такая схема обогрева будет вырабатывать тепловую энергию с самой низкой себестоимостью.
Альтернативные источники тепла
Прогресс не стоит на месте и с каждым годом появляются всё больше и больше различные экономичные системы отопления и не очень экономичные. Ими можно заменить обычные традиционные виды обогрева домов, а также сэкономить средства.
Например, новая плинтусная система предлагает мини радиаторы, которые укладывают под плинтусами, тем самым, в помещении создаётся микроклимат, оказывающий благоприятное воздействие и поддерживается тепло.
Эта система интересна тем, что она греет не воздух, а стены, мебель, то есть, поверхности. Это эконом отопление, и сбережет такая система до 30% электричества. Система тёплого плинтуса действует при помощи нагревания воды, используя при этом ТЭНы. Например, на 12 метровый плинтус потребуется только четыре литра воды.
Плинтусное отопление
Современные экономичные системы отопления, используемые для обогрева частных домов
Инфракрасные отопительные системы
Способ очень удобен, но трудоёмок, нет необходимости прокладывать трубы и устанавливать котлы, экономия составляет около 60%, если принимать во внимание обычную оплату за отопление
Инфракрасные потолочные обогреватели
- Воздушные системы. Если какое отопление экономичнее, то, в принципе, можно привести в пример и воздушные системы. Это достаточно экономично, применяются газовые нагреватели воздуха и трубы, по которым и поступает тепло в дом. Они имеют много преимуществ. Для того чтобы вместе с нагреваемым воздухом не поднималась и пыль, существуют фильтры, очищающие воздух. Электросберегающая отопительная установка. Преобразует электричество в тепло, но при этом не потребляет много электричества.
- Инфракрасная плёнка для отопления. Новинка от зарубежных производителей. Используется как напольное покрытие, это довольно экономное отопление своими руками. Но нужно учесть, что на эту плёнку нельзя ничего стелить и ставить, даже ковры.
Теплый пол из инфракрасной пленки
Солнечные батареи. Для тех, кто живёт в солнечных частях нашей страны, да и мира, это просто идеальный вариант. Он намного сэкономит средства, не нужно будет каждый месяц платить за горячую воду, она будет у вас круглый год. Вы не будете беспокоиться, об отключении отопления или горячей воды. А также у вас всегда будет электричество. Сейчас стало популярным устанавливать на крышах домов солнечные батареи, они могут послужить и как дополнительный источник электропитания, если вдруг отключится электроэнергия, они помогут поддержать работу обогревательных приборов, котлов, можно будет смотреть телевизор, пользоваться различной бытовой техникой, заряжать телефон и многое другое. Вы будете практически независимы как от поставщиков горячей воды и отопления, так и от энергетиков, что значительно сэкономит вам деньги, нервы и время, и облегчит жизнь.
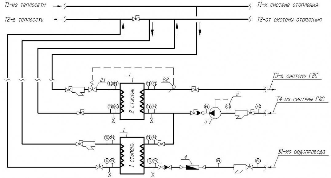
Теплообменник и терморегулятор
Теплообменник
Теплообменник – важнейший элемент всей отопительной системы. В нём происходит нагрев или охлаждение воды до нужных параметров, после чего она поступает в домашний трубопровод, обогревая помещение. Несколько видов теплообменников
- первичные;
- вторичные;
- термические;
- косвенного нагрева;
- битермические.
Битермические – наиболее оптимальный вариант для тех людей, кто хочет сэкономить на потреблении электричества. В них есть сразу два контура, которые служат для подогрева воды и для распределения её по патрубкам в системе отопления.
Обычно при использовании газовых и твердотопливных котлов температуру подогрева воды можно регулировать вручную или автоматически. Соответственно, можно самостоятельно влиять и на уровень расхода энергии по системе отопления и подогрева воды в целом, что теоретически позволит сэкономить немалые средства (установить их можно и своими руками).
Схема подключения пластинчатого теплообменника

Теплоаккумулятор
Теплоаккумуляторы – это устройства, позволяющее накапливать тепло, сохранённое во время работы котла (в теплоаккумуляторы встраиваются и теплообменники). То есть, если говорить простым языком, тепло будет накапливаться после частичной остановки котла.
Схема стандартного теплоаккумулятора
Поздней ночью тарифы на электроэнергию являются самыми маленькими. В это время теплоаккумулятор накапливает тепло, которое можно использовать уже при выключенном котле. Теоретически, расход потребления электроэнергии в данном случае можно сократить до 200%, то есть, в целых 2 раза! В целом можно выделить наиболее важные преимущества, которые предоставляет такой аккумулятор:

экономия расхода электроэнергии до 200% от первоначального объёма использования (не важно, речь идёт о кирпичных, каркасных или домах из СИП-панелей);
увеличенный срок эксплуатации котлов (не важно, используют они для работы газ или нечто иное);
работа после отключения обогрева (самое важное);
температурные скачки будут отсутствовать или сведены к минимуму (хотя они все равно будут – не дровами ведь загородный дом отапливается и не про насос сейчас разговор);
безотказность работы системы отопления в различных климатических условиях (прямо говоря, с теплообменником любая система отопления будет бесперебойно работать, находясь она в Арктике или Сахаре).
В настоящий момент теплоакумуляторы больше используются уже не как выгодная опция, а как необходимый элемент всей автономной системы теплоснабжения
Однако есть случаи, когда использование теплоаккумуляторов нецелесообразно
- Если дом нуждается лишь в минимальном обеспечении горячей водой (малое количество санитарных узлов, малая общая площадь строения или речь идёт о деревянном доме);
- Если используется для подогрева воды только один вид топлива, с одним и тем же распределением и коэффициентом выделения тепла (тепловой бак в данном случае использовать нецелесообразно).
Внутреннее устройство аккумулятора тепла

Стоимость оборудования для отопления
Примерная смета от для дома площадью 100 метров 2 :
| Электрокотел и водонагреватель | |
| Радиатор алюминиевый (64 секций по 340р.) | 21 760 |
| Комплектующие к радиаторам | 5 600 |
| Материалы для монтажа отопления | 11 000 |
| Электрический котел 9 кВт | 9 110 |
| Циркуляционный насос | 3 000 |
| Водонагреватель 80 л | 7 500 |
| Итого по материалам: | 57 970 |
| Монтаж системы отопления | 28 000 |
| Двухконтурный газовый котел | |
| Радиатор алюминиевый (64 секций по 340р.) | 21 760 |
| Комплектующие к радиаторам | 5 600 |
| Материалы для монтажа отопления, котельной | 10 000 |
| Газовый двухконтурный котел 11 кВт + дымоход | 28 100 |
| Итого по материалам: | 65 460 |
| Монтаж системы отопления, котельной | 30 000 |
Средняя стоимость оборудования для электрического котла и для двухконтурного газового котла различается не существенно и составляет примерно 58-65 тыс. рублей. Стоимость работ по монтажу составит порядка 28-30 тыс. рублей.
Резюмируя все вышесказанное
Взвешивая все плюсы и минусы, все за и против, однозначно можно сказать следующее: если дом был приобретен уже с подключенным газовым отоплением, то менять его конечно не стоит.
Если вы не готовы вкладывать в дом почти миллион рублей для того, чтобы в нем был газ, и для вас также важна скорость прогрева комнат (в этом плане газовое отопление проигрывает электрическому), лучше отдать предпочтение электрическому отоплению.
Дело в том, что электрические системы лишены данного недостатка, особенно если использовать систему «котел — воздух». Вся «фишка» быстрого прогрева заключается в конвекции — комнатный воздух забирается системой, затем нагревается и возвращается в комнату, снова забирается, и так по кругу. Подобные системы отличаются очень высоким КПД — и вырабатывают тепла больше, чем тратят энергии.
Сравнение затрат на газ и электричество. Какова разница в цене?
Давайте попробуем сделать простой расчет и посмотрим, насколько дороже топить дом электричеством, по сравнению с газом.
Будем исходить из того, что отапливать частный дом нужно пять месяцев в году. Учтем, что будут не только холодные дни, но и теплые, поэтому расход энергии разделим на 2.
Итого на обогрев дома в течение года приблизительно уйдет 27 000 кВт энергии.
Тарифные цены поставщиков в этом году в Подмосковье составляют:
- 4,0 руб. за 1 кубический метр газа;
- 3,80 руб. за 1 киловатт электроэнергии.
Нетрудно посчитать, что расходы на обогрев дома электричеством составят 102.600 рублей за отопительный сезон.

Теперь сравним сколько придется потратить, если используется газ и установлен котел, мощность которого составляет 24 кВт, а производительность — 2,84 куб. м. в час.
При обогреве частного дома, с одного кубического метра газа выходит 8,45 кВт тепла. В расчет возьмем КПД котла равным 90 %:
8,45 х 0,9 = 7,61 кВт.
В результате получим, что за тот же отопительный сезон затратится 3.548 кубометра газа, общая стоимость которого составит 14.192 рублей.

Конечно, это немалая разница. Но заглянем вперед и сделаем расчет на перспективу, например на 15 лет. Приплюсуем сюда расходы, которые потребуются для того, чтобы установить газовую отопительную систему:
- Чтобы подключиться к газовой магистрали в Московской области придется потратить не менее 600-700 тысяч рублей;
- Годовое техническое обслуживание газового котла обходится в 8 тыс. руб., за 15 лет эта сумма перерастет в 120 тыс. руб.;
- Учтем замену котла (а он за этот период явно выработает свой ресурс) — еще 50 тыс. руб.;
В общей сложности, получим 978 тысяч рублей дополнительных расходов.
Подведя итог, имеем, что за 15 лет на отоплении дома электричеством мы потратим 1.539.000 руб. Если отапливаться газом, за этот же период мы потратим 1.090.880 руб. Разница в 1,5 раза.
Несколько полезных советов
Если в вашем доме сохраняется постоянная температура около 5, этого достаточно для «старта разогрева». Стабильную температуру обеспечит качественное утепление дверей, окон, крыши, пола и потолка. Им нельзя пренебрегать: это приведёт к большим теплопотерям. Отопительные системы не смогут прогреть помещение, в котором нет надёжного утепления.
Пользуйтесь электрическими обогревателями с датчиками температуры. Есть безопасные устройства, которые можно ненадолго оставить без присмотра. В зимнее время экономьте тепло и не отапливайте неиспользуемые помещения. Для зимовки на даче достаточно отапливаемой кухни и одной комнаты. Другие части дома помещайте в случае крайней необходимости.
При установке котла или печи учитесь правильно закладывать и расходовать топливо. Это поможет вам сохранить тепло и максимально использовать КПД системы отопления.
Есть много способов отапливания частных домов. Каждый из них имеет свою специфику. Перед установкой котла или печи надо учесть все тонкости их эксплуатации. Простую печь можно сделать самостоятельно, а для монтажа сложной установки лучше пригласить специалиста.
Способ 1 — электроконвекторы
С помощью электрических конвекторов реально обеспечить дешевую и эффективную систему отопления. Электроконвектор построен по принципу естественной циркуляции воздуха. От обогревателя тёплый воздух перемещается вверх, стимулируя, таким образом, движение воздуха внутри помещения, и обеспечивая равномерность его прогрева. Однако эффективен конвектор только в тёплом климате, когда температура не падает ниже 10-15 градусов.
Плюсы
- Отсутствие принудительного выдувания воздуха. Даже в самом чистом доме есть твёрдые частицы, которые лежат на поверхностях. При искусственном выдувании тёплого воздуха из обогревателя эта пылища становится частью воздуха, которым мы дышим. Естественная циркуляция воздуха не столь активна, поэтому и пыль в воздух при этом не поднимается.
- Небольшие размеры при достаточной мощности. Нагревательные элементы конвекторов разогреваются быстро, преобразуя электричество в тепло с КПД до 80%. Кроме того, есть система работы на разных режимах, а также термостаты, позволяющие работать не постоянно, а только при снижении температуры воздуха.
- Мобильность, позволяющая передвигать конвектор по комнате, в места с максимальным холодопритоком.
- Возможность создания системы отопления исключительно с помощью конвекторов или использования их как составной части более сложной системы обогрева.
- Электро-нагревательный элемент не греется более 100 градусов, а корпус — 60 градусов. Имеют повышенный уровень защиты от влаги, что позволяет использовать конвектор на кухне и в санузлах.
Минусы
- Минусами электрических конвекторов является установка обогревателей в каждой комнате доме.
- Кроме того, если включить их одновременно, то есть вероятность превысить пределы допустимой мощности.
На фото электроконвектор фирмы Nobo, Норвегия
Дизель
Есть также котлы на “солярке”. По мне, опасные из-за необходимости хранения большого запаса горючей смеси у себя на территории. Но посчитать нужно, потому что такие котлы существуют, хоть и их не так много, как других. Теплотворность дизельного топлива 11,9 кВт/м³, а нам за сезон нужно 25680 кВт. КПД у них в районе 90%. Поэтому примем, 25680 кВт/ (11,9 кВт/м³ × 0,01 × 90%) = 2398 литров, а это 127000 рублей в сезон (если литр по 53 рубля).
Цена дизельного котла от 35 до 200 тысяч для такой площади. Стоимость топлива и котла очень высоки. Исходя из этого сейчас этот котёл очень невыгодный, да ещё и опасный.

























































