Отличие магнитного пускателя от контактора
Часто при подборе коммутационного устройства возникает путаница между магнитными пускателями (МП) и контакторами. Эти устройства, несмотря на свою схожесть во многих характеристиках, все же разные понятия. Магнитный пускатель объединяет в себе ряд приборов, они соединены в одном управляющем узле.
В МП может быть включено несколько контакторов, плюс защитные устройства, специальные приставки, управляющие элементы. Все это заключено в корпус, имеющий какую-то степень влаго- и пылезащиты. С помощью этих устройств в основном управляют работой асинхронных двигателей.
Предельное напряжение, с которым работает магнитный пускатель, зависит от электромагнитной катушки индуктивности. Бывают МП небольших номиналов — 12, 24, 110 В, но наиболее часто применяют на 220 и 380 В
Контактор — моноблочный прибор с набором функций, предусмотренных конкретной конструкцией. Тогда как пускатели применяют в схемах достаточно сложных, контакторы в основном присутствуют в простых схемах.
Как сделать проходной выключатель своими руками
Несмотря на то, что на первый взгляд обычный и проходной переключатели имеют незначительные отличия, их стоимость существенно отличается. Купить проходной выключатель можно в 1,5-2 раза дороже простого. Поэтому многие мастера стремятся изготовить коммутирующее устройство самостоятельно.
Чтобы получить проходной одноклавишный выключатель, необходимо воспользоваться обычными одноклавишным и двухклавишным устройствами одного размера и производителя.
Процесс переделки простого выключателя в проходной состоит из следующих этапов:
- у накладного одноклавишного выключателя снимается клавиша, оснащенная клипсами;
- аккуратно выдавливается сердцевина выключателя;
- отжимаются зажимы корпуса на внутреннем механизме выключателя;
- одна из клемм вынимается из гнезда;
- переустанавливается один контакт напротив другого;
- на контакты устанавливается коромысло;
- корпус собирается обратно.
Использование проходных выключателей будет удобным, если в доме есть длинные коридоры
Также можно осуществить сборку одного выключателя из двух простых. Их следует расположить рядом друг с другом таким образом, чтобы при воздействии на верхнюю часть клавиши включался один, а на нижнюю – другой. Клавиши следует соединить пластиной, которая клеится сверху. Обязательно необходимо установить перемычку между двумя соседними контактами.
Особенности подключения своими руками
Установить выключатель для бытового использования, функционирующий бесконтактно, можно самостоятельно. Что касается моделей для управления током нагрузки на производстве, то здесь монтажом разрешено заниматься лишь сотруднику, имеющему допуск к конкретному оборудованию.

Предстоит внимательно рассмотреть покупку – выключатель комплектуется инструкцией, крепежными деталями, иногда стопорными гайками. Все это пригодится подсоединения прибора
Перед подключением следует обратить внимание на следующие моменты:
для функционирования ВБ требуется питание, но его нельзя подключать напрямую, если изделие относится к двухпроводному типу;
у источника питания, использующегося для бесконтактного датчика, напряжение должно соответствовать параметрам, указанным в паспорте выключателя;
при затягивании крепежей важно не перетянуть гайки.
В руководстве должна быть схема подключения, которой нужно следовать, а также способ установки конкретной модели.

Варианты установки полностью зависят от особенностей приобретенной модификации
Важно использовать именно способ, характерный для приобретенного датчика. Сначала выполняется механический тип монтажа – используя крепежи, если нужно, то стопорные гайки, для присоединения прибора
Сначала выполняется механический тип монтажа – используя крепежи, если нужно, то стопорные гайки, для присоединения прибора.
Когда все надежно зафиксировано, то пора приступать ко второму этапу – электрическому подключению.

Схема электромонтажа зависит от того, используется постоянный или переменный ток. Количество проводов также влияет на выбор схемы – здесь нужно быть внимательным, чтобы правильно подсоединить имеющиеся кабеля
При работе с электросетью важно не забыть отключить питание на квартирном щитке, чтобы обезопасить себя. Затем провод ВБ подсоединяется одним из способов, предусмотренных ГОСТом
Его тип зависит от модификации.
Чаще всего для бытового использования покупают датчик, управляющий работой люстры. Поэтому последний этап – размещение приспособления в корпусе осветительного изделия. При необходимости выполняют регулировку и настройку времени отклика, активного расстояния, на котором будет срабатывать устройство.
Зачем нужны автоматы?
Автоматические выключатели – аппараты, предназначенные для защиты силового кабеля, точнее, его изоляции от оплавления и нарушения целостности. Автоматы не защищают владельцев техники от ударов и не оберегают само оборудование. Для этих целей электросеть оснащают УЗО. Задача автоматов предотвратить перегрев, сопровождающий поступление сверхтоков на вверенный участок цепи. Благодаря их использованию не будет оплавлена и повреждена изоляция, значит, проводка будет действовать в нормальном режиме без угроз возгорания.
Работа автоматических выключателей заключается в размыкании электрической цепи в случае:
- появления ТКЗ (в дальнейшем токов короткого замыкания);
- перегрузки, т.е. прохождения по защищаемому участку сети токов, сила которых превышает допустимое эксплуатационное значение, но не является ТКЗ;
- ощутимого снижения или полного исчезновения напряжения.
Автоматы охраняют следующий за ними участок цепи. Проще говоря, устанавливаются на вводе. Оберегают они линии освещения и розеток, магистрали подключения бытового оборудования и электродвигателей в частных домах. Линии эти прокладываются кабелем различного сечения, ведь питается от них техника разной мощности. Следовательно, для защиты участков сети с неравнозначными параметрами нужны устройства защиты с неравнозначными возможностями.
Казалось бы, можно без лишней мороки приобрести самые мощные приборы автоматического выключения для установки на каждую из линий. Шаг в корне неверный! А результат его проложит прямую «тропинку» к пожару. Защита от причуд электротока – дело тонкое. Потому лучше узнать, как выбрать автоматический выключатель, и установить аппарат, разрывающий цепь, когда в этом возникает реальная потребность.
Автоматы с заниженными характеристиками тоже преподнесут немало сюрпризов. Будут бесконечно разрывать линию при запуске техники и в итоге сломаются из-за многократного воздействия на них слишком больших токов. Контакты спаяются, что называется «залипнут».
Монтаж и подключение — пошаговая инструкция
Подключение концевых выключателей механического типа не представляет сложности и ничем не отличается от методики установки стандартного устройства. Выполняется присоединение в разрыв фазы к контактам нужного типа (нормально замкнутым или разомкнутым). Сложность составляет монтаж и настройка КВ, требующая правильного расположения на опорной конструкции.
Необходимо установить корпус прибора так, чтобы ролик оказался в соприкосновении с заданным элементом движущейся детали, но не слишком выдавался вперед, рискуя переломиться. Если движущаяся конструкция отличается большим размером и массой, во время перемещения она способна вибрировать, что надо учесть при настройке положения ролика.
Правильнее для подобных конструкций использовать модели выключателей с регулируемым рычагом, чтобы корректировать положение ролика по месту. Рассмотрим порядок действий при установке КВ на откатные ворота. Для работы понадобятся:
- Сварочный аппарат.
- Отвертка, набор гаечных ключей.
- Пассатижи.
- Болгарка.
- Рулетка, линейка.
- Точечный пробник для определения фазного провода.
Пошаговая инструкция:
Шаг 1. Отметить крайние положение створки при закрытом и открытом положении ворот. На опорах (направляющих) приварить металлические площадки для установки КВ. Одновременно рекомендуется закрепить металлическую трубу, в которую будет помещен провод.

Монтируем место под концевики
Шаг 2. Установить створку в крайнее положение и наметить на опорной площадке центры отверстий для болтов. Те же действия выполнить на второй площадке. Просверлить отверстия и закрепить выключатели.

Крепим сам механизм
Шаг 3. Отвинтить крышки и подключить провода, предварительно затянутые в трубу с помощью проволоки. Подключить провода к панели управления, проверить работоспособность. Настроить положение выключателей, при необходимости установить дополнительные упоры, обеспечивающие надежное взаимодействие роликов с движущимися створками.

Подключаем и проверяем работоспособность
Преимущества бесконтактных моделей
Главным преимуществом бесконтактных выключателей является экономия электричества. Электроэнергия не тратится в случае отсутствия людей в помещении. Человеку не нужно принимать участие, чтобы включить или выключить свет. Следовательно, использование таких моделей считается комфортным.
Техническая простота является плюсом стандартных контактных выключателей, но есть некоторые минусы:
- Маленький ресурс при применении максимальной нагрузки. Если контакты размыкаются, возникает искра, что вызывает поломку выключателя. При наличии постоянного тока устранить аварию поможет конденсатор, имеющий параллельное подключение к контактам. При наличии в сетях переменного тока понадобится тугоплавкая напайка из вольфрама.
- Минусом контактного устройства считается сильная чувствительность к пыли и грязи. Это вызывает нарушение электрической цепи. Далее происходит снижение взаимодействия контактов, а в итоге — перегрев и поломка.
Огромный выбор дает возможность найти элемент для использования в конкретном случае. Если нужно реализовать сенсорное управление, подойдет емкостный выключатель, а для использования в загрязненных условиях лучше выбрать индуктивный вариант.
Достоинства
Вакуумный выключатель 6 кВ – 35 кВ обладает безусловными преимуществами перед другими типами коммутационных устройств подобного назначения. Перечислим их.
- Безопасность. Вакуумный выключатель 6 кВ – 35 кВ намного более легкий, чем его аналоги (при равных параметрах номинальных напряжений и токов). Малые динамические нагрузки, небольшая энергия привода, отсутствие газов утечки и масла, бесшумная работа делают его удобным и абсолютно безопасным в плане экологии и взрывчатых свойств.
- Автономная работа. Дугогасительная вакуумная камера автономна, то есть нет необходимости пополнять среду. Это снижает расходы, которые идут на эксплуатацию коммутационного устройства.
- Высокое быстродействие, значительный механический ресурс. Основная причина – ход контактов (расстояние между ними) в дугогасительной вакуумной камере составляет всего десять миллиметров. У масляных выключателей это же расстояние доходит до нескольких сотен миллиметров. Естественно, прочность самого вакуума на пробой намного выше аналогичного показателя воздушных и масляных сред гашения дуги.
Кроме того, обязательно нужно упомянуть и следующие параметры.
- Коммутационная стойкость, высокий ресурс, низкие расходы на обслуживание. Число отключений рабочего тока без ремонтов и ревизий составляет десятки тысяч. Вакуумный выключатель способен отключать токи короткого замыкания в пределах от нескольких десятков до нескольких сотен раз (в зависимости от изготовителя и величины ударного тока и его периодической составляющей). К примеру: масляные выключатели нуждались в ревизии всего после нескольких сотен отключений рабочего тока и до десяти отключений токов КЗ (короткого замыкания). Воздушные выключатели – соответственно от 1000 до 2000 и от о 5 до 15.
- Надежность эксплуатации. Количество отказов у «вакуумника» намного ниже, чем у традиционных выключателей.
Достоинства и минусы
Нет необходимости в штроблении стен
Приборы, дистанционно контролирующие освещение, обладают достоинствами и недостатками. К плюсам их эксплуатации относят:
- легкость самостоятельной установки;
- отсутствие необходимости в штроблении стен и прокладке кабеля;
- удобное управление всеми осветительными системами при помощи пульта ДУ или со смартфона;
- большой диапазон передачи и приема сигналов;
- отсутствие рисков поражения электротоком;
- безопасность для детей.
Среди минусов беспроводных модулей выделяют дороговизну в сравнении с проводными модификациями, зависимость от стабильности Wi-Fi и невозможность применения с разряженной батарейкой.
Производители и модели
Концевые выключатели используются во всех сферах промышленности и множестве других областей деятельности. Востребованность этих устройств вызвала большой интерес со стороны производителей электротехнических изделий. Существует множество фирм, выпускающих концевые выключатели разных типов. Рассмотрим наиболее популярные модели и виды КВ:
Концевой выключатель с роликом Schneider
Schneider Electric — это французская компания, деятельность которой длится уже 185 лет. Фирма занимается разработкой и производством широкого ассортимента электротехнических изделий. Заводы этой фирмы построены и в России, что позволило снизить цену и сделать продукцию доступной для массового покупателя. Концевые выключатели Schneider — надежные и универсальные устройства, обеспечивающие безотказную и долговечную работу.Компания выпускает следующие виды механических КВ:
- Кнопочные.
- Штоковые.
- Роликовые штоковые.
- Роликовые рычажные.
- Роликовые с регулируемым рычагом.

Концевые выключатели Schneider
Концевой выключатель с роликом ВП15К21
ВП15К21 — это серия путевых выключателей, предназначенных для промышленного использования. Они рассчитаны на эксплуатацию в следующих условиях:
- Постоянный ток — до 440 В.
- Переменный ток — до 660 В.
- Номинальный тепловой ток — 10 А.
- Номинальное напряжение по изоляции — 660 В.
Выпускаются штоковые и рычажные типы выключателей полумгновенного и прямого действия.
Таблица 1. Характеристики концевых выключателей серии ВП15К21.
| Тип выключателя | Число полюсов | Тип привода | Скорость срабатывания |
| ВП15К21А(Б)111 | 1 | Толкатель | Прямое действие; |
| ВП15К21А(Б)211 | 2 | ||
| ВП15К21А(Б)121 | 1 | Толкатель с роликом | Полумгновенное действие |
| ВП15К21А(Б)221 | 2 | ||
| ВП15К21А(Б)131 | 1 | Рычаг с роликом | |
| ВП15К21А231 | 2 | ||
| ВП15К21Б231 | |||
| ВП15К21А(Б)161 | 1 | Рычаг регулируемой длины | Полумгновенное действие |
| ВП15К21А(Б)261 | 2 | ||
| ВП15К21А(Б)191 | 1 | Рычаг с роликом регулируемой длины | |
| ВП15К21А291 | 2 | ||
| ВП15К21Б291 |
Предлагаются варианты типоразмеров и конструкционных типов, способные выполнять сложные задачи в соответствии с существующими технологическими условиями.
Что ограничивает число проходных выключателей
Цепочка переключателей, позволяющая коммутировать электрический ток из нескольких точек, не должна быть слишком громоздкой. Контакты оказывают сопротивление электрическому току. Оно невелико, но на длинной цепочке контактов ток может уменьшиться заметно. При большом числе переключателей, включенных друг за другом, уменьшается надежность схемы, возможны сбои. Поэтому мы редко встретим вереницу проходных и перекрестных выключателей в десять или более штук. Чаще всего это пара переключателей, несколько реже — цепочка из трех, четырех, пяти.
Использование этих устройств делает жизнь удобнее и позволяет экономить электроэнергию.
Более современные аналоги прибора
Старые пакетные выключатели почти везде заменили на автоматы. Это логично, ведь изменились требования к энергопотреблению и долговечности приборов. Сейчас широко используют УЗО (устройства защитного отключения), автоматические и дифференциальные автоматы, контакторы.
Вариант #1: устройство защитного отключения
Прибор предназначен для предупреждения утечек тока. Он реагирует на дифференциальный ток, который способствует перегреванию электрических кабелей, что может привести к короткому замыканию, возгоранию проводки. Также утечки могут стать причиной поражения человека током.
Прибор нельзя считать стопроцентным аналогом пакетника, однако в комплекте с автоматическим выключателем он выполняет даже большее количество функций
УЗО необходимо устанавливать, чтобы избежать риска утечки электротока, если он начинает проходить мимо приборов-потребителей. Устройство выполняет функцию индикатора утечки, который просто отключает электричество в случае неполадок.
Само по себе устройство защитного отключения не защищает от перегрузок или короткого замыкания. Это возможно только в случае его подключения в сочетании с автоматическим выключателем.
Вариант #2: автоматический выключатель
Эти приборы пришли на смену пакетным выключателем. Они выполняют те же функции, однако более удобны в эксплуатации, долговечны и износостойки.
Автоматические выключатели также могут быть одно-, двух-, трех-, четырёхполюсными. Они различаются по виду привода (он может быть ручным, пружинным, двигательным), типу присоединения и другим техническо-эксплуатационным характеристикам.
Селективному автоматическому выключателю не нужно дополнительное питание, чтобы замыкать или размыкать контакты. Прибор является электро-механическим и разработан так, что выполняет свои функции наилучшим образом
Предложенные к продаже автоматические выключатели маркируют и классифицируют в соответствии с ГОСТами 9098–78 и 14255. Эти документы устанавливают требования к техническим характеристикам устройств.
Вариант #3: дифференциальный автомат
Это комбинированный автомат, который одновременно выполняет функции двух приборов – УЗО и автоматического выключателя. Дифференциальный автомат прекрасно заменяет пакетник, подходит для бытовых электросетей и успешно применяется на предприятиях.
Дифференциальный автомат – прибор «2 в 1»: автоматический выключатель и УЗО, размещенные в общем корпусе. Он безупречно справляется с задачами обоих устройств и при этом отличается компактностью, удобством в эксплуатации
Функциональные и конструктивные отличия диффавтомата и УЗО приведены здесь, рекомендуем ознакомиться с очень полезной информацией.
Дифференциальный автомат предотвращает утечки, короткие замыкания, минимизирует риски поражения током. В конструкцию прибора входят тепловой и электромагнитный расцепители. Первый предотвращает перегрузки в сети, а второй нужен для отключения электротока при коротком замыкании.
Вариант #4: контактор – вид электромагнитного реле
Прибор необходим для дистанционного управления режимами включения/выключения электроцепей. Электромагнитные реле не срабатывают при коротком замыкании и рассчитаны только на номинальные токи. Это их основное отличие от автоматических выключателей.
Приборы отличаются исключительной электрической и механической износостойкостью. Их устанавливают в механизмах лифтов, транспортных средств, используют на предприятиях
В современных жилых домах редко устанавливают устаревшие пакетные выключатели. Практически повсеместно практикуется установка дифавтоматов или подключение УЗО в сочетании с автоматическим выключателем. Но есть случаи, когда старый добрый пакетник может оказаться незаменимым, например, если нужно отключить подачу тока во время электромонтажных работ.
КОНСТРУКЦИЯ И ПРИНЦИП ДЕЙСТВИЯ
Выключатели выполнены в совмещенном варианте. Все элементы схемы размещены в одном корпусе, из которого наружу выведены три провода для подсоединения выключателя к источнику питания и подключения к нему реле или логических элементов.
В основе работы выключателя положен принцип управляемого релаксационного генератора. Управление генератором осуществляется введением в щель переключающей пластины. При выведении пластины из щели генератор не генерирует. Введение пластины в щель вызывает генерацию, при этом на выходе усилителя появляется сигнал, вызывая срабатывание выходного устройства.
Срабатывание выключателя происходит при введении в рабочий зазор переключающей алюминиевой пластины из материала Д16 толщиной не менее 1,5 мм и шириной В не менее 11 мм (рис. 1).

: Положение переключающей пластины в момент срабатывания выключателей типа БВК-400 Расстояние между двумя движущимися соседними пластинами,вызывающими срабатывание одного и того же выключателя, не менее 9 мм.
Расстояние (m) от нижней кромки пластины до основания щели от 1 до 4 мм.
Срабатывание выключателя происходит при положении переключающей пластины за осью Р на расстоянии К = 0…3 мм в зависимости от образца.
При движении пластины сверху положение переключающей пластины, при котором происходит срабатывание выключателя, лежит за осью Q на расстоянии 14 мм от нее.
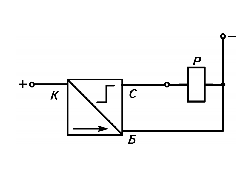
На рис. 2 приведена схема присоединения выключателя к источнику питания и подключения к нему реле Р.

.: Схема включения выключателя типа БВК-400: К, С, Б — провода красный, синий и белый соответственно Бесконтактные путевые выключатели могут включаться последовательно (рис. 3) и параллельно (рис. 4). При последовательном включении минимальное значение напряжения питания с учетом его колебания должно быть не менее значения U = (20+2n) В, где n — число последовательно включаемых выключателей.

.: Схема последовательного включения двух выключателей

.: Схема параллельного включения выключателей При параллельном включении сопротивление нагрузки не должно быть ниже 120 Ом.
На рис. 5, 6 приведены габаритные, установочные и присоединительные размеры выключателей БВК-400. Крепление осуществляется винтами М4.

.: Общий вид, габаритные, установочные и присоединительные размеры выключателей БВК-421-24 и БВК-422-24 (без светодиода)

.: Общий вид, габаритные, установочные и присоединительные размеры выключателей БВК-423-24 и БВК-424-24 (без светодиода)
Виды и размеры

Классификация производится по типу установки, числу входов, виду разъемов, монтажу. По типу монтажа выделяют внутренние и внешние розетки. Внутренние устанавливаются вместе с контактами и коробкой в стену, что удобно для пользователей. Устанавливаются только на скрытой проводке. Внешние (накладные) используются для наружной проводки и монтируются поверх стены. Процесс монтажа прост, но такие устройства могут быть неудобны в быту.
По числу полюсов выделяют однополюсные, двухполюсные, трехполюсные и четырехполюсные розетки. В России преимущественно используются двухполюсные устройства.
Внутренние
Монтаж розетки внутреннего типа сложен. Устанавливается напрямую в стену. Корпус – металлический или пластиковый подрозетник, закрепленный на стене на гипс или цементный клей. На подрозетник устанавливается колодка и затягивается винтами.
Утопленного типа

Часто используются в быту, так как выглядят эстетично. Для установки в стене делается специальная ниша, куда крепится монтажная коробка. Недостаток – устройство периодически приходится подкручивать, так как соединение может немного отходить. Для надежного закрепления используют винтовое крепление напрямую к коробке. При установке прочно прикрепить концы жил к контактам, так как в этом месте чаще всего и происходит выгорание или искрение.
Внешние
Внешние (или накладные) розетки используются при прокладке в кабелях или трубах. Такой тип используется при невозможности прокладки скрытой проводки или в производственных помещениях, в которых необходим постоянный доступ. Внутренне розетки внешнего и утопленного типа практически не отличаются, разница только в виде монтажа. Наружные розетки могут быть дополнительно оборудованы электронным таймером, подсветкой, кнопочным выталкивателем вилки и другими нужными функциями.
С заземляющим контактом
В современных домах имеются новые требования к электрической проводке. Это обязательное наличие заземляющих контуров. Так как некоторые бытовые приборы являются металлическими электроустановками с большой мощностью. В отличие от традиционных устройств заземляющие розетки имеют 3 (для однофазной сети) или 5 (для трехфазной сети) контактов. В остальном конструкция отличий не имеет.
С защитным контактом
Используются также для нового типа проводки. В штепсельных розетках защитный контакт соединяется с заземляющим проводом. В конструкции устройства имеются специальные гнезда для приемки скобы защитного контакта.
Магнитные концевые выключатели
Этот тип выключателей, которые по-другому называют поплавковыми или герконами, постепенно вытесняет механические модели. Их контакты меняют положение, когда находятся на каком-то расстоянии от магнита. При этом в схему управления подается сигнал.
В герконовом выключателе присутствует один или два контакта, изготовленные из специального материала — ферромагнетика. Магнитный концевик отличается малыми габаритами. Помещают его в корпус из пластика или стекла, а в электрическую цепь монтируют в ее разрыв.
Контакты в таком переключателе бывают открытыми, закрытыми, переключаемыми. В приборах первого вида контакт при срабатывании замыкается. Нормально закрытые контакты размыкаются в аналогичных обстоятельствах, а переключаемые ведут себя по ситуации.
Выбор модели зависит от конкретных обстоятельств. Герконы применяют в конструкции откатных ворот. С их помощью выполняется остановка сооружения при достижении им крайнего положения при открытии или закрытии.
Некоторые поплавковые модели используют, как часть охранной сигнализации на входе в дом. Когда дверь закрыта, цепь замкнута из-за воздействия магнитного поля на концевик. Открывающаяся дверь провоцирует перемещение магнита и размыкание контакта, вызывающего включение сигнализации.
При установке магнитов учитывают их полярность. При неправильной установке они не будут выполнять возложенные на них функции
То, что механический контакт в этой конструкции отсутствует, является ее достоинством, повышающим долголетие. Они отличаются самой простой структурой, основанной на взаимодействии магнитоуправляемых контактов с обычным магнитом.
Что такое концевой выключатель
Концевым называется конечный выключатель, который устанавливается в системе управления формирования сигнала, дающего разрешение на дальнейшую работу схемы. Он, как правило, имеет несколько пар контактов (открытых и закрытых). Но существуют и бесконтактные концевики, которые состоят из инфракрасного светодиода и фотоэлемента, расположенных друг напротив друга.
Устройство
Выключатель концевой состоит из подвижных контактных элементов и неподвижных. Он имеет металлический корпус, в котором установлен весь механизм. Устройство выключателя приведено на схеме ниже.

Механический концевой выключатель (конструктивная часть)
Основным параметром концевиков является свободный ход штока выключателя, который в зависимости от модификации составляет 0,5-2,7 мм. Рабочий ход выключателей измеряется миллиметрами. Поэтому устройства могут использоваться с применением дополнительного рычага, который оснащается небольшим роликом.
Принцип работы
Рассмотрим принцип работы на примере схемы автомобильного концевика. При механическом воздействии любой из двери на ролик подвижного штока контакт замыкается, вследствие этого зажигается лампа салонного плафона. Диоды на электросхеме установлены от обратных токов.

Принципиальная схема включения плафона автомобиля через концевые выключатели
Применение
Концевые выключатели применяются:
- в мебельной продукции;
- в автомобилестроении;
- в быту и бытовой технике;
- на производстве.
Концевые выключатели подразделяются на следующие виды:
- механические;
- бесконтактные;
- герконовые;
- ультразвуковые;
- емкостные;
- сенсорные (оптические);
- индуктивные.
Механические
Механические концевики являются основным видом выключателей в строительстве, а также производстве и металлургии. Наличие резиновых уплотнений на контактной группе является защитой устройств от пыли и грязи.
Механические выключатели бывают:
Бесконтактные
Бесконтактные концевики работают на транзисторном ключе, который обладает небольшим сопротивлением. К преимуществам таких устройств можно отнести отсутствие подгорания контактов, а также компактность.

Ультразвуковые
Ультразвуковые автоматические выключатели применяются в качестве датчиков объема и движения, основаны на специальных кварцевых элементах. Приборы выдерживают небольшие нагрузки в цепи, как например, от мотора привода штор или низковольтной аппаратуры.

Ультразвуковой концевой выключатель
Емкостные
Такие выключатели срабатывают в случае изменения электрической емкости, созданной человеком. При приближении к устройству возникает электроемкость, которая активизирует устройство мультивибратора, находящегося в концевике. Чем ближе подходит человек, тем больше емкость и меньше частота импульса. Основой механизма является пластина конденсатора.
В ниже приведенном видео рассмотрены емкостные концевики. Снято каналом chipdip.
Сенсорные (оптические)
Устройство сенсорных выключателей имеет инфракрасный светодиод и фототранзистор. Диод, управляя подаваемым импульсом, дает возможность цепи открывать фототранзистор. Такие устройства могут широко использоваться на ЧПУ.
Индуктивные
Индуктивные концевики работают в заданном диапазоне электромагнитного поля. Датчик, который вышел из зоны действия магнитного поля, подает импульс на включение прибора.
Особенности подключения своими руками
Установить выключатель для бытового использования, функционирующий бесконтактно, можно самостоятельно. Что касается моделей для управления током нагрузки на производстве, то здесь монтажом разрешено заниматься лишь сотруднику, имеющему допуск к конкретному оборудованию.
Предстоит внимательно рассмотреть покупку – выключатель комплектуется инструкцией, крепежными деталями, иногда стопорными гайками. Все это пригодится подсоединения прибора
Перед подключением следует обратить внимание на следующие моменты:
для функционирования ВБ требуется питание, но его нельзя подключать напрямую, если изделие относится к двухпроводному типу;
у источника питания, использующегося для бесконтактного датчика, напряжение должно соответствовать параметрам, указанным в паспорте выключателя;
при затягивании крепежей важно не перетянуть гайки.
В руководстве должна быть схема подключения, которой нужно следовать, а также способ установки конкретной модели.
Варианты установки полностью зависят от особенностей приобретенной модификации
Важно использовать именно способ, характерный для приобретенного датчика. Сначала выполняется механический тип монтажа – используя крепежи, если нужно, то стопорные гайки, для присоединения прибора
Сначала выполняется механический тип монтажа – используя крепежи, если нужно, то стопорные гайки, для присоединения прибора.
Когда все надежно зафиксировано, то пора приступать ко второму этапу – электрическому подключению.
Схема электромонтажа зависит от того, используется постоянный или переменный ток. Количество проводов также влияет на выбор схемы – здесь нужно быть внимательным, чтобы правильно подсоединить имеющиеся кабеля
При работе с электросетью важно не забыть отключить питание на квартирном щитке, чтобы обезопасить себя. Затем провод ВБ подсоединяется одним из способов, предусмотренных ГОСТом
Его тип зависит от модификации.
Чаще всего для бытового использования покупают датчик, управляющий работой люстры. Поэтому последний этап – размещение приспособления в корпусе осветительного изделия. При необходимости выполняют регулировку и настройку времени отклика, активного расстояния, на котором будет срабатывать устройство.
Особенности подключения своими руками
Установить выключатель для бытового использования, функционирующий бесконтактно, можно самостоятельно. Что касается моделей для управления током нагрузки на производстве, то здесь монтажом разрешено заниматься лишь сотруднику, имеющему допуск к конкретному оборудованию.

Предстоит внимательно рассмотреть покупку – выключатель комплектуется инструкцией, крепежными деталями, иногда стопорными гайками. Все это пригодится подсоединения прибора
Перед подключением следует обратить внимание на следующие моменты:
для функционирования ВБ требуется питание, но его нельзя подключать напрямую, если изделие относится к двухпроводному типу;
у источника питания, использующегося для бесконтактного датчика, напряжение должно соответствовать параметрам, указанным в паспорте выключателя;
при затягивании крепежей важно не перетянуть гайки.
В руководстве должна быть схема подключения, которой нужно следовать, а также способ установки конкретной модели.

Варианты установки полностью зависят от особенностей приобретенной модификации
Важно использовать именно способ, характерный для приобретенного датчика. Сначала выполняется механический тип монтажа – используя крепежи, если нужно, то стопорные гайки, для присоединения прибора
Сначала выполняется механический тип монтажа – используя крепежи, если нужно, то стопорные гайки, для присоединения прибора.
Когда все надежно зафиксировано, то пора приступать ко второму этапу – электрическому подключению.

Схема электромонтажа зависит от того, используется постоянный или переменный ток. Количество проводов также влияет на выбор схемы – здесь нужно быть внимательным, чтобы правильно подсоединить имеющиеся кабеля
При работе с электросетью важно не забыть отключить питание на квартирном щитке, чтобы обезопасить себя. Затем провод ВБ подсоединяется одним из способов, предусмотренных ГОСТом
Его тип зависит от модификации.
Чаще всего для бытового использования покупают датчик, управляющий работой люстры. Поэтому последний этап – размещение приспособления в корпусе осветительного изделия. При необходимости выполняют регулировку и настройку времени отклика, активного расстояния, на котором будет срабатывать устройство.
Выводы и полезное видео по теме
Зачем нужны коммутирующие приспособления бесконтактного типа, их виды, подключение и маркировка:
Инфракрасный выключатель помогает включать свет, не касаясь реальных клавиш коммутирующего прибора. Сборка и демонстрация его работы в видеоролике:
Для автоматической сушки можно использовать умное приспособление бесконтактного типа. Об этом в видео:
О выключателях емкостного типа, срабатывающих без непосредственного контакта с объектом:
Разобравшись с тонкостями маркировки и сферой применения конкретных видов датчиков, можно подобрать оптимальную модель для коммутации электроцепи. Или и вовсе изготовить бесконтактный агрегат своими руками, приобретя набор необходимых элементов со схемой по их расположению. Такой выключатель позволит сделать свое жилье немного «умнее».
Хотите задать вопрос по монтажу бесконтактного выключателя? Пожалуйста, оставляйте комментарии в расположенном ниже блоке. Здесь также у вас есть возможность сообщить интересный факт по теме статьи.

























































