Делаем своими руками
Усилитель представляет собой некоторую плату или отдельное стационарное устройство, которое крепится к кабелю или антенне. Рынок предлагает широкий ассортимент подобных устройств, но при желании можно сделать самодельный усилитель. Компоненты для этого понадобятся самые обычные. И их можно найти в любом месте, где продаются детали для радиотехники.
Для их сборки, правда, нужно обладать некоторыми познаниями в электронике и опытом в спайке элементов. Но если вы всё же собираетесь сделать антенный усилитель своими руками, приведём некоторые схемы с описанием.

- Схема усиливающего устройства на базе микросхемы max2633:
- VT – max2633;
- R = 1 кОм;
- Все конденсаторы ёмкостью 1 нФ.
Необходим источник постоянного тока с напряжением 2.8-5.2 В. Схема не требует настройки, даёт уровень шума около 2 дБ и КУ около 13 дБ, понизить который можно путём увеличения сопротивления. Подходит для комнатных антенн, предназначена для ультракороткого волнового диапазона, обеспечивает частоту до 900 МГц.
Далее рассмотрим, как сделать схемы широкополосных усилителей.

- Схема на транзисторе, включённом по принципу общего эмиттера:
- VT1 – KT368;
- C1=1000 пФ, C2=33 пФ, C3=C4=15 пФ;
- R1=R4=10 Ом, R2=470 Ом, R3=51 кОм.
Данная схема требует источник напряжения 9 В и имеет высокий КУ. Коэффициент усиления и частотные характеристики могут меняться в зависимости от используемого транзистора.

- Схема на транзисторе, включённом по принципу общей базы:
- VT1 – KT315;
- C1=1000 пФ, C2=33 пФ, C3=C4=15 пФ;
- R1=51 Ом, R2=10 кОм, R3=15 кОм, R4=1 кОм.
Катушка индуктивности L или дроссель наматывается на ферритовом кольце с проницаемостью 600 Н. Для метрового диапазона нужно 300 витков из провода ПЭВ с сечением 0.1 мм.
Эта схема отличается от предыдущей меньшим КУ, но большей полосой частот.

- Двухкаскадная ДМВ-схема своими руками. Это ещё один вариант, как усилить сигнал антенны телевизора:
- VT1= VT2 – ГТ311Д;
- C1=1000 пФ, C2=33 пФ, C3=C4=15 пФ;
- R1=680 Ом, R2=75 кОм, R3=1 кОм, R4=150 кОм;
- L1=100 мкГН, L2=25 мкГн, L3 – катушка на бескаркасной основе с диаметром 4 мм из провода ПЭВ (0.8 мм), состоящая из 2.5 витков.
Для схемы нужен источник питания 12 В.
Повышать КУ можно путём добавления каскадов, но при этом будет возрастать и коэффициент шумов. Поэтому нужно бороться с ними, используя различные фильтры и малошумящие транзисторы.

Чтобы собрать прибор, усиливающий сигнал антенны для телевизора своими руками, нужно для всех схем:
- Подготовить элементы и расходные материалы;
- Изготовить печатную плату;
- Запаять все компоненты;
- Проверить схему на работоспособность;
- Подключить к антенне и ТВ-приёмнику.
Изготовление усилителя цифрового сигнала: материалы, инструменты, схемы
Изготовить антенный усилитель для приёма цифрового телевидения сможет любой начинающий радиолюбитель, только научившийся держать в руках паяльник. Главное – выбрать понравившуюся схему из множества тех, что можно найти на просторах сети интернет. Инструмента потребуется минимум – паяльник, резачок и плоскогубцы. Ну а весь необходимый материал, такой как элементы схемы, провода и иные расходники можно приобрести в любом магазине радиоэлектроники или же вовсе заказать через интернет.
ФОТО: instrumentgid.ruПри изготовлении усилителя цифрового сигнала своими руками без паяльника не обойтись
Несколько схем антенных усилителей для примера
Для того чтобы не утруждать читателя поисками схем усилителей цифрового сигнала ТВ, наша редакция решила сама выполнить эту работу. Для начала самый простой вариант, предназначенный для широкополосных антенн.
ФОТО: diagram.com.uaПростейшая схема усилителя цифрового сигнала
Следующая схема будет немного сложнее, однако и её можно собрать в домашних условиях.
ФОТО: electrongrad.ruЭта схема немного сложнее
И напоследок ещё одна. Выглядит всё довольно сложно, однако нужно лишь разобраться в ней. В этом случае собрать такую схему усилителя антенны для цифрового ТВ вполне удастся.
ФОТО: tytmaster.ruА в этой схеме нужно основательно разбираться
Статья по теме:
Подключение и настройка усилителя антенны к телевизору: как выполнить
При правильной сборке схемы и верно подобранных элементах ни о какой настройке речи не идёт. Усилитель кабельного ТВ сигнала между сплиттером (диплексором, разветвителем, тройником – кому как удобнее) и телевизором. При необходимости подачи на него питания стоит продумать, чтобы поблизости был источник. При этом если на устройство подаётся питание, то при желании из такой активной антенны легко можно сделать пассивную, просто выключив блок из розетки.
ФОТО: regionoperator.ruБлок питания должен быть включён в сеть, чтобы усилитель работал
Варианты конструктивного исполнения
Разнообразие форм
Приемные антенны для ДМВ, с помощью которых ловится цифровой ТВ-сигнал, как правило, относятся к логопериодическому типу с несколькими группами штырьков-вибраторов разной длины. Этот тип чувствителен к направлению, однако ширина полосы пропускания чрезвычайно велика. Они применяются в нескольких вариантах конструкции:
- Плоские однонаправленные. Конструктивно представляют собой единый стержень, на который в противофазе монтируются проводники переменной длины (самые короткие – на конце, самые большие – у основания). Конструкция надежная и дешевая, но имеет неустранимый недостаток: требует очень точной ориентации и принимает сигнал только с одного направления.
- Пространственные. Состоят из нескольких стержней с вибраторами, расположенными в разных плоскостях. Принимают как прямой, так и отраженный сигнал на расстоянии от ретранслятора до 50 км и более. Самый дорогой, но и эффективный вариант. Устанавливается только на улице.
- Рамочные.Конструктивно представляют собой обычный проводник, замкнутый в кольцо. Простейший вариант, но крайне неэффективный за пределами прямой видимости ретранслятора.
Активная и пассивная антенны: в чем разница
Ключевое различие между пассивным и активным типом в том, используется ли прием сигнала и передача его на телевизор (или ресивер) напрямую или через усилитель.
- Пассивные. Просто принимают и передают сигнал в неизменном виде. Конструктивно они проще, не требуют дополнительного электропитания, но работать могут только в зоне, где сигнал достаточно мощный.
- Активные. Принятый сигнал поступает на блок усиления и лишь затем идет на ТВ-устройство. Такая антенна хороша для работы не только с прямыми, но и с отраженными сигналами для приема в условиях плотной застройки и неровного рельефа местности.
Установка усилителя антенны
Внешне усилитель представляет собой небольшую электронную схему. Крепится он непосредственно на саму антенну при помощи болтов и гаек. Большую эффективность усилитель покажет, если будет установлен вблизи антенны на мачте, между согласующим устройством и фидером. Сигнал, проходящий от антенны по фидеру, существенно уменьшает его уровень. После установки необходимо проверить — улучшился ли сигнал. Без оборудования это можно сделать, просто включив телевизор.
Если антенна уже установлена — не составит труда подключить усилитель и, используя специальный переходник, запитать блок питания. Однако если антенна не подключена, то вам придётся озадачиться проведением кабеля к телевизору . Если вы в себе не уверенны, то лучшим решением будет вызвать телемастера, который быстро и качественно выполнит эту задачу.
Подключение телевизионного кабеля к телевизору
Первым шагом будет выбор телевизионного кабеля. Это очень ответственный момент, так как даже дорогой телевизор не обеспечит вас качественной картинкой без правильно подобранного провода.
Самыми распространёнными на рынке являются коаксиальные кабели различных производителей с волновым сопротивлением 75 Ом марок RG 6U, SAT 50, SAT 703B и DG 113. Марки приведены в порядке возрастания качества. Маркировка наносится на оболочку кабеля по всей длине.
ВАЖНО. Мы не будем описывать все существующие антенные кабеля, так как это не представляется возможным
Однако просим обратить ваше внимание на следующее — кабель должен иметь волновое сопротивление 75 Ом и внешний диаметр оболочки должен быть не менее 6 мм. Придерживаясь этих двух критериев, вы сможете подобрать подходящий кабель
После того как вы выбрали кабель — его необходимо соединить со штекером, так как голые провода к телевизору не подключить. В наше время самое широкое распространение получили F-штекеры. Доступны штекеры трёх разных размеров для кабелей разного диаметра. Будьте внимательны при покупке — убедитесь, что штекер подходит вашему кабелю. После покупки останется установить штекер. Сделать это можно по приведённой ниже схеме.
Как сделать антенный усилитель своими руками – пошаговая инструкция
Приведем несколько типовых схем устройств для усиления телевизионного сигнала, начнем с самой простой.
Схема простого антенного усилителя на базе МАХ2633
Обозначения:
- VT – микросхема МАХ2633.
- R – 1 кОм.
- Конденсаторы С1, С2 и С3 – 1 нФ.
Схема запутывается от источника постоянного тока с напряжением от 2,8 до 5,2 вольт. Отличительные особенности: низкий уровень шума (около 2 дБ) и вполне приличный коэффициент усиления, порядка 13 дБ, при необходимости понизить который следует увеличить сопротивление R. Собранная схема не требует настройки. Приведенное устройство хорошо зарекомендовала себя при работе с комнатными антеннами теле- и радиоприемников. В интернете можно встретить описание данной схемы, как широкополосной, что не совсем верно, исходя из даташит МАХ2633 –предназначена для УКВ диапазона.
Теперь рассмотрим типовые транзисторные схемы, которые действительно являются широкополосными.
Антенный усилитель на транзисторе, включенном по принципу общего эмиттера
Обозначение:
- Транзистор VT1 – KT368.
- Сопротивления: R1 -100 Ом; R2 – 470 Ом; R3 – 51 кОм; R4 – 100 Ом.
- Емкости: C1- 1000 пФ; С2 – 33 пФ; С3 и С4 – 15 пФ.
Схема также отличается простотой и не требует настройки. КУ и частотные характеристики зависят от используемого транзистора. Устройства данного типа отличаются высоким коэффициентом усиления и невысокими частотными характеристиками (что исправляется в мульти вибраторных схемах с эмиттерной связью, при желании найти их несложно, но они более сложны в настройке). Питание осуществляется от источника с напряжением 9 вольт.
Вариант с подключением транзистора по схеме «общая база» обладает меньшим КУ, но зато более широким частотным диапазоном.
Антенный усилитель на транзисторе, включенном по принципу общей базы
Обозначения:
- Транзистор VT1 – KT315.
- Сопротивления: R1 -51 Ом; R2 – 10 кОм; R3 – 15 кОм; R4 – 1 кОм.
- Емкости: C1- 1000 пФ; С2 – 33 пФ; С3 и С4 – 15 пФ.
Дроссель наматывается на ферримагнитном кольце, проницаемость которого 600Н. Для метрового диапазона необходимо сделать 300 витков, используемый для этой цели провод – ПЭВ Ø 0,1 мм.
Добиться большего КУ можно, если собрать устройство на двухкаскадной схеме, ее пример приведен ниже.
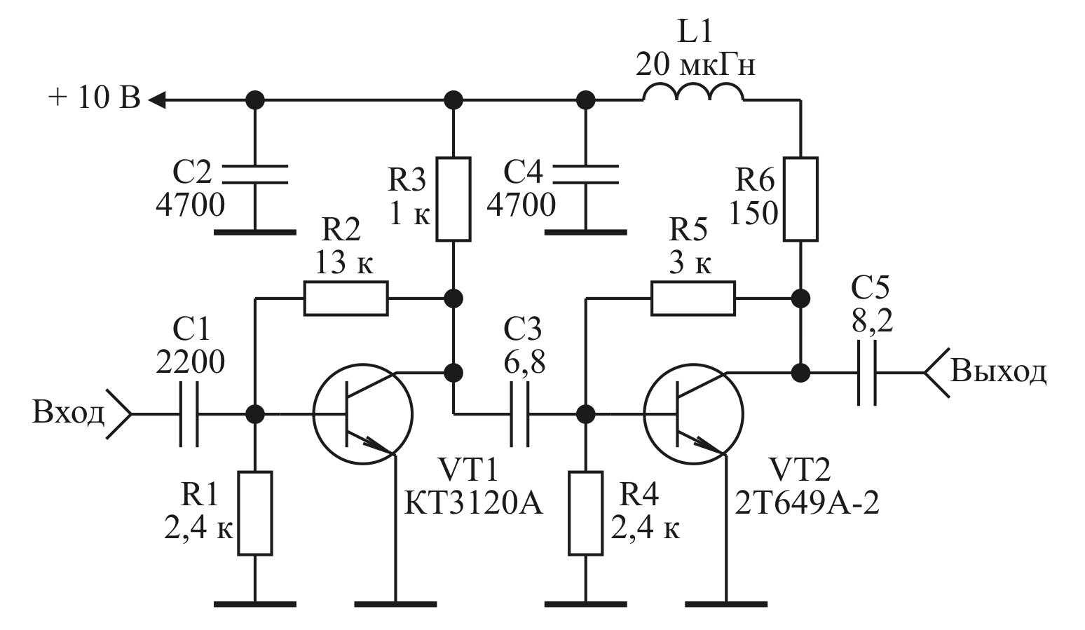
Схема двухкаскадного антенного усилителя для ДМВ каналов
Обозначения:
- Транзисторы: VT1 и VT2 – ГТ311Д.
- Сопротивления: R1 — 680 Ом; R2 – 75 кОм; R3 – 1 кОм; R4 – 150 кОм.
- Емкости: C1, С2 и С4 — 100 пФ; С3 – 6800 пФ; С5 – 15 пФ; С6 – 3,3 пФ.
- Дроссели: L1 – 100 мкГн; L2 – 25 мкГн, L3 – представляет собой катушку на бескаркасной основе, диаметром 4 мм, намотаны 2,5 витка, используемый провод ПЭВ 2 Ø 0,8 мм.
Запитывается схема от источника с напряжением 12 вольт, настройка устройства не требуется.
Пошаговая инструкция по сборке будет общая для всех схем:
- Приобретаем все необходимые электронные компоненты.
- Подготавливаем инструменты и расходники.
- Изготавливаем печатную плату, навесная сборка и использование монтажных панелей нежелательно, поскольку в этом случае существенно увеличиться уровень шума.
- Запаиваем все элементы.
- Проверяем собранную конструкцию.
- Подключаем к собранному усилителю антенну и телевизионный приемник.
Антенна для дачи с усилителем – какую выбрать
Устройства для приёма каналов аналогового телевидения со встроенным усилителем могут выйти из строя при любой грозе из-за наведённого электричества – пробивает первый каскад МШУ, расположенного прямо в антенне.
Поэтому лучше применить пассивную телеантенну, а для усилителя (отдельного) выделить место в удалении на дачном чердаке – тогда будет возможность подстройки, и не придётся лазить после каждой грозы на крышу его менять. Лучшая антенна для дачи – алюминиевая, она менее корродирует, меньше вес, и как следствие – легче устанавливается
Лучшая антенна для дачи с усилителем – пассивная . Усилитель должен стоять отдельно на чердаке.
Посмотрите товары для изобретателей. Ссылка на магазин.
Усилитель лучше выбирать с раздельными регулировками по МВ и ДМВ диапазонам. Решающее значение имеет высота установки антенны и её максимальная удалённость от железа крыши и проводов освещения.

zen.yandex.ru
Понятие антенного усилителя
Антенным усилителем цифрового ТВ называют специальные устройства, способные усиливать принимаемый телевизором сигнал. Их обычно применяют в квартирах, частных домах, небольших населённых пунктах, расположенных достаточно далеко от основных вышек.
За счёт такого оборудования усиливается диапазон ТВ-сигналов и снижается уровень помех. Как результат, на экране отображается более чёткая картинка, изображение не пропадает и не зависает. Плюс это положительно влияет на звук.
Фактически усилитель является платой со схемами, куда монтируются каскады усиления. Внешне это обычная коробочка достаточно компактных размеров, дополненная разъёмами, через которые она подключается к телевизору и иному ТВ-оборудованию. За счёт используемых схем удаётся повысить стабильной работы получаемого сигнала и минимизировать количество помех.

У некоторых усилителей имеется внутренний контроллер. Он нужен для того, чтобы регулировать параметры усиления и мощности. Между контроллерами стоят потенциометры и фильтры. Они позволяют отбирать нужные сигналы с заданной частотой.
Разумеется, все цифровые ТВ усилители работают за счёт электричества. А потому в комплекте предусматривается наличие источника питания, либо блока питания с определёнными параметрами входа и выхода. В основном это 220 В и 12-24 В соответственно.
Выбираем усилитель телевизионного сигнала
Во всем многообразии предложений легко можно запутаться и сделать ненужное или неподходящее приобретение, от которого в результате не будет никакого толку
Чтобы этого избежать, нужно обращать внимание на некоторые параметры, а именно:
- максимально возможное усиление сигнала. Единица измерения — дБ (децибел);
- уровень шумов во время работы. Единица измерения — дБ (децибел);
- величина напряжения, необходимая для работы прибора;
- потребление тока.
Крепить усилитель лучше всего к самой антенне. Так можно минимизировать возможность появления шумов. Выбирая усилитель, нужно покупать максимально подходящий тип. Но сильно переживать не стоит, ведь вы можете обменять или вернуть товар в течение 14 дней, конечно, если он вам не подходит.
Уровень усиления сигнала регулируется самим прибором — для этого в нем устроен специальный регулятор.
Теперь на вопрос как выбрать усилитель телевизионного сигнала уже не возникнет.
Еще один хороший вариант для дома или дачи
В отдельных случаях получить качественное изображение можно проще — посредством цифрового телевидения. В последнее время оно распространено достаточно широко. Отличительной чертой его является отличное качество вещания. Если у вас в загородном доме установлен современный телевизор, вполне возможно, что цифровой тюнер уже встроен в него. Чтобы в этом убедиться достаточно прочесть информацию на коробке или в инструкции. Если тюнер встроен, будет достаточно антенны с дециметровым диапазоном для отличного качества вещания.
Если телевизор старой модели, ТВ-тюнер можно приобрести отдельно. Подключается он достаточно просто — в качестве переходника между антенной и телевизором. После чего нужно провести несложную настройку и наслаждаться отличным изображением.
Где купить усилитель для антенны телевизора на дачу? Да практически в любом магазине техники. Приведем несколько примеров усилителей телевизионной антенны для дачи.
Усилитель УСШ -2А indoor. Цена его около 500 рублей. Коэффициент усиления в пределах 32 дБ — 28 дБ.
Усилитель сигнала Рэмо УСШ-2А-DX “IN DOOR”. Максимальное увеличение сигнала — 36 дБ. Стоимость — 400 рублей.
Эти антенны подключаются к телевизору и комнатной антенне. Здесь нужно учесть, что устройство будет не только усиливать сигнал телевизионных каналов, но также может усилить и помехи. Последние может создать и компьютер, особенно расположенный рядом с антенной. Оба примера выше предусмотрены для внутренних антенн. Для внешних цена будет несколько выше.

Усилители для внешних антенн размещают на самой антенне. Здесь выбирать нужно тщательнее, так как установка и замена может быть проблематична. Особенно если антенна расположена на большой высоте. Устройство должно быть прочным, надежным и желательно получить на него гарантию.
Как выбрать подходящий усилитель телевизионного сигнала для наружной или внутренней антенны описано выше — правила для всех одни.
Также не стоит забывать, что если усилитель для антенны телевизора стоит дороже, это еще не значит, что он лучше.
Легкого выбора и приятного просмотра качественных каналов!
Что необходимо для подключения
- Антенна. В зависимости от типа вещания должна быть разных конструкций. Например, аналоговое вещание происходит на передаче волн метровой длины. Значит, конструкция должна смочь принять такой сигнал. Нужна метровая антенна. Но, так как давно произошел переход на цифровое телевидение, нужна дециметровая антенна. Можно попробовать сделать простые устройства самостоятельно. Читайте: как сделать антенну для цифрового ТВ своими руками. В случае близкого расположения ретранслятора и сильного сигнала, даже самая проста антенна из кабеля словит два мультиплекса (20 каналов). Готовится она за 10-15 минут, нужен только кабель и коннектор (штекер), который вставится в антенный разъем телевизора. Но, антенны, сделанные своими руками, слабо принимают сигнал. Поэтому при разделении сигнала на несколько ТВ, картинка может пропадать. Связано это с работой «сплиттера» — устройство делит сигнал. Из-за этого на каждый телевизор поступает уменьшенный сигнал в то количество раз, сколько выходов на делителе. Поэтому лучше устанавливать на улице фабричные антенны со встроенным с завода усилителем.
- Кабели. Если нужно подключить два телевизора к одной антенне, требуется минимум три кабеля необходимой длины. Один кабель будет вести от антенны к разветвителю. Два кабеля будут соединять разветвитель с обоими телевизорами. Если телевизоров больше, например, 3 или 5, то потребуется такое же число кабелей больше на единицу ( +1 для самой антенны).
- F-разъемы. Монтируются на все концы кабелей.Для двух телевизоров с использованием разветвителя потребуется пять штук. Сначала разъемы правильно надеваются на кабели.Затем три разъема прикручиваются к F-гнездам на разветвителе.Два оставшихся разъема находятся на свободных концах, которые тянутся к телевизорам или тюнерам. В них вкручиваются F-штекеры, которые и подключаются ко входам «ANT IN» на корпусах телевизоров. Нужное количество переходников (штекеров) соответствует количеству ТВ.
- Разветвитель (он же делитель, «сплиттер», «краб»). Представляет собой небольшую металлическую коробочку. По бокам корпуса есть один вход для подключения коаксиального кабеля от антенной конструкции, и определенное количество выходов. От последних отводятся кабели к телеприемникам или цифровым приставкам. Есть разные типы делителей (активные, пассивные). Более подробно о них поговорим ниже.
- Усилитель. Сигнал при разветвлении распределяется поровну между телевизорами, происходит его равномерное уменьшение. Если при одном телевизоре уровень сигнала был небольшой, то нужен усилитель. Лучше сразу ставить антенну с родным усилителем. Располагается прямо на конструкции внутри короба.В другом случае поможет внешний усилитель. Он врезается в кабель сразу после заводки внутрь помещения.
- Блок питания. Необходим для питания усилителя на активной антенне. Не нужен, если телевидение настраивается через приставку. Тогда питание к антенне можно пустить в настройках приставки. Питание пройдет через разветвитель, поступит на усилитель, и более мощный сигнал вернется обратно к телевизору. Но тогда потребуется делитель с проходом напряжения (выход подписывается «Power Pass»). Иначе питание дойдет до делителя, но дальше на антенный усилитель не поступит, так как «нет прохода». Телевизор же питание не делает, поэтому еще до входа коаксиального кабеля в F-гнездо делителя нужно подключить блок питания. В этом случае усиленный телесигнал сразу будет идти к приемникам.
Настройка и отладка
Проблема настройки, а также отладки телевизионной антенны весьма актуальна для тех, кто произвел смену места жительства либо сделал ремонт в квартире.
Пример схемы антенного усилителя для телевизора
Ведь установка устройств, улавливающих дециметровые волны, а также прокладка телевизионного кабеля не могут гарантировать качественного изображения и звука: порой, несмотря на все усилия, изображение остается таким же нечетким, двоящимся и содержащим различные помехи. Именно такие усилители, позволят привести к существенному улучшению качества телевизионного сигнала.
Если квартира находится в месте, где прием сигнала неуверенный, то именно усиливающий агрегат способен исправить данную ситуацию. Такие приспособления бывают различных типов: какой тип более всего подойдет именно к вашей антенне, могут определить только профессиональные мастера-телевизионщики.
Таким образом, если вам понадобился усилитель для телевизора, то лучше обратиться в специальную службу, занимающуюся любыми проблемами, которые связаны с установкой, ремонтом антенн, а также разводкой, прокладкой, заменой телевизионного кабеля.
В первую очередь мастер установки, настройки телевизионных антенн с помощью специальных приборов определяет качество сигнала в квартире. Затем сообщает, какой именно тип механизма стоит приобрести, и где более выгодно его купить.
Установленный и подключенный мастером-профессионалом прибор для усиления сигнала телевизора, способен обеспечить качественный и стабильный прием разнообразных телевизионных программ.
Тройной квадрат
Тройной квадрат, он же антенна Сотникова (нестандартным радиоприборам принято давать название по имени изобретателя или популяризатора), состоит из трех квадратных рамок переменного периметра:
- директора;
- вибратора – именно с него снимается принятый сигнал;
- рефлектора.

Эта антенна – развитие принципов, заложенных в конструкции волнового канала, однако она гораздо проще в изготовлении. Внешне выглядит как три постепенно уменьшающихся в размерах квадрата, закрепленных на общих поперечинах так, чтобы их ось смотрела в направлении источника сигнала.
Если коротко, то собирается она из стальной или медной проволоки следующим образом:
- Выгибаются три основных квадрата и перемычки между ними. При необходимости можно сразу выгнуть весь зигзаг в сборе по прилагаемому чертежу.
- Стыки спаиваются между собой.
- В расщеп вибратора (там, где проволока соединяется концами) впаивается зачищенный конец коаксиального кабеля на 75 Ом.
Преимущества:
- Высокая чувствительность. Это неплохое устройство дальнего действия для приема слабого сигнала с большого расстояния.
- Технологичность. Если изгибать ее из единого куска проволоки, то пайка понадобится лишь для подсоединения кабеля и стыков.
- Есть возможность подключения усилителя, превращающего конструкцию в активную антенну, идеальную для дачи или загородного дома.
Недостатки:
- Не самая удачная диаграмма направленности. Даже небольшой изгиб проволоки приводит к тому, что начинаются потери в мощности принятого сигнала.
- Крайняя узконаправленность. Тройной квадрат охватывает не более 10 каналов по старой разметке, поэтому при сильном расхождении мультиплексов по частоте придется либо делать две антенны (и решать проблемы согласования), либо жертвовать чувствительностью.
- Чтобы получить все плюсы от дальнобойности этой антенны, нужен точный расчет (в идеале – до миллиметра).
Это интересно: Инструкция по сборке твердотельного реле своими руками
Что представляет собой антенный усилитель для телевизора?
Телевизионный усилитель — это прибор для усиления телесигнала и снижения уровня помех, что обеспечивает показ более качественной картинки. Устройство способствует повышению чувствительности, ограниченной шумовыми эффектами, и компенсации потерь получаемого телевизионного сигнала в коаксиальном кабеле.
Особенности конструкции усилителя для антенны
Усилители для телевизионных антенн несложно устроены и могут различаться в конструкции, могут усиливать как цифровой, так и аналоговый сигнал . В некоторых случаях их образуют две платы с реализованной схемой понижения шумового эффекта. Один контур является высокочастотным фильтром, у второго имеется конденсатор, регулирующий частоты.
Регулятор помогает получить максимальное усиление телесигнала в 4,7 дБ с рабочей частотой 400 МГц. Чтобы получить стабильность, пользуются стабилизатором с входящими в его схему электролитом и диодным мостом. Усилитель подключают к телеприёмнику с помощью конденсатора.
Все усилители для антенны оснащены блоком питания, отличается только место его размещения (встроенный и внешний). Встроенное устройство хорошо функционирует при стабильном электрическом напряжении и будет потреблять до 10 В. В случае перегорания приспособления потребуется заменить все антенное устройство. По этой причине при наличии скачков напряжения удобнее будет пользоваться внешними блоками. Они крупнее в размерах и имеют разное входное напряжение в зависимости от усилителя (5, 12, 18, 24 В).
Классификация
Для эфирных волн телеканалов используют диапазон метровых (МВ) и дециметровых (ДМВ) частот. В первом случае используется частота 30-300 МГц, а во втором — 300-3000 МГц. В зависимости от диапазона принимаемой частоты усилитель может быть:
- широкополосным — для охвата широкого волнового спектра;
- диапазонным — использует для работы метровый или дециметровый диапазон;
- многодиапазонным, предназначенном для обоих диапазонов.
Цифровая трансляция осуществляется с помощью стандарта DVB-T2. Для цифровых телеканалов используется лишь диапазон ДМВ, поэтому для цифрового телевещания подойдёт усилитель для цифрового телевидения стандарта DVB-T2.
Тест антенных усилителей для цифрового телевидения DVB-T2:
Различаются усилители также в соответствии с требуемым напряжением:
- Двенадцативольтовые наиболее распространены. К ним потребуется добавление дополнительного блока питания, который в некоторых случаях может регулироваться.
- Пятивольтовые можно подключить к ТВ-тюнеру или телевизору при помощи коаксиального кабеля. Как правило, их закрепляют на антенну.
В зависимости от типа телевидения усиливающие устройства классифицируются в следующем порядке:
- антенные;
- спутниковые;
- кабельные.
Кабельными и спутниковыми усилителями пользуются очень редко, потому что они передают и так вполне высококачественный сигнал. Иногда при кабельном телевещании пользуются усилителем, если кабель подключён сразу к нескольким телевизорам. Антенными усиливающими устройствами пользуются гораздо чаще.
Преимущества и недостатки усилителей ТВ сигнала
К достоинствам усилителей относятся:
- возможность приёма даже самых слабых телесигналов;
- наличие небольших шумовых коэффициентов;
- возможность усиления сигнала одновременно по нескольким частотным диапазонам.
Недостатками усиливающих устройств являются:
- если используется широкополосный усилитель, существует вероятность перегрузки допустимого уровня телесигнала, поэтому он должен быть оснащён регулятором по разным диапазонам, чтобы исключить такую неприятность;
- самовозбуждаемость прибора;
- восприимчивость к грозе;
- вероятность потерь телесигнала на выходе.
Усилители корректируют сигнал от антенны к телевизору. В связи с этим на выбор влияет местность и необходимость в телевизионном оборудовании. Усилитель к антенне телевизора за городом помогает эффективно решить сложный вопрос в получении качественного телевизионного сигнала.

























































